datos técnicos protector mecánico
Shock Guard TGB Manipulación
1. Ajuste del par de disparo
- (1) Al enviarlos, todos los Shock Guard TGB se ajustan al par mínimo. Asegúrese de que el indicador de par esté a cero en la escala de par.
(Consulte el diagrama para cada tamaño). - (2) Para los modelos TGB70 a 130, afloje las tuercas hexagonales que impiden que los pernos de ajuste se aflojen en tres puntos. (Para los modelos TGB08 a 50, puede girar las tuercas de ajuste tal como están).
- (3) En el diagrama de correlación de par de apriete (abajo), lea el ángulo de apriete de la tuerca de ajuste (perno) correspondiente al par de apriete predeterminado y apriételo. Inicialmente, colóquelo a unos 60° por delante del valor de apriete indicado en el diagrama de correlación. Luego, conéctelo a la máquina y realice una prueba de apriete, apretándolo gradualmente hasta alcanzar el par de apriete óptimo. El par de apriete del producto no necesariamente coincidirá con el diagrama de correlación de par de apriete a continuación, así que úselo como guía.
- (4) Para los modelos TGB20 a 50, apriete un tornillo de bloqueo para evitar que la tuerca de ajuste se afloje. Para los modelos TGB70 a 130, apriete la tuerca hexagonal para evitar que se afloje.
(Las tuercas de ajuste de TGB08 a 16 están recubiertas para evitar que se aflojen). - (5) No gire la tuerca de ajuste (perno) más allá del valor máximo de la escala de par. Al dispararse, el resorte de disco perderá su capacidad de deflexión y se bloqueará. (Los modelos TGB08 a 16 utilizan un resorte helicoidal).
2. Diagrama de correlación entre la cantidad de apriete y el par de apriete
3. Procesamiento de agujeros de eje
TGB08~16
· El casquillo está fabricado en aleación sinterizada a base de hierro y tiene la superficie endurecida.
- (1) Afloje la tuerca de ajuste y desmonte todas las piezas. Tenga cuidado de no acumular polvo ni suciedad en las piezas.
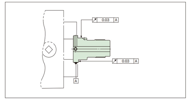
- (2) Fije el diámetro exterior de la brida del cabezal y céntrelo en él. El cabezal está hecho de aleación de hierro sinterizado con superficie endurecida, por lo que recomendamos usar una herramienta de corte de carburo (símbolo JIS 9-20, K-01).
- (3) La chaveta debe mecanizarse directamente debajo del macho para el tornillo de fijación.
- (4) Al volver a ensamblar después de mecanizar el orificio del eje, aplique grasa lubricante a la bola de transmisión y al cojinete de empuje.
- (5) Al mecanizar el orificio del eje, consulte la tabla y el diagrama a continuación y realice el mecanizado escalonado.
| Número de modelo | Diámetro del orificio del eje Φd mm |
Longitud de procesamiento del orificio del eje Largo mm |
Diámetro del avellanado Diámetro interior mm |
|---|---|---|---|
| TGB08 TGB08-C |
Φ6 o más Φ8 o menos | 20 | Φ11 |
| TGB12 TGB12-C |
Φ7 o más y menos de Φ10 | 20 | Φ15 |
| Φ10 o más y menos de Φ12 | 30 | ||
| Φ12 | longitud total | Innecesario | |
| TGB16 TGB16-C |
Φ8 o más y menos de Φ10 | 20 | Φ15 |
| Φ10 o más y menos de Φ12 | 30 | ||
| Φ12 o más Φ16 o menos | longitud total | Innecesario |
TGB20~130
- El jefe ha sido sometido a un tratamiento térmico.
- (1) Afloje la tuerca de ajuste y desmonte todas las piezas.
Retire el retén del eje y la placa central. Tenga cuidado de no dejar polvo ni suciedad en las piezas. - (2) Ajuste el diámetro exterior de la brida del saliente y céntrelo en el saliente.
- (3) Golpee el tornillo de fijación en dos lugares: en la ranura y en un ángulo de 90°.
- (4) Al volver a ensamblar después de mecanizar el orificio del eje, aplique grasa lubricante a la bola de transmisión y al cojinete de empuje.
4. Reincorporación
Como se trata reinicio automático, se reiniciará automáticamente con solo reiniciar el lado de la transmisión, como por ejemplo el motor.
- (1) Si el Shock Guard se dispara debido a una sobrecarga, detenga la rotación y elimine la causa de la sobrecarga.
- (2) Al reiniciar, reinicie (vuelva a acoplar) los engranajes ajustando la velocidad de rotación de entrada a 50 r/min o menos o avanzando lentamente el motor.
⚠Evite reiniciar el Shock Guard girando el cuerpo o el eje con la mano, ya que esto es peligroso.
- (3) Cuando la bola de impacto caiga en el bolsillo, oirás un "clic".
