datos técnicos actuador lineal Especificaciones del motor Cilindro de Potencia
Cableado (serie T)
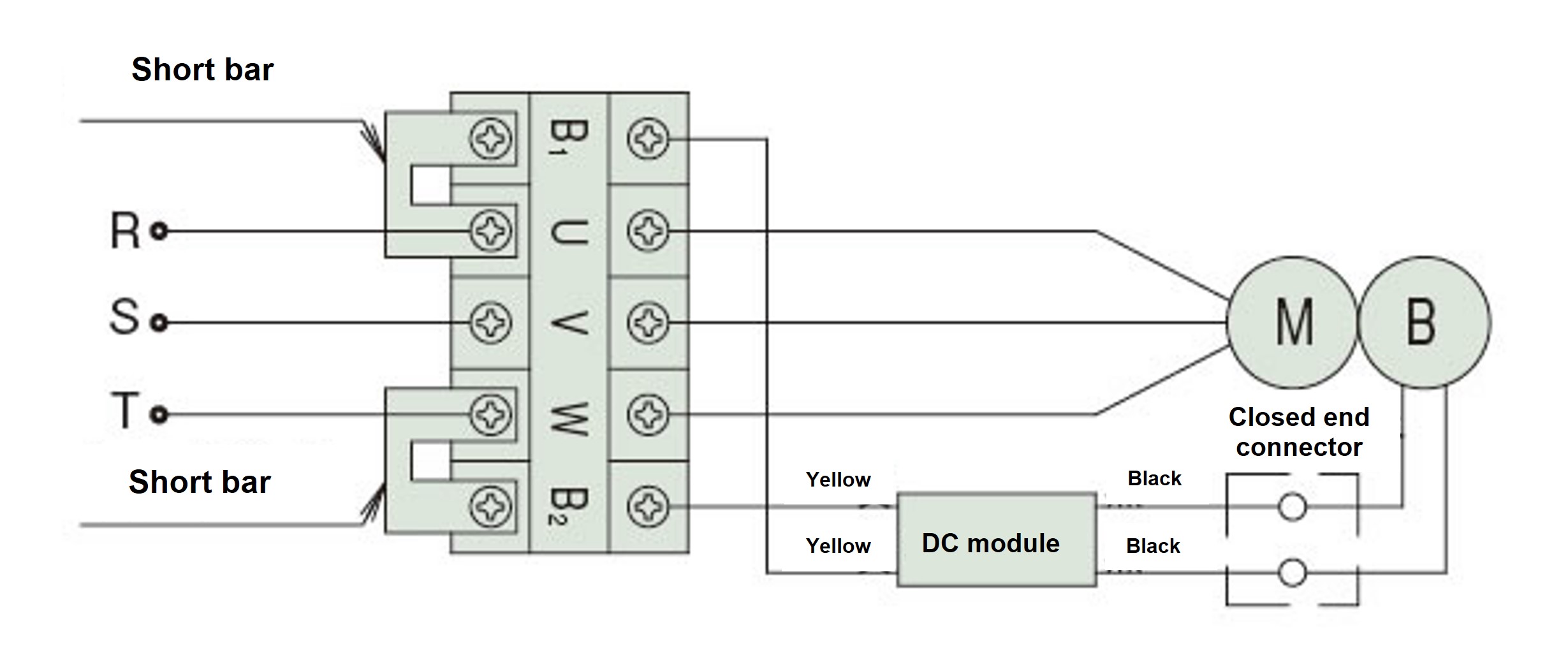
Cableado del motor de freno (motor de freno de CC)
0.1~0.4kW
conexión interna del freno (en el momento del envío)
Especificación de 200 V
Especificación de 400 V
Corte independiente del aire acondicionado del freno
Especificación de 200 V
Especificación de 400 V
* Asegúrese de aislar final cable conductor de la toma intermedia.
*Se requiere una fuente de alimentación independiente de 200 V.
0.75~3.7kW
conexión interna del freno (en el momento del envío)
Especificación de 200 V
Especificación de 400 V
Freno con desconexión independiente de CA (también es posible la desconexión de CC para 2,2 kW y 3,7 kW).
Especificación de 200 V
Especificación de 400 V
dirección de funcionamiento de la varilla
En el diagrama de cableado anterior, la varilla funciona en la dirección que se muestra a la derecha.
rectificador de CC se envía ensamblado en una caja de terminales.
| dirección de funcionamiento de la varilla |
LPTB250~LPTB4000 LPTC250~LPTC4000 |
|---|---|
| avance de la varilla |
*Tornillo de crimpado: M4 [Par de apriete 1,2 N·m {0,12 kgf·m}]
Método de cableado al usar un inversor
- 1. Al operar el motor con un inversor, el freno debe desactivarse por separado. Como se muestra en la sección anterior, retire el tramo corto y aplique la tensión de alimentación normal, no la de salida del inversor, al rectificador de CC del freno.
- 2. Si el motor es de 400 V y su potencia es de 0,4 kW o menos, desconecte el cableado de la toma central del motor y aíslelo. A continuación, conecte una fuente de alimentación independiente de 200 a 220 V al rectificador de CC. Si no dispone de una fuente de alimentación de 200 a 220 V, utilice un transformador para reducir la tensión a dicho rango. La capacidad del transformador debe ser de 90 VA o superior, y asegúrese de que no haya caída de tensión.
- 3. Para contactores electromagnéticos de clase 200V para frenos, utilice aquellos con una carga nominal de AC250V, 7A o más.
Para la clase de 400 V, utilice una tensión de contacto de CA de 400 a 440 V y una carga inductiva de 1 A o superior (por ejemplo, un contactor electromagnético para un motor de CA de 2,2 kW). rectificador de CC incorpora un elemento de protección contra sobretensiones. Añada elementos de protección para cada contacto según sea necesario. - 4. Si desea utilizar un disyuntor de CC independiente para el freno, póngase en contacto con nosotros.
*En el caso de especificaciones especiales, el cableado puede variar, por lo que le rogamos que consulte los planos de entrega.
