Acerca de la instalación de rodillos de soporte para la Serie de plástico tipo TKR
El Portacables (CABLEVEYOR) de plástico tipo TKR está equipado con rodillos de apoyo, lo que le permite adaptarse incluso longitud de recorrido largo.
Al instalar los rodillos de soporte, se establecen intervalos de instalación para cada modelo Portacables (CABLEVEYOR) para garantizar un comportamiento estable Portacables (CABLEVEYOR) mismo.
Utilice la siguiente guía como referencia para la instalación y el uso dentro gráfico de carga admisible cuando se instalen los rodillos de soporte.
TKR15H22 (anteriormente TKR0150)
El intervalo de instalación de los rodillos de soporte debe establecerse en L = 350 mm o menos.
Al instalar cuatro o más rodillos de apoyo, longitud de recorrido se puede extender hasta un máximo de 2,2 m.
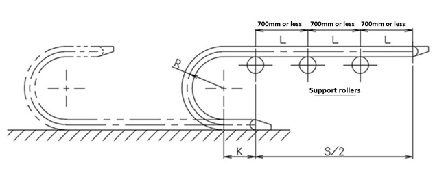
TKR20H28 (anteriormente TKR0200H28)
El intervalo de instalación de los rodillos de soporte debe establecerse en L = 700 mm o menos.
Al instalar tres o más rodillos de apoyo, longitud de recorrido se puede extender hasta un máximo de 3,3 m.
TKR26H40 (anteriormente TKR0260)
El intervalo de instalación de los rodillos de soporte debe establecerse en L = 700 mm o menos.
Al instalar tres o más rodillos de apoyo, longitud de recorrido se puede extender hasta un máximo de 3,6 m.
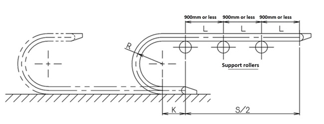
TKR28H52 (anteriormente TKR0280)
El intervalo de instalación de los rodillos de soporte debe establecerse en L = 900 mm o menos.
Al instalar tres o más rodillos de apoyo, longitud de recorrido se puede extender hasta un máximo de 5,0 m.
TKR28H52-EX
El intervalo de instalación de los rodillos de soporte debe establecerse en L = 900 mm o menos.
Al instalar tres o más rodillos de apoyo, longitud de recorrido se puede extender hasta un máximo de 11,88 m.
TKR37H28
El intervalo de instalación de los rodillos de soporte debe establecerse en L = 700 mm o menos.
Al instalar cuatro o más rodillos de apoyo, longitud de recorrido se puede extender hasta un máximo de 5,1 m.

