especificaciones principales de la guía de cadena
Catálogos y manuales de instrucciones
| ※ | Los datos CAD 3D se proporcionarán a través de un enlace al sitio Biblioteca de planos CAD de CADENAS Web2CAD Co., Ltd. "PARTcommunity". |
| ※ | Para consultas sobre datos CAD 3D y PARTcommunity, póngase en contacto con Cadenas Web2CAD. Cadenas Web to CAD Co., Ltd. TEL: (03)5961‐5031 FAX: (03)5961‐5032 |
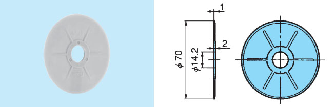
Rodillo de retorno de alta rotación (RR)
La circunferencia interior está hecha de un material plástico de ingeniería que ofrece baja resistencia al eje, mientras que la circunferencia exterior está hecha de un material blando que ofrece alta resistencia a la cadena, lo que resulta en un excelente rendimiento de rotación. Esto es eficaz para evitar rayar la superficie superior de los listones de la cadena y reducir el ruido en el viaje de regreso. También hemos incorporado un nuevo tipo a nuestra gama que minimiza la generación de polvo de desgaste al reducir el contacto con la superficie superior de los listones y utilizar rodamientos en el orificio del eje.
TP-IR60, TP-IR18: Solo seco
TP-C121963, 121966RNT-RR, TP-C121967, 121970RNFT-RR: Para uso en seco y húmedo
Utilice el rodillo de retorno como soporte para la parte superior de la cadena en el lado de retorno de la cinta transportadora.
| Número de modelo | Material | color | Rango de temperatura de funcionamiento °C |
DXF Forma datos |
Precio estándar | Plazo de entrega | PDF Dimensiones |
3DCAD | ||
|---|---|---|---|---|---|---|---|---|---|---|
| Eje/lado | Periferia exterior | Eje/lado | Periferia exterior | |||||||
| TP-IR60 | poliamida | poliamida de alta fricción | Gris claro | azul | -20~80 | DXF | Póngase en contacto con nosotros. | Póngase en contacto con nosotros. | 3DCAD | |
Nota
1. Este producto se fabrica bajo pedido.
2. No utilizar en condiciones de humedad.
3. Utilice la cadena a una velocidad de 50 m/min o menos.
| Número de modelo | Material | color | Rango de temperatura de funcionamiento °C |
DXF Forma datos |
Precio estándar | Plazo de entrega | PDF Dimensiones |
3DCAD | ||
|---|---|---|---|---|---|---|---|---|---|---|
| Eje/lado | Periferia exterior | Eje/lado | Periferia exterior | |||||||
| TP-IR18 | poliamida | poliamida de alta fricción | Gris claro | Blanco mate | -20~80 | DXF | Póngase en contacto con nosotros. | Póngase en contacto con nosotros. | 3DCAD | |
Nota
1. Este producto se fabrica bajo pedido.
2. No utilizar en condiciones de humedad.
3. Úselo junto con BTC4-500-M.
| Número de modelo | Diámetro del eje Df |
Material | color | Producto equivalente a MB | Rango de temperatura de funcionamiento °C |
DXF Forma datos |
Precio estándar | Plazo de entrega | PDF Dimensiones |
||
|---|---|---|---|---|---|---|---|---|---|---|---|
| Eje/lado | Periferia exterior | Eje/lado | Periferia exterior | ||||||||
| TP-C121963RNT-RR | 15.5 | polietileno de alta densidad | caucho termoplástico | verde | gris | MB613-615342-RR | -20~60 | DXF | Póngase en contacto con nosotros. | Póngase en contacto con nosotros. | |
| TP-C121966RNT-RR | 20.5 | polietileno de alta densidad | caucho termoplástico | verde | gris | MB613-615372-RR | -20~60 | DXF | Póngase en contacto con nosotros. | Póngase en contacto con nosotros. | |
Nota
1. La velocidad de la cadena debe ser de 50 m/min o menos.
2.TP-C121966RNT-RR es adecuado para cadenas anchas.
| Número de modelo | Diámetro del eje Df |
Material | color | Producto equivalente a MB | Rango de temperatura de funcionamiento °C |
DXF Forma datos |
Precio estándar | Plazo de entrega | PDF Dimensiones |
||
|---|---|---|---|---|---|---|---|---|---|---|---|
| Eje/lado | Periferia exterior | Eje/lado | Periferia exterior | ||||||||
| TP-C121967RNFT-RR | 15.5 | polietileno de alta densidad | caucho termoplástico | verde | gris | MB614-615382-RR | -20~60 | DXF | Póngase en contacto con nosotros. | Póngase en contacto con nosotros. | |
| TP-C121970RNFT-RR | 20.5 | polietileno de alta densidad | caucho termoplástico | verde | gris | MB614-615412-RR | -20~60 | DXF | Póngase en contacto con nosotros. | Póngase en contacto con nosotros. | |
Nota
1. La velocidad de la cadena debe ser de 50 m/min o menos.
2.TP-C121970RNFT-RR es adecuado para cadenas anchas.
Brida guía
| Número de modelo | Material | color | Rango de temperatura de funcionamiento °C |
DXF Forma datos |
Precio estándar | Plazo de entrega | PDF Dimensiones |
3DCAD |
|---|---|---|---|---|---|---|---|---|
| TP-GF70 | POM antiestático | Gris claro | -20~80 | DXF | Póngase en contacto con nosotros. | Póngase en contacto con nosotros. | 3DCAD |
Nota
1. Este producto se fabrica bajo pedido.
2. Úselo junto con TP-IR60.






