especificaciones principales de la unidad de cojinete
Catálogos y manuales de instrucciones
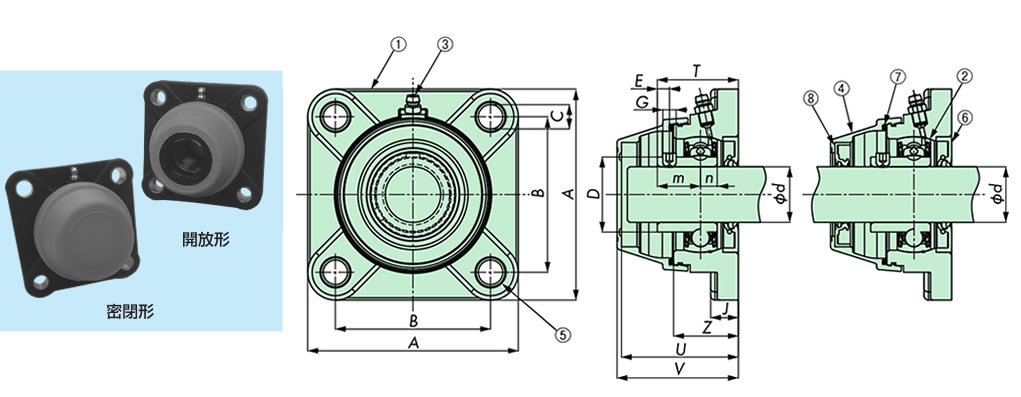
Unidad tipo brida cuadrada (UCFQ)
Sellado tanto en la parte delantera como en la trasera, es eficaz para prolongar la vida útil de los rodamientos en entornos húmedos o polvorientos.
| Número de pieza | Nombre del producto | Material |
|---|---|---|
| 1 | alojamiento | poliamida reforzada |
| 2 | rodamientos de bolas | Latón + niquelado |
| 3 | Engrasador | Latón + niquelado |
| 4 | Tapa de seguridad | polipropileno |
| 5 | Buje espaciador | Latón + niquelado |
| Número de pieza | Nombre del producto | Material |
|---|---|---|
| 6 | sello | NBR |
| 7 | Junta tórica | NBR |
| 8 | sello | NBR |
| Número de modelo | Forma | Cojinete Capacidad de carga básica kN |
Tamaño corporal máximo carga admisible kN |
masa kg |
autoalineable | Rango de temperatura de funcionamiento °C |
DXF Forma datos |
Precio | Plazo de entrega | PDF Dimensiones |
|
|---|---|---|---|---|---|---|---|---|---|---|---|
| (Básico) Clasificación de carga dinámica Cr |
(Básico) Clasificación de carga estática Cor |
||||||||||
| TP-C50205VREC-UCFQ | Tipo cerrado | 10.8 | 7.8 | 11.5 | 0.3 | Vivienda y eje y máximo desalineación angular: 2,5° |
0~80 | DXF | Póngase en contacto con nosotros. | Póngase en contacto con nosotros. | |
| TP-C55205VREC-UCFQ | tipo abierto | DXF | Póngase en contacto con nosotros. | Póngase en contacto con nosotros. | |||||||
| TP-C50206VREC-UCFQ | Tipo cerrado | 15.0 | 11.3 | 11 | 0.5 | DXF | Póngase en contacto con nosotros. | Póngase en contacto con nosotros. | |||
| TP-C55206VREC-UCFQ | tipo abierto | DXF | Póngase en contacto con nosotros. | Póngase en contacto con nosotros. | |||||||
| TP-C50207VREC-UCFQ | Tipo cerrado | 19.7 | 15.3 | 10.5 | 0.6 | DXF | Póngase en contacto con nosotros. | Póngase en contacto con nosotros. | |||
| TP-C55207VREC-UCFQ | tipo abierto | DXF | Póngase en contacto con nosotros. | Póngase en contacto con nosotros. | |||||||
| TP-C50208VREC-UCFQ | Tipo cerrado | 22.4 | 17.9 | 10 | 0.8 | DXF | Póngase en contacto con nosotros. | Póngase en contacto con nosotros. | |||
| TP-C55208VREC-UCFQ | tipo abierto | DXF | Póngase en contacto con nosotros. | Póngase en contacto con nosotros. | |||||||
| Número de modelo | tamaño | Producto equivalente a MB | ||||||||||||||
|---|---|---|---|---|---|---|---|---|---|---|---|---|---|---|---|---|
| Diámetro del eje d |
A | B | C | D | E | G | H | J | Z | T | m | n | U | V | ||
| TP-C50205VREC-UCFQ | 25 | 98 | 70 | 11 | 34 | 5.5 | M6× 1.00 |
15 | 12.5 | 29 | 36.5 | 19.5 | 7.5 | 52 | 54 | MB205C-64573-UCF |
| TP-C55205VREC-UCFQ | MB205C-64623-UCF | |||||||||||||||
| TP-C50206VREC-UCFQ | 30 | 110 | 83 | 11 | 40.3 | 6.5 | 18 | 22 | 8 | 51 | 53 | MB206C-63112-UCF | ||||
| TP-C55206VREC-UCFQ | MB206C-63172-UCF | |||||||||||||||
| TP-C50207VREC-UCFQ | 35 | 118 | 92 | 14 | 48 | 6.5 | M8× 1.00 |
20 | 16 | 33 | 41.5 | 23.5 | 8.5 | 64 | 66 | MB207C-64068-UCF |
| TP-C55207VREC-UCFQ | MB207C-64078-UCF | |||||||||||||||
| TP-C50208VREC-UCFQ | 40 | 130 | 101.5 | 14 | 53 | 7.0 | M8× 1.00 |
20 | 35 | 43 | 25 | 9 | 63 | 65 | MB208C-64667-UCF | |
| TP-C55208VREC-UCFQ | MB208C-64677-UCF | |||||||||||||||
Nota
1. El rodamiento de bolas es del tipo con tornillo de fijación.


