especificaciones principales de los piñones cadena superior
形番:TPSS1100T
Precio estándar
Póngase en contacto con nosotros.
Plazo de entrega
Póngase en contacto con nosotros.
Catálogos y manuales de instrucciones
Cadena aplicable
TPSS, TPUS, TPUS953Y-T-LAP, TPUS-LBP, TPUS-Y-T, TTUPS
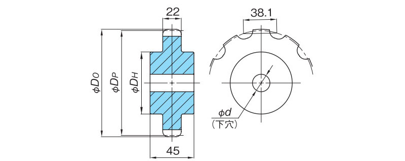
especificaciones principales
| Número de modelo | Número de dientes | Diámetro del círculo primitivo Dp mm | Diámetro exterior Do mm | Orificio del eje forma | orificio piloto mm |
Diámetro del cubo Dh mm |
Masa Aproximada kg |
|---|---|---|---|---|---|---|---|
| TPSS1100T | 11 | 135.2 | 136 | Círculo | 20 | 71 | 2.7 |
| Material | tipo |
|---|---|
| Acero al carbono para estructuras de máquinas | Tipo integrado |
注記
1.上記歯数以外も製作いたします。


