especificaciones principales de la cadena de acumulación curva Superior de plástico tipo TP-36UTW-LAP

TP-36UTW-LAP


Características

  • - Al girar el rodillo se reduce la presión de la línea.
  • - El coeficiente de fricción entre el rodillo y el objeto transportado es 0,07.
  • -Adecuado para líneas donde se acumulan productos transportados.

[Haz clic para ampliar]
*Esta es una imagen de referencia.
Dibujo de contorno en PDF

Póngase en contacto con nosotros.

Datos Planos DXF

Consulte la tabla a continuación.
(Haga clic aquí para obtener una lista de datos DXF)

especificaciones principales, precio, entrega

Paso de cadena mm Radio de curvatura hacia atrás mm
36 160
Acumulación
Símbolo de cadena
(Haga clic en la serie
para obtener más información. )
Material Color de apariencia carga máxima admisible
kN
Velocidad permitida
m/min
Rango de temperatura de funcionamiento
°C
Material del pasador Gráfico de carga admisible
enlace Rodillo Con lubricación Sin lubricación
Baja fricción y resistencia al desgaste Baja fricción y resistencia al desgaste LFW blanco 1.1 100 50 -20~(65)80 SUS304 Muestra gráfico de carga admisible
Número de modelo Ancho de placa
mm
1 unidad de
Número de enlaces
Masa Aproximada
kg/m
DXF
Forma
datos
標準価格/リンク Plazo de entrega
TP-36UTW-LAP 120 85 2.90 DXFPóngase en contacto con nosotros. Póngase en contacto con nosotros.

Nota
1. "●": En stock.
No podemos fabricar ninguna especificación que no esté incluida en la tabla de especificaciones de cadena anterior.
2. El rango de temperatura de funcionamiento (valores entre paréntesis) es para condiciones húmedas.
3. No se pueden fabricar especificaciones de pasadores de plástico.

Detalles de especificaciones aplicables

Especificación Código de especificación De propósito general Reduce la generación de partículas de desgaste. Baja fricción (deslizamiento suave) Alta fricción (evita resbalones) Resistente a productos químicos (resistente a la corrosión) conducción a alta velocidad Utilizado en entornos de alta temperatura Utilizado en entornos de baja temperatura Utilizar únicamente en condiciones secas. Excelente conductividad Resistente a los golpes resistente a los rayos UV Prevenir el crecimiento de hongos Los escombros pueden detectarse mediante detección de metales.
estándar
serie
Baja fricción / antidesgaste LFW           
  • Nota) ◎: Excelente, ●: Bueno, ▲: Regular

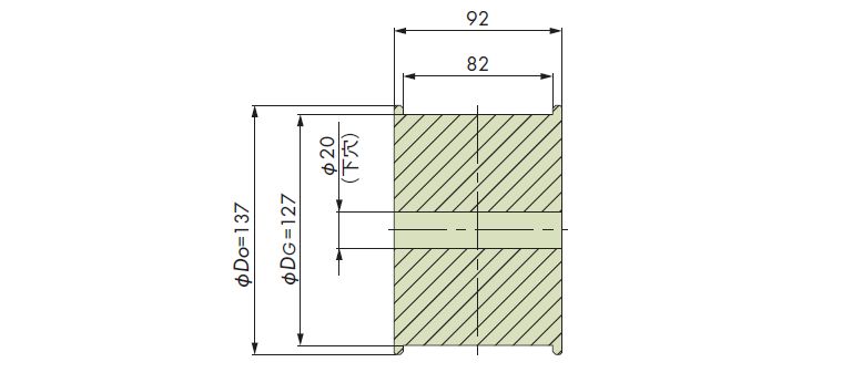
Piñón aplicable

*Haga clic en el número de modelo para ver información detallada. Haga clic en la imagen para ampliarla.


Número de modelo Número de dientes Diámetro del círculo primitivo
mm
dimensiones del orificio del eje
mm
Tipo
TP-36UT-13T 13 150.42 Si lo solicitan, consideraremos la producción.
Responderemos a su solicitud.
Tipo integrado

Rueda tensora aplicable

*Haga clic en el número de modelo para ver información detallada. Haga clic en la imagen para ampliarla.


Número de modelo número real de dientes Diámetro exterior
mm
orificio piloto
mm
Tipo
TP-IW36UTW-13T 13 137 Si lo solicitan, consideraremos la producción.
Responderemos a su solicitud.
Tipo integrado

Riel de plastico aplicable

*Haga clic en el número de modelo para ver información detallada. Haga clic en la imagen para ampliarla.



carril Símbolo del material Número de modelo Espesor
mm
Ancho
mm
Unidad principal Placa final
Tipo PR-PH PLF PR-PH□□□-PLF PR-PH□□□E-PLF 3~5 20~40
Tipo de relaciones públicas M PR520-M PRE520-M 5 20

Este Riel de plastico no es resistente al calor ni a los productos químicos.
Si utiliza el producto en un entorno especial o en condiciones especiales, póngase en contacto con nosotros.

×
(Puedes moverlo arrastrándolo)

Serie Estándar [Código de especificación: Ninguno, G, W, B, BL, A]

Poliacetal de uso general empleado para enlaces de cadena

Color de apariencia: Gris

Color de apariencia: Blanco

Color de apariencia: Azul

Color de apariencia: Azul cielo

■ Tipo de uso general
Es apto para uso general ya que utiliza resina de poliacetal de grado general con excelentes propiedades mecánicas.
■ Antiestático
Posee una función antiestática que evita la adhesión de polvo y partículas de desgaste causada por la electricidad estática.
(Color de apariencia: Gris, Azul, Verde, Azul Cielo solamente) Nota 2
  • Nota: 1. Los productos con el código de especificación «Ninguno», «B» o «G» incluyen aquellos que no cumplen con la Ley de Higiene Alimentaria (Notificación n.º 370 del Ministerio de Salud y Bienestar). Para obtener más información, haga clic aquí.
  • Nota 2: Algunos productos tienen códigos de especificación. Consulte información del producto para obtener más detalles.
  • Nota 3. Consulte la página de cada producto para conocer el color exterior y si tiene o no funcionalidad antiestática.
  • Nota 4: Hay algunos productos que no se describen como "Serie Estándar", como Mesas con Rodillo pPástico y Cadenas Universales de Plástico.
×
(Puedes moverlo arrastrándolo)

Baja fricción / antidesgaste [Código de especificación: LF]

Eslabones de cadena de poliacetal Baja fricción / antidesgaste

Color de apariencia: Blanco [LFW]

Color de apariencia: Verde [LFG]

Color de apariencia: Marrón [LFB]

■ Propósito

  • Puede utilizarse para una variedad de propósitos
  • Cuando las condiciones de operación son severas (alta velocidad, alta tensión), la cadena se desgasta rápidamente y el ciclo de reemplazo de la cadena es corto según Serie Estándar
  • Cuando la presión de la línea es alta y se desea especialmente evitar arañazos en el producto
■ Protección de los artículos transportados
Reduce la presión en la línea y los rayones en los productos durante la acumulación debido a su coeficiente de fricción entre un 14% y un 45% menor en comparación con la Serie Estándar
■ Larga vida útil (en comparación con Serie Estándar)
Debido a la reducción de la tensión de la cadena, la vida útil de la cadena se mejora entre 1,2 y 2 veces en comparación con Serie Estándar.
■ Ramificación y recogida fluidas de los artículos transportados
■ Reducción de los requisitos de energía
■Rendimiento de alargamiento por desgaste de especificaciones Serie Estándar, LF y ALF
  • Nota)
    Los productos con el código de especificación "LFB" incluyen aquellos que no cumplen con la Ley de Higiene Alimentaria (Notificación n.º 370 del Ministerio de Salud y Bienestar). Para obtener más información, haga clic aquí.
×
(Puedes moverlo arrastrándolo)

Baja fricción / antidesgaste [Código de especificación: CB]

Eslabones de cadena fabricados con poliacetal especial Baja fricción / antidesgaste

Color de apariencia: Azul [CB]

■ Propósito

  • Cuando la presión de la línea es alta y se desea especialmente evitar arañazos en el producto
  • Nota)
    Dado que contiene un lubricante a base de silicona, no lo utilice en áreas donde exista riesgo de que la tinta se corra durante el proceso de impresión o en condiciones donde la silicona tenga un efecto adverso.
■ Protección de los artículos transportados
Reduce la presión en la línea y los rayones en los productos durante la acumulación debido a su menor coeficiente de fricción en comparación con la Serie Estándar.
■ Ramificación y recogida fluidas de los artículos transportados
■ Reducción de los requisitos de energía
■ Solo son aplicables los siguientes tipos de cadena.
  • Solo modelos WT2515G-M, WT2515-W, WT2515G-W, WT2515F-W y TTUPM838H.
×
(Puedes moverlo arrastrándolo)

Serie avanzada resistente al desgaste y baja fricción [Código de especificación: ALF]

Eslabones de cadena fabricados en poliacetal Baja fricción / antidesgaste

Color de apariencia: Azul claro [ALF]

■ Propósito

  • Un proceso previo a la máquina de envasado donde no se pueden utilizar lubricantes y las partículas de desgaste son inaceptables.
  • Procesos lubricados en seco en la industria de bebidas
  • Transportador con acumulación
  • Industria de bebidas, máquina de inspección/cinta transportadora de impresión, filtro individual y otros procesos con altas velocidades de cadena.
  • Nota: 1. Este producto contiene un lubricante a base de silicona, por lo que no lo utilice en áreas donde exista riesgo de que la impresión se desprenda durante el proceso de impresión o en condiciones en las que la silicona pueda tener un efecto adverso.
  • Nota 2: La serie ULF se suspendió desde octubre de 2018.
■ Protección de los artículos transportados
Este es nuestro material original desarrollado mediante la mezcla de un lubricante a base de silicona para el transporte en seco. Manteniendo el mismo coeficiente de fricción que la especificación ULF anterior, reduce significativamente la cantidad de partículas de desgaste generadas en condiciones sin lubricación.
■ Ramificación y recogida fluidas de los artículos transportados
■ Reducción de los requisitos de energía
■ Comparación del desgaste con la antigua especificación ULF
65%down
  • *El gráfico anterior muestra los resultados de nuestras pruebas internas. El volumen de desgaste de la antigua especificación ULF se establece en 100 (estándar).
  • *Las especificaciones ALF reducen la generación de partículas de desgaste, especialmente para Riel de plastico, en comparación con las antiguas especificaciones ULF. Si desea reducir aún más la generación de partículas de desgaste, le recomendamos usar Riel de plastico Baja fricción / antidesgaste (PLF).
×
(Puedes moverlo arrastrándolo)

Especificación de baja fricción [Código de especificación: NLF]

enlaces de cadena de poliacetal de baja fricción

Color de apariencia: Gris oscuro [NLF]

■ Propósito

  • Puede utilizarse para una variedad de propósitos
  • Cuando la presión de la línea es alta y se desea especialmente evitar arañazos en el producto
■ Protección de los artículos transportados
Reduce la presión en la línea y los rayones en los productos durante la acumulación debido a su coeficiente de fricción entre un 10% y un 30% menor en comparación con la Serie Estándar
■ Ramificación y recogida fluidas de los artículos transportados
■ Reducción de los requisitos de energía
  • * Tensión admisible es la misma que Serie Estándar.
×
(Puedes moverlo arrastrándolo)

Especificación de baja fricción [Código de especificación: WR]

Poliacetal resistente a la corrosión utilizado para eslabones de cadena

Color de apariencia: Verde oscuro [WR]

■ Propósito

  • Al utilizar productos químicos como el hipoclorito de sodio
  • Cuando la presión de la línea es alta y se desea especialmente evitar arañazos en el producto
■ Protección de los artículos transportados
Reduce la presión en la línea y los rayones en los productos durante la acumulación debido a su coeficiente de fricción entre un 7% y un 28% menor en comparación con la Serie Estándar
■ Resistencia a la corrosión
Presenta una mayor resistencia a la corrosión por hipoclorito de sodio y otras sustancias, lo que lo hace adecuado para cintas transportadoras de bebidas y alimentos.
■ Ramificación y recogida fluidas de los artículos transportados
■ Reducción de los requisitos de energía
  • Tensión admisible es la misma que Serie Estándar.
×
(Puedes moverlo arrastrándolo)

Especificaciones de resistencia al calor y alta velocidad [Código de especificación: KV]

Plástico de ingeniería especial utilizado para eslabones de cadena

Color de apariencia: Negro [KV150, KV180, KV250]

■ Propósito

  • Procesos de laminación de paneles solares en el transporte
  • Transporte de placas de circuitos impresos después de salir del horno de secado
  • Transporte dentro del horno de contracción
  • Transporte de ollas arroceras
  • Transporte a la salida del horno de pan
  • Transporte en diversos hornos de secado
  • Transporte durante el proceso de limpieza con agua caliente y productos químicos altamente concentrados
  • Transporte en el proceso de secado de jeringas
  • Transporte de alta velocidad en la salida de la máquina de cierre de las máquinas de llenado y tapado de bebidas.
  • Notas: 1. KV150 no cumple con la Ley de Sanidad Alimentaria (Notificación del Ministerio de Salud y Bienestar No. 370).
  • Nota) 2. KV150 es solo para condiciones secas.
  • Nota 3: Consulte también las precauciones de uso para las especificaciones de resistencia al calor y alta velocidad (KV) en el catálogo.
  • Nota 4. Rango de temperatura de funcionamiento: -20 a 150 °C (KV150), -20 a 180 °C (KV180), -20 a 250 °C (KV250)
■ Temperatura ambiente máxima
  • 150 ℃ (código de especificación): KV150
  • 180 ℃ (código de especificación): KV180
  • 250 ℃ (código de especificación): KV250
■ Velocidad máxima
200 m/min (para Cadena superior de plástico)
■ Resistencia química
Posee una excelente resistencia a los productos químicos de limpieza y desinfección.
■ Conductividad
La resistencia superficial es baja y libre de estática (1 x 10 6 Ω·cm), lo que la hace adecuada para evitar la adhesión de polvo y chispas.
■ Retardante de llama
Clase V-0 según norma UL (clase de alta resistencia al fuego)

Nota: Excluyendo KV150

■ Ruido
Es de 2 a 3 dB más alto (en comparación con Serie Estándar).
■ Ejemplos de tipos de cadena aplicables
  • Tipo BTC6, tipo TPU826-T, tipo RSP40, etc.
×
(Puedes moverlo arrastrándolo)

Baja fricción / antidesgaste [Código de especificación: HG]

Eslabones de cadena de poliacetal Baja fricción / antidesgaste

Color de apariencia: Azul marino [HG]

■ Propósito

  • Un proceso previo a la máquina de envasado donde no se pueden utilizar lubricantes y las partículas de desgaste son inaceptables.
  • Industria de bebidas, máquina de inspección/cinta transportadora de impresión, filtro individual y otros procesos con altas velocidades de cadena.
  • Procesos lubricados en seco en la industria de bebidas
  • Nota)
    No cumple con la Ley de Higiene Alimentaria (Notificación N° 370 del Ministerio de Salud y Bienestar).
    Sin embargo, hemos confirmado que no se ha producido ninguna filtración de las sustancias especificadas en la prueba estándar de embalaje del equipo y del contenedor (resina sintética).
■ Medidas contra las partículas de desgaste
Ofrece una resistencia al desgaste un 20 % superior a la especificación de Baja fricción / antidesgaste (LF), y puede sustituirse por la especificación Baja fricción / antidesgaste (HG) sin modificar el transportador ni cambiar los piñones. (Al sustituir la cadena, recomendamos también sustituir los rieles. En el caso de Riel de plastico, en particular, recomendamos Baja fricción / antidesgaste (PLF).)
■ Protección de los artículos transportados
Reduce la presión en la línea y los rayones en los productos durante la acumulación debido a su coeficiente de fricción, que es igual a la serie LF, entre un 15% y un 45% menor en comparación con la serie estándar.
■ Comparación del volumen de fricción con diversas especificaciones
20%down
  • *El gráfico superior muestra los resultados de nuestras pruebas internas. El volumen de desgaste de la especificación LF se establece en 100 (estándar). Tipo de cadena: TTP826, Velocidad de la cadena: 60 m/min, Temperatura ambiente, Condiciones secas.
  • Nota
    Cadena resistente al desgaste de la empresa A, etc., fabricada por la empresa A. Material del eslabón: poliéster.
    Cadena resistente al desgaste de la empresa B, etc., fabricada por la empresa B. Material del eslabón: poliacetal.
■ Ejemplos de tipos de cadena aplicables
  • Tipo WT1506-K, tipo TTP826, tipo RSP50, etc.
×
(Puedes moverlo arrastrándolo)

Especificación para altas temperaturas [Código de especificación: HTW]

eslabones de cadena de polipropileno

Color de apariencia: Blanco [HTW]

■ Propósito

  • Cadenas para calentadores y enfriadores de pasta en fábricas de bebidas y alimentos
  • Línea de transporte de baterías
  • Cinta transportadora ligeramente inclinada
■ Temperatura ambiente máxima: 105 ℃
Ideal para calentadores y enfriadores de pasta en fábricas de bebidas donde hay agua caliente.
■ Resistencia química
Posee una excelente resistencia química, incluyendo ácidos y álcalis.
■ Alta fricción
El coeficiente de fricción es aproximadamente de 1,2 a 1,6 veces superior al de las Serie Estándar. Puede utilizarse para transporte en pendientes suaves en condiciones secas.
■ Ligero
Es aproximadamente un 40% más ligero que las cadenas de poliacetal, lo cual resulta eficaz para reducir la potencia necesaria.
■ Ejemplos de tipos de cadena aplicables
  • Tipo WT1907-K, tipo WT2506-K, tipo TTPM500, etc.
  • Notas: 1. El modelo WT2250FG con el código de especificación "HTW" no cumple con la Ley de Sanidad Alimentaria (Notificación del Ministerio de Salud y Bienestar No. 370).
  • Nota) 2. carga máxima admisible es aproximadamente el 40% de Serie Estándar.
  • Nota 3: Rango de temperatura de funcionamiento: de 5 a 105 °C
×
(Puedes moverlo arrastrándolo)

Especificación de alta velocidad: Solo para condiciones secas [Código de especificación: HS]

Plástico de ingeniería especial utilizado para eslabones de cadena

Color de apariencia: Beige [HS]

■ Propósito

  • Transporte de alta velocidad de latas y latas vacías
  • Nota)
    No cumple con la Ley de Higiene Alimentaria (Notificación N° 370 del Ministerio de Salud y Bienestar).
    Sin embargo, hemos confirmado que no se ha producido ninguna filtración de las sustancias especificadas en la prueba estándar de embalaje del equipo y del contenedor (resina sintética).
■ Velocidad máxima
Tiene un valor PV límite alto a 230 m/min (línea recta), lo que evita la fusión durante el transporte a alta velocidad.
■ Ejemplos de tipos de cadena aplicables
  • Tipo TPU826-T, tipo TP-OTD32, etc.
  • Notas: 1. carga máxima admisible es aproximadamente el 80% de Serie Estándar.
  • Nota) 2. Solo tipo de pasador de acero inoxidable.
  • Nota 3. Solo para condiciones secas.
  • Nota 4: Para uso a alta velocidad, utilice rieles de acero inoxidable (especificaciones pulidas laminadas en frío) y, según la aplicación, utilice poliamida especial Riel de plastico (SJ-CNO).
  • Nota 5. Rango de temperatura de funcionamiento: -20 a 50 °C
×
(Puedes moverlo arrastrándolo)

Especificación para bajas temperaturas [Código de especificación: LTW]

eslabones de cadena de polietileno

Color de apariencia: Blanco [LTW]

■ Propósito

  • Transporte de alimentos congelados en una cinta transportadora de congelación
  • transporte de hielo seco
■ Baja temperatura ambiente
Se puede utilizar en entornos de baja temperatura hasta -70 °C.
(Serie Estándar son para temperaturas de hasta -20 °C)
■ Resistencia química
Presenta una excelente resistencia a la corrosión por productos químicos.
■ Solo son aplicables los siguientes tipos de cadena.
  • BTN5, BTC6, BTN6, BTC8
  • Notas: 1. carga máxima admisible es aproximadamente el 33% de Serie Estándar.
  • Nota 2. Si la temperatura es inferior a -20 °C, se requiere un piñón especial. Por favor, póngase en contacto con nosotros.
  • Nota 3. Rango de temperatura de funcionamiento: -70 a 60 °C
×
(Puedes moverlo arrastrándolo)

Especificación de resistencia química [Código de especificación: Y]

Plástico de ingeniería especial utilizado para eslabones de cadena

Color de apariencia: Blanco mate [Y]

■ Propósito

  • Transporte en líneas de fabricación de baterías de iones de litio, etc.
  • Transferencia de placas de circuitos impresos y obleas de silicio en líneas de limpieza
  • Cinta transportadora a la salida de la sala de llenado de bebidas y aséptico
  • Transporte en líneas de producción que requieren limpieza química, como en las fábricas de alimentos.
■ Resistencia química
Es resistente a la corrosión de muchos productos químicos, incluidos disolventes orgánicos, ácidos clorhídricos inorgánicos, álcalis, agentes oxidantes y ácido acético.
■ Resistencia al impacto
En comparación con la serie estándar, es menos probable que la resina se astille.
■ Ejemplos de tipos de cadena aplicables
  • Tipo TTP826, tipo TPRF2040, tipo RSP35, etc.
  • Notas: 1. carga máxima admisible es aproximadamente el 50% de Serie Estándar.
  • Nota) 2. El coeficiente de fricción es el mismo que Serie Estándar.
  • Nota 3. No utilizar cerca de llamas abiertas ni a altas temperaturas.
×
(Puedes moverlo arrastrándolo)

Súper resistencia química [Código de especificación: SY]

Plástico de ingeniería especial utilizado para eslabones de cadena

Color de apariencia: Blanco mate [SY]

■ Propósito

  • Transporte en líneas de fabricación de baterías de iones de litio, etc.
  • Transferencia de placas de circuitos impresos y obleas de silicio en líneas de limpieza
  • Cinta transportadora a la salida de la sala de llenado de bebidas y aséptico
  • Transporte en líneas de producción que requieren limpieza química, como en las fábricas de alimentos.
■ El titanio se utiliza para el material del pasador.
La resistencia química se ha mejorado aún más cambiando el pasador resistente a productos químicos (Y) por uno de titanio (pasador moleteado de diamante).
■ Resistencia química
Presenta una gran resistencia a productos químicos corrosivos como el ácido clorhídrico y el ácido sulfúrico.
■ Ejemplos de tipos de cadena aplicables
  • Tipo TTP826, tipo RSP40, etc.
  • Notas: 1. carga máxima admisible es aproximadamente el 50% de Serie Estándar.
  • Nota) 2. El coeficiente de fricción es el mismo que Serie Estándar.
  • Nota) 3. No se admiten los tipos de pines D ni los tipos de pines de plástico.
  • Nota 4. No utilizar cerca de llamas abiertas ni a altas temperaturas.
  • Nota 5. Rango de temperatura de funcionamiento: -20 a 80 °C
×
(Puedes moverlo arrastrándolo)

Especificación conductiva [Código de especificación: E]

Plástico de ingeniería especial utilizado para eslabones de cadena

Color de apariencia: Negro [E]

■ Propósito

  • Transporte de placas de circuitos impresos después de la soldadura
  • Antes y después del proceso de laminación del panel solar, y transporte a la máquina de corte.
  • Contramedida contra la electricidad estática mediante la acumulación de latas
  • Medidas contra la electricidad estática después del secado en lavadora
  • Transporte de piezas de automóviles (piezas eléctricas)
  • Nota)
    No cumple con la Ley de Higiene Alimentaria (Notificación N° 370 del Ministerio de Salud y Bienestar).
    Sin embargo, hemos confirmado que no se ha producido ninguna filtración de las sustancias especificadas en la prueba estándar de embalaje del equipo y del contenedor (resina sintética).
■ Excelente conductividad
Resistividad eléctrica específica: 1 x 106 Ω·cm o menos (especificación normal: 1 x 1014 a 1015 Ω·cm)
■ Supresión de electricidad estática
Suprime el ruido eléctrico y las chispas.
Nota: Utilice una piñón de acero, un riel o algo similar para conectar a tierra todo el transportador.
■ Ejemplos de tipos de cadena aplicables
  • Tipo WT0705-W, tipo TTP826P, tipo RSP35, etc.
  • Notas: 1. carga máxima admisible es aproximadamente el 70% de Serie Estándar.
  • Nota) 2. El coeficiente de fricción es el mismo que Serie Estándar.
×
(Puedes moverlo arrastrándolo)

Especificaciones de resistencia a impactos: Solo para condiciones secas [Código de especificación: DIA]

Plástico de ingeniería especial utilizado para eslabones de cadena

Color de apariencia: Crema [DIA]

■ Propósito

  • Transporte de piezas de máquinas ligeramente pesadas
  • Cinta transportadora seca para carga directa de alimentos
  • Cinta transportadora de alimentos ligeramente inclinada
  • Nota)
    No cumple con la Ley de Higiene Alimentaria (Notificación N° 370 del Ministerio de Salud y Bienestar).
    Sin embargo, hemos confirmado que no se ha producido ninguna filtración de las sustancias especificadas en la prueba estándar de embalaje del equipo y del contenedor (resina sintética).
■ Ultra resistente a los golpes
La cadena es difícil de astillar al ser sometida a impactos, e incluso si se rompe, los residuos no se fragmentan. Ideal para prevenir la contaminación por cuerpos extraños.
■ Alta fricción
El coeficiente de fricción es 1,2 veces superior al de Serie Estándar. Se puede utilizar en pendientes suaves en condiciones secas.
■ Ligero
Es aproximadamente un 20% más ligero que cadena superior de poliacetal, lo que facilita su manejo y resulta eficaz para reducir la potencia necesaria.
■ Resistencia al impacto (resistencia al astillamiento al recibir un impacto)
■ Ejemplos de tipos de cadena aplicables
  • Tipo BTC8H-826-M, tipo TPUSR550-T, tipo RSP60-2, etc.
  • Notas: 1. carga máxima admisible es aproximadamente el 75% de Serie Estándar.
  • Nota 2. Solo para condiciones secas.
×
(Puedes moverlo arrastrándolo)

Resistente a los impactos: Apto para condiciones secas y húmedas [Código de especificación: DIY]

Plástico de ingeniería especial utilizado para eslabones de cadena

Color de apariencia: Verde [DIY]

■ Propósito

  • Transporte de alimentos o contenedores en condiciones húmedas
  • Cuando se desinfecta y limpia con frecuencia
  • Si está utilizando una cadena de poliacetal y tiene problemas con el astillado
  • Nota)
    No cumple con la Ley de Higiene Alimentaria (Notificación N° 370 del Ministerio de Salud y Bienestar).
    Sin embargo, hemos confirmado que no se ha producido ninguna filtración de las sustancias especificadas en la prueba estándar de embalaje del equipo y del contenedor (resina sintética).
■ Resistencia al impacto
En comparación con la resina de poliacetal, es menos probable que se astille incluso cuando se somete a un impacto.
■ Resistencia química
Posee una excelente resistencia a los productos químicos de limpieza y esterilización, lo que lo hace adecuado para transportadores que se esterilizan y limpian con frecuencia.
■ Sin adhesivo
Esto tiene el efecto de evitar que los objetos transportados se adhieran a la cadena.
■ Resistencia al impacto (resistencia al astillamiento al recibir un impacto)
■ Resistencia a los rayos UV
Tiene mejor resistencia a la intemperie que la resina de poliacetal.
■ Ejemplos de tipos de cadena aplicables
  • Tipo BTC6, tipo TPRF2040, tipo RSP60, etc.
  • Notas: 1. carga máxima admisible es aproximadamente el 75% de Serie Estándar.
  • Nota) 2. El coeficiente de fricción es el mismo que Serie Estándar.
  • Nota 3. Dependiendo de las condiciones atmosféricas, como las bajas temperaturas, pueden desprenderse fragmentos de resina.
  • Nota 4. No utilizar cerca de llamas abiertas ni a altas temperaturas.
×
(Puedes moverlo arrastrándolo)

Especificación de fricción media: Solo para condiciones secas [Símbolo de especificación: MF]

Poliacetal especial utilizado para eslabones de cadena

Color de apariencia: Amarillo [MF]

■ Propósito

  • transporte inclinado de 3 a 5°
  • Evita que los artículos se deslicen excesivamente en las cintas transportadoras de inspección e impresión.
    *Depende del artículo que se transporte.
■ Ideal para transporte inclinado
Material de fricción media-alta adecuado para el transporte inclinado.
■ Transporte estable
Es adecuado para evitar la desalineación de los artículos transportados cuando la cinta transportadora arranca y se detiene, y para prevenir el deslizamiento debido a la aceleración.
■ Ejemplos de tipos de cadena aplicables
  • Tipo BTC6, tipo TTUP826P, tipo RSP40, etc.
  • Notas: 1. carga máxima admisible es aproximadamente el 75% de Serie Estándar.
  • Nota) 2. El coeficiente de fricción es 1,1 veces el de Serie Estándar.
  • Nota 2. Solo para condiciones secas.
  • Nota 4: Rango de temperatura de funcionamiento: -20 a 80 °C
×
(Puedes moverlo arrastrándolo)

Resistente al calor, a la radiación y al vacío [Código de especificación: PK150]

Resina PEEK utilizada para eslabones y pasadores de cadenas

Color de apariencia: Marrón claro [PK150]

■ Propósito

  • Entornos de alta temperatura como hornos de secado y unidades de transferencia de entrada/salida para hornos.
  • En un entorno donde se utilizan productos químicos, como en la limpieza y esterilización de la sala de llenado.
  • Transporte en un entorno de vacío
■ Temperatura ambiente máxima: 150 ℃
■ Resistencia química
Presenta una excelente resistencia a la corrosión por productos químicos.
■ Resistencia a la radiación
Posee la mayor resistencia a la radiación de cualquier resina termoplástica.
■ Bajas emisiones de gases en el vacío
■ Fabricado con materiales aprobados por la FDA (Administración de Alimentos y Medicamentos)
■ Tipo de cadena aplicable
  • WT0405-W
  • Nota: Rango de temperatura de funcionamiento: -20 a 150 °C
×
(Puedes moverlo arrastrándolo)

Especificaciones antibacterianas y antifúngicas [Código de especificación: MWS]

Eslabones de cadena fabricados en poliacetal antibacteriano Baja fricción / antidesgaste

Color de apariencia: Crema [MWS]

■ Propósito

  • Medidas de limpieza en las plantas embotelladoras
  • Transportadores que están húmedos debido a la humedad del proceso o a la condensación
    (Especialmente la entrada y salida del equipo de ducha y la sección de descarga del equipo de retorta)
  • Debido a las condiciones ambientales, la cinta transportadora tiende a ensuciarse, por lo que se requiere la prevención contra el moho.
■ Antibacteriano y antifúngico
Utiliza un agente antibacteriano original desarrollado conjuntamente con el fabricante de agentes antibacterianos Además de ser eficaz contra las bacterias más peligrosas de la industria alimentaria, como el bacilo de colon (E. coli), el estafilococo y el lactobacilo, sus propiedades antimoho son efectivas contra el moho azul y otras formas de moho.
■ Sostenibilidad
El agente antibacteriano utilizado es inorgánico y mantiene su eficacia a largo plazo. Al incorporarse al material plástico durante la fabricación, se distribuye uniformemente por toda la unión, conservando sus propiedades antibacterianas y antifúngicas incluso con el desgaste de la superficie.
■ Seguridad
Contiene un agente antibacteriano de alta seguridad. El material base no cumple con la Ley de Higiene Alimentaria (Notificación N° 370 del Ministerio de Salud y Bienestar).
Sin embargo, hemos confirmado que no se ha producido ninguna filtración de las sustancias especificadas en la prueba estándar de embalaje del equipo y del contenedor (resina sintética).
La seguridad se ha mejorado aún más añadiendo funciones antibacterianas y antifúngicas.
■ Alta funcionalidad
El agente antibacteriano prácticamente no afecta el rendimiento, y el caucho presenta una excelente Baja fricción / antidesgaste. El material del eslabón es de Baja fricción / antidesgaste (LF).
  • Notas: 1. carga máxima admisible es la misma que Serie Estándar.
  • Nota 2: El coeficiente de fricción es el mismo que Baja fricción / antidesgaste (LF).

Propiedades antibacterianas y antifúngicas

35℃ x 24 horas (Saccharomyces)
producto equivalente a la especificación LF Especificaciones de MWS

*Método de prueba
JIS Z2801:2010

  • Solicitante de la prueba: Hygiene Microbiology Research Center Co., Ltd.
  • Informe de ensayo emitido el 12 de octubre de 2020
  • Número de informe de ensayo 2020D-BT-0808

Resultados de la prueba antibacteriana (en comparación con la ausencia de agente antibacteriano)

Bacterias analizadas elemento de prueba Inmediatamente después de la inoculación 35 °C x 24 horas después
E. coli MWS 1.5 X 104 38
(Sin agentes antibacterianos) 1.5 X 104 22 X 106
Staphylococcus aureus MWS 1.6 X 104 No detectado
(Sin agentes antibacterianos) 1.6 X 104 1.5 X 105
Saccharomyces
(un tipo de levadura)
MWS 2.5 X 104 No detectado
(Sin agentes antibacterianos) 2.5 X 104 1.4 X 104
Lactobacillus MWS 6.4 X 105 1.3 X 102
(Sin agentes antibacterianos) 6.4 X 105 6.9 X 104
Escherichia coli patógena
O-157(H7)
MWS 1 X 103.9 No detectado
(Sin agentes antibacterianos) 1 X 103.9 1 X 103.4

Resultados de la prueba de crecimiento de moho (comparados con la ausencia de agente antibacteriano)

molde de prueba elemento de prueba 7 días después 14 días después 21 días después
Moho negro Especificaciones de MWS 0 0 0
(Sin agentes antibacterianos) 0 1 2

●Cómo mostrar los resultados de las pruebas

mostrar Contenido de la pantalla
0 No se observa crecimiento de moho a simple vista ni bajo el microscopio. En algunos casos, puede observarse una zona de inhibición.
1 No se observa moho a simple vista, pero sí bajo un microscopio.
2 El crecimiento del micelio es leve, y el área de la parte en crecimiento no supera el 25% del área total.
3 El crecimiento del micelio es moderado, con un área de crecimiento que representa entre el 25 y el 50% del área total.
4 El micelio crece bien, y el área de la parte cultivada es del 50 al 100% del área total.
5 El micelio crece vigorosamente y cubre toda la superficie.

*Método de prueba
JIS Z2911-2000 (Método A)

  • Organización de pruebas Ishizuka Glass Co., Ltd.
  • Informe de ensayo emitido el 25 de septiembre de 2020
×
(Puedes moverlo arrastrándolo)

Especificaciones de detección de metales [Código de especificación: MPD/MPW]

Plástico de ingeniería especial utilizado para eslabones de cadena

Color de apariencia: Negro [MPD/MPW]

■ Propósito

  • Transporte de compuestos de caucho
  • Cinta transportadora para colocar los alimentos directamente delante de la máquina de envasado.
  • Transporte de fideos directamente sobre la cinta transportadora (Código de especificación: MPW)
  • Transporte de bandejas en fábricas de panadería (código de especificación: MPD)
  • Nota)
    No cumple con la Ley de Higiene Alimentaria (Notificación N° 370 del Ministerio de Salud y Bienestar).
    Sin embargo, hemos confirmado que no se ha producido ninguna filtración de las sustancias especificadas en la prueba estándar de embalaje del equipo y del contenedor (resina sintética).
■ Puede ser detectado por detectores de metales
Incluso si la cadena se rompe y se mezcla con alimentos o compuestos de caucho, puede ser detectada por un detector de metales y se puede evitar que se filtre.
■ Resistencia al impacto
Incluso si se produce un impacto, es menos probable que los fragmentos salgan despedidos.
■ Ejemplos de tipos de cadena aplicables
  • Tipo TTUP826, tipo RSP60-CU-2, etc.
  • Notas: 1. Las especificaciones MPD son solo para condiciones secas, mientras que las especificaciones MPW son para condiciones secas y húmedas.
  • Nota 2) carga máxima admisible para la especificación MPD es aproximadamente el 80% de la de Serie Estándar, y carga máxima admisible para la especificación MPW es aproximadamente el 40% de la de Serie Estándar.
  • Nota 3. Rango de temperatura de funcionamiento: -20 a 80 °C (MPD), -20 a 60 °C (MPW)
×
(Puedes moverlo arrastrándolo)

Especificaciones de resistencia a bajas temperaturas y productos químicos [Código de especificación: UPE]

Para los enlaces de la cadena se utiliza polietileno de ultra alto peso molecular.

Color de apariencia: Blanco mate [UPE]

■ Propósito

  • Almacenamiento y transporte de alimentos congelados
  • Transporte de alimentos congelados en una cinta transportadora de congelación
  • Transporte de alimentos que requieren limpieza química o medidas de prevención de la contaminación
  • Transporte de baterías secundarias y otros artículos que requieren resistencia química.
  • En un entorno donde se utilizan productos químicos, como en la limpieza y esterilización de la sala de llenado.
■ Baja temperatura ambiente
Se puede utilizar en temperaturas ambiente bajas de -70 °C (Serie Estándar son de hasta -20 °C)
■ Resistencia al impacto
Posee una resistencia al impacto extremadamente alta y es difícil que se mezclen materias extrañas, incluso cuando se utiliza en un entorno de baja temperatura.
En comparación con la resina de poliacetal, tiene 13 veces más resistencia al impacto cuando se utiliza en una atmósfera a temperatura ambiente y 26 veces más resistencia al impacto cuando se utiliza en una atmósfera a baja temperatura.
■ Resistencia a la abrasión
El desgaste cuando se utiliza en un entorno a temperatura ambiente se reduce en aproximadamente un 80% en comparación con la resina de poliacetal.
■ Resistencia química
Presenta una excelente resistencia a la corrosión por productos químicos.
■ Fabricado con materiales aprobados por la FDA (Administración de Alimentos y Medicamentos)
■ Tipo de cadena aplicable
  • RSP80
  • Notas: 1. carga máxima admisible es aproximadamente el 30% de Serie Estándar.
  • Nota 2. Rango de temperatura de funcionamiento: -70 a 60 °C
  • Nota 3. Si la temperatura es inferior a -20 °C, se requiere un piñón especial. Póngase en contacto con nosotros para obtener más información.
  • Nota 4: Se recomienda el acero inoxidable (laminado en frío) para tira de desgaste. No se recomienda el UHMW-PE (polietileno de ultra alto peso molecular) ya que es el mismo material.
×
(Puedes moverlo arrastrándolo)

Especificación resistente a los ácidos [Código de especificación: AR]

Poliacetal especial utilizado para eslabones de cadena

Color de apariencia: Blanco [AR]

■ Resistencia a la corrosión
Tiene mejor resistencia a la corrosión que Serie Estándar y Baja fricción / antidesgaste (LF).
■ Medidas de prevención de la corrosión
Adecuado para prevenir la corrosión causada por agua jabonosa que contiene hipoclorito de sodio.
■ Ejemplos de tipos de cadena aplicables
  • Tipo TTP826, tipo RSP35, etc.
  • Nota: 1. Dado que se corroerá con ácidos fuertes y álcalis fuertes, utilice las especificaciones resistentes a productos químicos (Y) o súper resistentes a productos químicos (SY).
  • Nota) 2. carga máxima admisible es aproximadamente el 90% de Serie Estándar.
  • Nota) 3. El coeficiente de fricción es el mismo que Serie Estándar.
  • Nota) 4. El tipo de pasador de plástico no está disponible.
  • Nota 5. No se puede utilizar en condiciones en las que vaya a estar expuesto a agua caliente a 60 °C o más.
  • Nota 6. Rango de temperatura de funcionamiento: -20 a 80 °C (60) (60) es en condiciones húmedas.
×
(Puedes moverlo arrastrándolo)

Resistente a los rayos UV [Símbolo de especificación: UVR]

Poliacetal especial utilizado para eslabones de cadena

Color de apariencia: Gris claro [UVR]

■ Propósito

  • El transporte al aire libre, donde está expuesto a los rayos ultravioleta, puede provocar daños en el producto.
  • Contramedida contra la degradación UV para una vida útil más larga que la serie estándar
■ Resistencia a los rayos UV
En comparación con Serie Estándar y Baja fricción / antidesgaste (LF), este producto tiene una resistencia superior a la degradación UV (decoloración y pérdida de resistencia) en exteriores.
■ Ejemplos de tipos de cadena aplicables
  • Tipo TTP826, tipo TTPH826P, tipo RSP50, etc.
  • Notas: 1. carga máxima admisible y el coeficiente de fricción son los mismos que los de Serie Estándar.
  • Nota) 2. También está disponible el tipo de pasador de plástico.
  • Nota 3. Rango de temperatura de funcionamiento: -20 a (60) 80 °C. (60) es para condiciones húmedas de tipo de pasador de plástico.
×
(Puedes moverlo arrastrándolo)

Especificaciones para el transporte de alimentos [Código de especificación: PFS]

Poliacetal utilizado para enlaces de cadena

Color de apariencia: Azul Nilo [PFS]

■ Propósito

  • Transporte durante el proceso de enfriamiento a temperatura ambiente en una línea de producción de pan.
  • Otros medios de transporte en las líneas de producción de alimentos
■ Cumple con la normativa PIM (Reglamento Europeo de Instalaciones de Plásticos)
Utilizamos materiales originales de Tsubaki que cumplen con la normativa PIM (Reglamento Europeo de Aplicación de la Normativa sobre Plásticos).
■ Ejemplos de tipos de cadena aplicables
  • Tipo TTP826, tipo RSP40-T-CU, etc.
  • Notas: 1. carga máxima admisible y el coeficiente de fricción son los mismos que los de Serie Estándar.
  • Nota 2. El PIM (Manual de Implementación de Plásticos) es un conjunto de reglas que son esenciales para la venta de productos de plástico destinados a ser utilizados en contacto directo con bienes en Europa.
  • Nota 3. El tipo de pasador de plástico no cumple con el PIM (Reglamento Europeo de Instalación de Plásticos).
×
(Puedes moverlo arrastrándolo)

Especificación de biomasa (BP) [Código de especificación: BP]

Los eslabones están hechos de plástico de biomasa ecológico.

Color de apariencia: Verde oscuro [BPG]

■ Productos respetuosos con el medio ambiente
Al utilizar plásticos de biomasa respetuosos con el medio ambiente derivados de plantas, no solo podemos conservar los recursos petrolíferos, sino que también esperamos reducir las emisiones de CO2 debido a la neutralidad de carbono de los plásticos de biomasa.

*Plástico de biomasa: Un material plástico fabricado a partir de recursos orgánicos renovables como las plantas.


■ Ejemplos de tipos de cadena aplicables
  • Solo tipo RSP40
  • Notas: 1. carga máxima admisible es aproximadamente el 36% de Serie Estándar.
  • Nota 2. Rango de temperatura de funcionamiento: -20 a 80 °C
  • Nota 3. Solo para condiciones secas.
  • Nota 4: Recomendamos usar el producto con una humedad ambiental de entre el 20 % y el 80 %. Si desea usarlo con una humedad ambiental diferente, póngase en contacto con nosotros.
  • Nota 5. No cumple con la Ley de Sanidad Alimentaria (Notificación del Ministerio de Salud y Bienestar No. 370).
  • Nota 6. Debido a las características del material de la especificación de biomasa (BP), pueden producirse ligeras variaciones de color. Esto no afecta al rendimiento del producto.