especificaciones principales acoplamiento ECHT-FLEX serie NES
形番:NES1300W-N**CXN**C
Dibujo de contorno en PDF
Aviso importante: Sobre errores en los dibujos en PDF
Del 4 al 23 de agosto de 2017
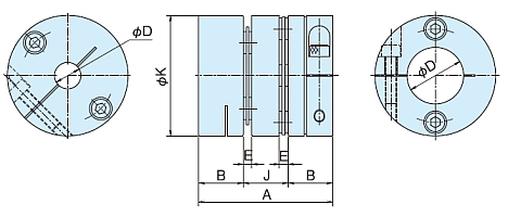
Tipo espaciador y buje estándar x buje estándar
Al combinar, utilice accidentalmente un solo tipo
El dibujo fue generado.
Nos disculpamos sinceramente con los clientes que descargaron dibujos de los modelos relevantes durante el período mencionado anteriormente, pero les pedimos que los descarguen nuevamente.
Datos Planos DXF
El diámetro mínimo del orificio para el tamaño aplicable,
Se muestra el diámetro máximo del orificio.
(Haga clic aquí para ver una lista de datos DXF)
Datos CAD 3D
Precio estándar
お問合せください
Plazo de entrega
お問合せください
| ※ | Los datos CAD 3D se proporcionarán a través de un enlace al sitio Biblioteca de planos CAD de CADENAS Web2CAD Co., Ltd. "PARTcommunity". |
| ※ | Para consultas sobre datos CAD 3D y PARTcommunity, póngase en contacto con Cadenas Web2CAD. Cadenas Web to CAD Co., Ltd. TEL: (03)5961‐5031 FAX: (03)5961‐5032 |
Catálogos y manuales de instrucciones
Tabla de dimensiones y capacidad de transmisión
| Par admisible | Nota 1) el mejor girar velocidad r/min |
Nota 4) Diámetro del orificio del eje ΦD mm |
Dimensiones en mm | Rigidez torsional | ||||||||||
|---|---|---|---|---|---|---|---|---|---|---|---|---|---|---|
| Diámetro del orificio del eje rango |
estándar Diámetro del orificio del eje |
A | B | E | ΦK | J | Eje pasante máximo posible Diámetro del eje |
Acoplamiento completo | Solo disco | |||||
| N・m | {kgf・m} | N・m/rad | {kgf・m/rad} | N・m/rad | {kgf・m/rad} | |||||||||
| 130 | 13 | 10000 | 20~35 | Consulte la tabla a continuación. | 97.9 | 31.5 | 5.2 | 82 | 34.9 | 35 | 46000 | 4700 | 110000 | 11000 |
| Dirección axial Constante de resorte |
Nota 3) Desalineación admisible |
Nota 2) masa gramo |
Nota 2) inercia Momento kg·m 2 |
Nota 2) Día 2 {kgf・ cm2} |
|||
|---|---|---|---|---|---|---|---|
| N/mm | {kgf/mm} | desalineación angular grado |
Error paralelo mm |
Desplazamiento axial mm |
|||
| 33 | 3.4 | 2.0 | 0.52 | ±1.8 | 1200 | 1100×10-6 | 45 |
Nota)
1. La velocidad máxima de rotación no es un valor que tenga en cuenta el equilibrio dinámico.
2. Masa, momento de inercia y GD 2 son valores para el diámetro máximo del agujero.
3. La desalineación permitida es el valor cuando las otras dos desalineaciones son cero.
4. La tolerancia recomendada para el eje de montaje es h7. Sin embargo, el diámetro del eje Φ35 es compatible con ejes de servomotores con una tolerancia de +0,010 a 0.
Lista de diámetros de orificio estándar y par de transmisión para cada diámetro de orificio (N・m)
| tornillo tamaño | Par de apriete | Par de transmisión N・m | ||||||||
|---|---|---|---|---|---|---|---|---|---|---|
| N・m | {kgf・m} | Diámetro del orificio estándar mm | ||||||||
| Φ20 | Φ22 | Φ24 | Φ25 | Φ28 | Φ30 | Φ32 | Φ35 | |||
| M6 | 12 | 1.22 | 107 | 118 | 130 | 130 | 130 | 130 | 130 | 130 |


