Opción de motor con freno para Cilindro de Potencia, común a las series U, T y G.
Está disponible como opción un motor equipado con freno especial para adaptarse a una variedad de entornos y regiones.
- Resistencia al calor
- impermeable
- variador de frecuencia
- A prueba de explosiones
- Alta eficiencia
- Normas en el extranjero
- Instalación del motor por parte del cliente
Ejemplo de visualización del número de modelo
| LP | T | C | 4000 | L | 10 | V | T1 | LJ | - | TK |
| | Nombre de la serie (UTG.) |
| Símbolo de voltaje |
| | |
| *Por favor agregue -TK al final. |
|||||||
| Opciones de motor | ||||||||||
Variaciones del motor de freno
| motor | Especificación | símbolo | Capacidad aplicable (kW) |
Temperatura ambiente admisible *1 |
Clase de resistencia al calor *2 |
ciclo de trabajo porcentual %ED |
Clasificación de tiempo | Para frenos Fuente de alimentación |
Clase de protección |
|---|---|---|---|---|---|---|---|---|---|
| Estándar (0,1~3,7 kW) | Clase de resistencia al calor B | - | 0.1~3.7 | -15~40℃ | B | 25 | S2 30min | Caja de terminales incorporada | IP55 |
| Estándar (5,5~15 kW) | Clase de resistencia al calor B | - | 5.5~15 | -15~40℃ | B | 25 | S1 | Caja de terminales incorporada | IP55 |
| Resistencia al calor 40 ℃ clase F | Clase de resistencia al calor F | T1 | 0.1~1.5 | 0~40℃ | F | 25 | S2 30min | Caja de terminales incorporada | IP55 |
| Resistencia al calor 60 ℃ clase F | Clase de resistencia al calor F | T2 | 0.1~1.5 | 0~60℃ | F | 15 | S2 15min | Colocados por separado*3 | IP55 |
| Resistencia al calor 80℃ clase F | Clase de resistencia al calor F | T3 | 0.1~1.5 | 0~80℃ | F | 5 | S2 5min | Colocados por separado*3 | IP55 |
| Resistencia al calor 80 ℃ clase H | Clase de resistencia al calor H | T4 | 0.1~1.5 | 0~80℃ | H | 15 | S2 15min | Colocados por separado*3 | IP55 |
| Clase de protección IP56 | Cumple requisitos de impermeabilidad superiores al estándar (IP55) | W | 0.1~1.5 | -15~40℃ | B | 25 | S2 30min | Caja de terminales incorporada | IP56 |
| variador de frecuencia | Es posible un funcionamiento con empuje constante en el rango de 6 a 60 Hz. | Z | 0.1~1.5 | 0~40℃ | F | 25 | S2 30min | Caja de terminales incorporada | IP55 |
| A prueba de explosiones | Estándar estructural: d2G4 | D | 0.2~1.5 | -10~40℃ | B | 25 | S3 40% | - | IP44 |
| Motor de alta eficiencia | Eficiencia premium IE3 | E | 0.75~11 | 0~40℃ | B | 25 | S1 | Caja de terminales incorporada | IP55 |
| Marcado CE | Norma aplicable: EN60034-1 | N | 0.1~0.4 | -15~40℃ | B | 25 | S2 30min | Caja de terminales incorporada | IP55 |
| Cumple con el estándar UL | Norma aplicable: UL1004 Expediente UL n.º E225995 |
N2 | 0.1~0.4 | -15~40℃ | A | 25 | S2 30min | Caja de terminales incorporada | IP20 |
| Cumple con el estándar CCC | Norma nacional: GB12350 | N3 | 0.1~0.4 | -15~40℃ | E | 25 | S2 30min | Caja de terminales incorporada | IP55 |
| Especificaciones del adaptador | Fácil instalación de motores suministrados por el cliente (Dimensiones a continuación) |
A | 0.1~7.5 | - | - | 25 | - | - | - |
- *1 Sin condensación
- *2 Los frenos son de clase B resistentes al calor.
- *3 Instale el módulo de alimentación en un entorno con una temperatura inferior a 40 °C. Los terminales del motor son de tipo orejeta y soportan temperaturas de hasta 80 °C.
Resistente al calor hasta 80 °C. La tensión de alimentación de los módulos de potencia de clase H es de solo 200 a 220 V.
Para obtener información detallada sobre las opciones de motor, haga clic aquí
Especificaciones básicas del motor
Especificaciones comunes
- ・Modelos aplicables: Cilindro de Potencia serie U, serie T, serie G
- ・Capacidad de motor aplicable: 0,1 kW a 3,7 kW
- - Todas las especificaciones para exteriores (IP55), con frenos.
- ・Clase de resistencia al calor B
Voltaje estándar
・Símbolo de voltaje: Sin símbolo (clase 200 V), V (clase 400 V)
- Rango de temperatura utilizable: -15 a 40 °C (sin condensación)
- ciclo de trabajo porcentual: 25%ED
- Clasificación: S2 30min
- Módulo de alimentación de freno: Caja de terminales incorporada
Notas
Póngase en contacto con nosotros si planea utilizar el freno por separado.
Compatible con diferentes voltajes
・Símbolo de voltaje: V1 (380 V, 50 Hz), V2 (380 V, 60 Hz), V3 (415 V, 50 Hz), V4 (460 V, 60 Hz)
Variaciones del motor
Especificación IP56: W
Los equipos relacionados con buques y puertos suelen requerir altos niveles de protección. Este nuevo modelo cumple con este requisito al cumplir con la norma IP56 (resistente al polvo y al agua).
Especificaciones comunes
- ・Modelos aplicables: Cilindro de Potencia serie U, serie T, serie G
- ・Capacidad de motor aplicable: 0,1 kW a 1,5 kW
- - Todos los modelos para exterior, equipados con frenos.
- ・Clase de resistencia al calor (B)
Compatible con motor IP56
・Número de modelo: W (clase de 200 V), VW (clase de 400 V)
- Rango de temperatura utilizable: -15 a 40°C
- ciclo de trabajo porcentual: 25%ED
- Clasificación: S2 30min
- Tipo: Motor de inducción trifásico tipo completamente sellado con refrigeración por aire
Resistencia al calor: T
En comparación con modelos anteriores, hemos logrado una reducción significativa en entrega y el precio. Además, ahora podemos cumplir con la clase de resistencia al calor "H", algo que antes no era posible.
Especificaciones comunes
- ・Modelos aplicables: Cilindro de Potencia serie U, serie T, serie G
- ・Capacidad de motor aplicable: 0,1 kW a 1,5 kW (consúltenos para capacidades mayores)
- - Todas las especificaciones para exteriores (IP55), con freno (el freno es resistente Al calor clase B)
Cumple con la clase de resistencia al calor "F"
40℃
・Número de modelo: T1 (clase de 200 V), VT1 (clase de 400 V), V1T1 (380 V, 50 Hz), V2T1 (380 V, 60 Hz), V3T1 (415 V, 50 Hz), V4T1 (460 V, 60 Hz)
- Rango de temperatura utilizable: 0 a 40 °C (sin condensación)
- ciclo de trabajo porcentual: 25%ED
- Clasificación: S2 30min
- Módulo de alimentación de freno: Caja de terminales incorporada
60℃
・Número de modelo: T2 (clase de 200 V), VT2 (clase de 400 V), V1T2 (380 V, 50 Hz), V2T2 (380 V, 60 Hz), V3T2 (415 V, 50 Hz), V4T2 (460 V, 60 Hz)
- Rango de temperatura utilizable: 0 a 60 °C (sin condensación)
- ciclo de trabajo porcentual: 15%ED
- Clasificación: T2 15min
- Módulo de alimentación de freno: Separado (rectificador de CC estándar)
-Por favor, instalar en un entorno por debajo de 40°C.
・Si necesita una caja de terminales incorporada, comuníquese con nosotros.
80℃
・Número de modelo: T3 (clase de 200 V), VT3 (clase de 400 V), V1T3 (380 V, 50 Hz), V2T3 (380 V, 60 Hz), V3T3 (415 V, 50 Hz), V4T3 (460 V, 60 Hz)
- Rango de temperatura utilizable: 0 a 80 °C (sin condensación)
- ciclo de trabajo porcentual: 5%ED
- Clasificación: S2 5min
- Módulo de alimentación de freno: Separado (rectificador de CC estándar)
-Por favor, instalar en un entorno por debajo de 40°C.
Notas
Los terminales del motor son de tipo orejeta.
Compatible con la clase de resistencia al calor "H"
・Número de modelo: T4 (clase de 200 V), VT4 (clase de 400 V), V1T4 (380 V, 50 Hz), V2T4 (380 V, 60 Hz), V3T4 (415 V, 50 Hz), V4T4 (460 V, 60 Hz)
- Rango de temperatura utilizable: 0 a 80 °C (sin condensación)
- Módulo de potencia de frenado: Separado (rectificador de CC especial)
-Por favor, instalar en un entorno por debajo de 40°C.
- La tensión de alimentación del módulo de potencia del freno es de solo 200 a 220 V.
Notas
Los terminales del motor son de tipo orejeta.
motor estándar japonés compatible con eficiencia premium Especificación IE3: E
El motor de freno utilizado en el Cilindro de Potencia estándar es un motor de duración corta (S2).
Los motores mencionados anteriormente no están sujetos a la normativa Top Runner ni a ningún problema legal, pero podemos fabricarlos como motor estándar japonés a petición del cliente.
*Nota: Tenga en cuenta que el tamaño del motor, el cableado y el valor actual cambiarán.
Especificaciones comunes
- ・Modelos aplicables: Cilindro de Potencia serie U, serie T
- ・Capacidad de motor aplicable: 0,75 kW a 11 kW
- - Todas las especificaciones para exteriores (IP55), con frenos.
- - Rango de temperatura utilizable: 0 a 40°C (sin condensación)
- ・Módulo de potencia de frenado: Caja de terminales incorporada
motor estándar japonés compatible con la especificación IE3 de eficiencia premium
・Número de modelo: E (clase 200 V), VE (clase 400 V)
Especificaciones del inversor: Z
En comparación con los modelos convencionales, hemos logrado una reducción significativa en entrega y precios más bajos. El control de velocidad, incluyendo aceleración/desaceleración y velocidad variable, ahora es sencillo, lo que mejora la capacidad de control Cilindro de Potencia.
Además, el modelo estándar viene con freno y es adecuado para uso en exteriores.
Especificaciones comunes
- ・Modelos aplicables: Cilindro de Potencia serie U, serie T, serie G
- ・Capacidad de motor aplicable: 0,1 kW a 1,5 kW (también se admite una capacidad mayor)
- - Todas las especificaciones para exteriores (IP55), con freno (el freno es resistente Al calor clase B)
- - Clase de resistencia al calor F
- - El funcionamiento con par constante es posible en el rango de 6 a 60 Hz.
Compatible con variador de frecuencia
・Número de modelo: Z (clase de 200 V), ZV (clase de 400 V)
- Rango de temperatura utilizable: 0 a 40 °C (sin condensación)
- ciclo de trabajo porcentual: 25%ED
- Clasificación: S2 30min
- Módulo de alimentación de freno: Caja de terminales incorporada
Notas
Aplique el voltaje de fuente de alimentación normal, no la salida del inversor, al módulo de fuente de alimentación del freno.
La tensión de alimentación aplicable es de 200 a 220 V para la clase de 200 V y de 400 a 440 V para la clase de 400 V.
Especificación global: N
Ya están disponibles Cilindro de Potencia que cumplen con las directivas, regulaciones y sistemas globales (CE, UL, CCC).
Se puede utilizar para equipos exportados al extranjero.
Especificaciones comunes
- ・Modelos aplicables: Cilindro de Potencia serie U, serie T, serie G
- ・Capacidad de motor aplicable: 0,1 kW a 0,4 kW (también se admite una capacidad mayor)
- - Rango de temperatura utilizable: -15 a 40°C (sin condensación)
- ・Todos con frenos
Notas
Solo los motores con freno cumplen con la norma. Si necesita interruptores de límite, etc., contáctenos.
Cumple con la normativa CE
・Número de modelo: N (clase de 200 V), VN (clase de 400 V)
・Especificaciones (tanto N como VN) Tipo de protección: IP55
Clase de resistencia al calor: (B)

Normas directivas de destino
Directiva de destino: Directiva de baja tensión 2014/35/UE
Norma aplicable: EN60034-1
(Reglamento de motor)
Los productos exportados a Europa no pueden exportarse al mercado europeo a menos que lleven el marcado CE, que certifica que cumplen con los requisitos de seguridad estipulados en las directivas europeas de la CE. (El marcado CE significa que el producto está adherido al marcado CE, que certifica el cumplimiento de las directivas de la CE).
Cumple con UL
・Número de modelo: N2 (230/240 V, 60/60 Hz), VN2 (460 V, 60 Hz)
・Especificaciones (tanto N2 como VN2) Tipo de protección: IP20
Clase de resistencia al calor: (A)

Directiva de destino Número de archivo estándar
Norma aplicable: UL1004
UL File No.:E225995
UL es la abreviatura de Underwriters Laboratories, que representa las pruebas de seguridad en Estados Unidos. (Cumplimiento con UL significa que se utiliza un motor reconocido y aprobado por la norma UL, y que la marca UL, que certifica la certificación de la norma UL, está adherida al producto).
El modelo C-UR está certificado y cumple con los estándares UL y CSA.
Compatible con CCC
Número de modelo: N3 (200/220/200/220 V, 50/50/60/60 Hz, 0,4 kW solo está disponible en 220/220 V, 50/60 Hz), VN3 (380 V/50 Hz)
・Especificaciones (tanto N3 como VN3) Tipo de protección: IP55
Clase de resistencia al calor: (E)
*El valor entre paréntesis varía según la capacidad del motor.

Norma nacional: GB12350
CCC es un sistema de certificación obligatorio en China, y para exportar motores eléctricos de pequeña potencia de 1,1 kW o menos a China, deben mostrar la marca CCC, que certifica la certificación obligatoria.
Nos hemos expandido a China y obtuvimos la certificación del Centro de Certificación de Calidad de China (CQC).
Especificación a prueba de explosiones: D
Cilindro de Potencia con construcción a prueba de explosiones y resistente a la presión que se pueden utilizar en ubicaciones peligrosas de Clase 1 y Clase 2 ahora están disponibles con entrega cortos.
Una estructura a prueba de explosiones resistente a la presión es una estructura que permite que un contenedor resista la presión de una explosión de gas explosivo dentro del contenedor y evita que el gas explosivo se encienda en el exterior.
Especificaciones comunes
- ・Modelos aplicables: Cilindro de Potencia serie U, serie T, serie G
- ・Capacidad de motor aplicable: 0,2 kW a 1,5 kW (también se admite una capacidad mayor)
- - Todas las especificaciones para exterior (IP44), con frenos.
- ・Clase de resistencia al calor B
Compatible con d2G4
・Número de modelo: D (clase de 200 V), VD (clase de 400 V)
- Rango de temperatura utilizable: -10 a 40 °C (sin condensación)
- ciclo de trabajo porcentual: 25%ED
- Calificación: S3 40%
- Módulo de potencia de freno: Ninguno (freno de CA)
Notas
También están disponibles dos LS de ajuste de carrera externo (opciones separadas) para cumplir con las especificaciones resistentes a la presión y a las explosiones.
Por favor, póngase en contacto con nosotros por separado.
Lista de códigos de opciones de motor equipado con freno
| Especificaciones del motor | Voltaje y frecuencia | |||||
|---|---|---|---|---|---|---|
| 200/200/220V 50/60/60Hz |
400/400/440V 50/60/60Hz |
380V 50Hz |
380V 60Hz |
415V 50Hz |
460V 60Hz |
|
| estándar | Sin símbolo | V | V1 | V2 | V3 | V4 |
| Resistencia al calor 40 ℃ clase F | T1 | VT1 | V1T1 | V2T1 | V3T1 | V4T1 |
| Resistencia al calor 60 ℃ clase F | T2 | VT2 | V1T2 | V2T2 | V3T2 | V4T2 |
| Resistencia al calor 80℃ clase F | T3 | VT3 | V1T3 | V2T3 | V3T3 | V4T3 |
| Resistencia al calor 80 ℃ clase H | T4 | VT4 | V1T4 | V2T4 | V3T4 | V4T4 |
| Clase de protección IP56 | W | VW | - | - | - | - |
| variador de frecuencia | Z | ZV | - | - | - | - |
| A prueba de explosiones | D | VD | - | - | - | - |
| Motor de alta eficiencia | E | VE | - | - | - | - |
| Especificaciones del motor | Voltaje y frecuencia | |||||
|---|---|---|---|---|---|---|
| 200/200/220V 50/60/60Hz |
230/240V 60/60Hz |
200/220/200/220V 50/50/60/60Hz |
380/400/400/440V 50/50/60/60Hz |
460V 60Hz |
380V 50Hz |
|
| Marcado CE | N | - | - | VN | - | - |
| Cumple con el estándar UL | - | N2 | - | - | VN2 | - |
| Cumple con el estándar CCC | - | - | N3 | - | - | VN3 |
| Alta eficiencia y marcado CE | EN | - | - | VEN | - | - |
| Alta eficiencia y cumplimiento del estándar UL | - | EN2 | - | - | VEN2 | - |
| Alta eficiencia y cumplimiento del estándar CCC | - | - | EN3 | - | - | VEN3 |
- *Para especificaciones de motor equipadas con frenos especiales distintas a las enumeradas anteriormente, el símbolo de opción de motor estará marcado con una "X".
- *Todos los modelos serán cotizados caso por caso.
Especificación del adaptador: A
Si tiene su propio motor de brida de su fabricante preferido, IEC, NEMA, normas extranjeras u otro motor de brida especial, incluso le proporcionaremos un adaptador para facilitar la instalación.
También podemos adaptar bridas y diámetros de eje de motor especiales. Contáctenos para más detalles.
Especificaciones comunes
- ・Modelos aplicables: Cilindro de Potencia serie U, serie T, serie G
- ・Capacidad de motor aplicable: 0,1 kW a 7,5 kW
Soporte de adaptador
Número de modelo: A (apto para todos los motores con frenos)
・Estándares del entorno operativo Cilindro de Potencia
- Rango de temperatura utilizable: -15 a 40°C (sin condensación) *También son posibles temperaturas superiores a 40°C.
- ciclo de trabajo porcentual: Dentro del 25% ED
Notas
- - Al seleccionar un motor con freno, asegúrese de que el par de arranque sea del 200 % o más del par nominal.
- - Para una alta eficiencia, asegúrese de adquirir Cilindro de Potencia con freno.
- - El par de freno es del 150 % o más del par nominal

Lista de especificaciones y dimensiones del adaptador
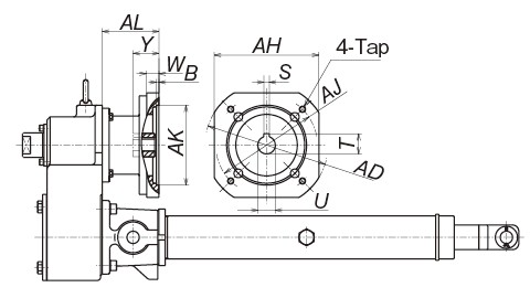
Dimensiones del adaptador de la serie T (motor estándar IEC)
| Marco N° | velocidad | Capacidad del motor | Número de cuadro | AL | AD | AH | AK | B | AJ | S | T | U | W | Y | Tap dia | |
|---|---|---|---|---|---|---|---|---|---|---|---|---|---|---|---|---|
| LPTB LPTC |
250 | S | 0.1 | 63 | 80 | Φ160 | - | Φ110G7 | 4 | Φ130 | 4Js9 | 12.8 | Φ11F7 | 15 | 25 | 4-M8 |
| L | 0.1 | 72 | - | 5 | 14 | |||||||||||
| M | 0.2 | - | ||||||||||||||
| H | 0.4 | 71 | - | 5Js9 | 16.3 | Φ14F7 | 32 | |||||||||
| LPTB LPTC |
500 | S | 0.1 | 63 | 80 | Φ160 | - | Φ110G7 | 4 | Φ130 | 4Js9 | 12.8 | Φ11F7 | 15 | 25 | 4-M8 |
| L | 0.2 | 72 | - | 5 | 14 | |||||||||||
| M | 0.4 | 71 | - | 5Js9 | 16.3 | Φ14F7 | 32 | |||||||||
| H | 0.75 | 80 | 92 | Φ200 | □170 | Φ130H7 | 4 | Φ165 | 6Js9 | 21.8 | Φ19F7 | 20 | 42 | 4-M10 | ||
| LPTB LPTC |
1000 | S | 0.2 | 63 | 80 | Φ160 | - | Φ110G7 | 4 | Φ130 | 4Js9 | 12.8 | Φ11F7 | 15 | 25 | 4-M8 |
| L | 0.4 | 71 | 72 | - | 5 | 5Js9 | 16.3 | Φ14F7 | 14 | 32 | ||||||
| M | 0.75 | 80 | 92 | Φ200 | □170 | Φ130H7 | 4 | Φ165 | 6Js9 | 21.8 | Φ19F7 | 20 | 42 | 4-M10 | ||
| H | 1.5 | 90L | 8Js9 | 27.3 | Φ24F7 | 52 | ||||||||||
| LPTB LPTC |
2000 | S | 0.4 | 71 | 85 | Φ160 | - | Φ110G7 | 4 | Φ130 | 5Js9 | 16.3 | Φ14F7 | 15 | 32 | 4-M8 |
| L | 0.75 | 80 | 72 | Φ200 | - | Φ130G7 | 5 | Φ165 | 6Js9 | 21.8 | Φ19F7 | 16 | 42 | 4-M10 | ||
| M | 1.5 | 90L | - | 8Js9 | 27.3 | Φ24F7 | 52 | |||||||||
| H | 2.2 | 100L | 116 | Φ250 | □200 | Φ180H7 | 4.5 | Φ215 | 31.3 | Φ28F7 | 20 | 62 | 4-M12 | |||
| LPTB LPTC |
4000 | S | 0.75 | 80 | 90 | Φ200 | - | Φ130G7 | 4 | Φ165 | 6Js9 | 21.8 | Φ19F7 | 20 | 42 | 4-M10 |
| L | 1.5 | 90L | 72 | - | 5 | 8Js9 | 27.3 | Φ24F7 | 16 | 52 | ||||||
| M | 2.2 | 100L | 116 | Φ250 | □200 | Φ180H7 | 4.5 | Φ215 | 31.3 | Φ28F7 | 20 | 62 | 4-M12 | |||
| H | 3.7 | 112M | ||||||||||||||

