Piñón de cinta transportadora para tratamiento de agua tipo BF
Piñón de transmisión tipo cadena BF.
Características
- La línea incluye tipos de dientes de dos divisiones (C-split) y reemplazables (dientes de anillo reemplazables), lo que reduce significativamente la mano de obra de reemplazo y reduce los costos de piezas y el desperdicio al reemplazar solo la rueda dentada o la pieza desgastada sin desmontar el eje, lo que contribuye a mejorar la eficiencia del mantenimiento, la reducción de costos y la reducción de desperdicios.
Catálogos y manuales de instrucciones
Ejemplo de visualización del número de modelo
Piñón tipo BF
| BF120N | - | 1C | 15T | Q | - | TS |
| | Tamaño de cadena aplicable |
| | | |
| Número de dientes |
| Tratamiento de endurecimiento de la punta del diente |
| tipo Sin símbolo: Tipo integrado TS: Unidad de dos piezas (tipo C-split) RK: Dientes de repuesto para anillos (tipo D-split) |
||
| número de hilos y tipo de buje |
||||||
- 1. Seleccione el tipo de forma de rueda dentada de la siguiente tabla.
-
Estructura Código de especificación Tipo integrado Sin símbolo Unidad de dos piezas (tipo C-split) TS Dientes de reemplazo con bloque dental BK Dientes de repuesto para anillos (tipo D-split) RK - 2. Las combinaciones de materiales son las que se muestran en la siguiente tabla.
-
*Si el material del diente es SCS2 o FCD600, la punta del diente está endurecida. Estructura Material Piezas de cubo y brazo Estructura de fundición SCS2、FCD600、SCS13 Estructura soldada SS400 + S25C (cubo y brazo) Dientes Tipo integrado/TS (tipo C-split) SCS2 o FCD600 RK (tipo D-split) Elija entre SCS2 o resina. BK (bloque dental de reemplazo de dientes) SCS2 - 3. Si la longitud del cubo es diferente entre los lados izquierdo y derecho, especifique cada dimensión.
- 4. Las especificaciones de pintura variarán según la agencia gubernamental que especifique, así que asegúrese de consultar las especificaciones del cliente antes de proporcionar instrucciones.
Nuestras especificaciones estándar para orificio piloto se recubren con imprimación rica en zinc una vez, mientras que los orificios terminados se recubren con imprimación rica en zinc una vez y resina epoxi dos veces.
Las series 300 de resina, SCS13 y acero inoxidable no están pintadas. Todas están recubiertas con aceite pre-vin en el orificio del eje y la cara del extremo del cubo. - 5. Proporcione dibujos u otra información para aclarar las especificaciones.
Lista de productos
- [Precauciones del producto]
- - Al realizar el pedido, especifique el diámetro del eje de transmisión, las dimensiones de la llave, las dimensiones del diámetro exterior del manguito del eje impulsado y las dimensiones del cubo.
・El número de dientes estándar está indicado, pero también podemos fabricar engranajes con un número de dientes diferente al indicado anteriormente. Contáctenos por separado.
- Si el material del rodillo de la cadena es acero inoxidable serie 300 o resina, la rueda dentada será una especificación especial.
・Para el montaje cubo cuadrado, especifique el orificio de acabado. El diámetro máximo del eje para el orificio de acabado es de 160 mm.
・ Las dimensiones mostradas son solo de referencia y no corresponden a las dimensiones estándar del producto. Al solicitar un presupuesto, especifique las dimensiones y el número de dientes de cada artículo o adjunte un plano.
・Las dimensiones enumeradas son dimensiones nominales y pueden diferir de las dimensiones reales.
- Solo el tipo C está disponible para cantidades de dientes de 25 o menos.
| Tipo integrado | Unidad de dos piezas (tipo C-split) | Dientes de repuesto para anillos (tipo D-split) |
|---|---|---|
![]() |
![]() |
![]() |
Tipo BF (Para obtener información sobre las cadenas tipo BF, haga clic aquí)
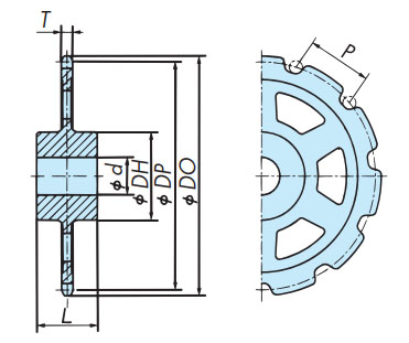
| Tamaño de cadena aplicable | número de modelo de piñón | tipo | Paso P |
Número de dientes | Diámetro exterior ΦDO |
círculo de lanzamiento diámetro ΦDP |
ancho del diente T |
Dimensiones del cubo (valores de referencia) | orificio piloto d (Valor de referencia) |
Diámetro del eje (Valor de referencia) |
Masa aprox. kg |
Planos DXF Datos CAD 3D |
Dibujos en PDF | |
|---|---|---|---|---|---|---|---|---|---|---|---|---|---|---|
| Diámetro ΦDH | L larga | |||||||||||||
| BF120N | BF120N-1C15TQ | Tipo integrado | 38.1 | 15 | 202 | 183.25 | 24 | 110 | 100 | 55 | 65 | 9 | DXF・3DCAD | Póngase en contacto con nosotros. |
| BF120N-1C23TQ | 38.1 | 23 | 300 | 279.8 | 24 | 120 | 100 | 55 | 75 | 17 | DXF・3DCAD | Póngase en contacto con nosotros. | ||
| BF120N-1C40TQ | 38.1 | 40 | 507 | 485.6 | 24 | 170 | 130 | 80 | 105 | 49 | DXF・3DCAD | Póngase en contacto con nosotros. | ||
| BF120N-1C45TQ | 38.1 | 45 | 568 | 546.19 | 24 | 170 | 130 | 75 | 105 | 50 | DXF・3DCAD | Póngase en contacto con nosotros. | ||
| BF120N-1C40TQ-TS | Unidad de dos piezas (tipo C-split) | 38.1 | 40 | 507 | 485.6 | 24 | 170 | 130 | 80 | 105 | 49 | Póngase en contacto con nosotros. | Póngase en contacto con nosotros. | |
| BF120N-1C45TQ-TS | 38.1 | 45 | 568 | 546.19 | 24 | 170 | 130 | 75 | 105 | 50 | Póngase en contacto con nosotros. | Póngase en contacto con nosotros. | ||
| BF120N-1C40TQ-RK | Dientes de repuesto para anillos (tipo D-split) | 38.1 | 40 | 507 | 485.6 | 24 | 170 | 130 | 80 | 105 | 49 | Póngase en contacto con nosotros. | Póngase en contacto con nosotros. | |
| BF120N-1C45TQ-RK | 38.1 | 45 | 568 | 546.19 | 24 | 170 | 130 | 75 | 105 | 50 | Póngase en contacto con nosotros. | Póngase en contacto con nosotros. | ||
| BF140 | BF140-1C11TQ | Tipo integrado | 44.45 | 11 | 178 | 157.78 | 24 | 100 | 100 | 40 | 60 | 8 | DXF・3DCAD | Póngase en contacto con nosotros. |
| BF140-1C23TQ | 44.45 | 23 | 350 | 326.44 | 24 | 120 | 100 | 55 | 70 | 21 | DXF・3DCAD | Póngase en contacto con nosotros. | ||
| BF140-1C35TQ | 44.45 | 35 | 521 | 495.88 | 24 | 150 | 100 | 50 | 90 | 45 | DXF・3DCAD | Póngase en contacto con nosotros. | ||
| BF140-1C40TQ | 44.45 | 40 | 591 | 566.54 | 24 | 170 | 110 | 60 | 105 | 60 | DXF・3DCAD | Póngase en contacto con nosotros. | ||
| BF140-1C45TQ | 44.45 | 45 | 662 | 637.22 | 24 | 170 | 110 | 60 | 105 | 73 | DXF・3DCAD | Póngase en contacto con nosotros. | ||
| BF140-1C50TQ | 44.45 | 50 | 733 | 707.91 | 24 | 170 | 110 | 60 | 105 | 87 | DXF・3DCAD | Póngase en contacto con nosotros. | ||
| BF140-1C35TQ-TS | Unidad de dos piezas (tipo C-split) | 44.45 | 35 | 521 | 495.88 | 24 | 150 | 100 | 50 | 90 | 45 | Póngase en contacto con nosotros. | Póngase en contacto con nosotros. | |
| BF140-1C40TQ-TS | 44.45 | 40 | 591 | 566.54 | 24 | 170 | 110 | 60 | 105 | 60 | Póngase en contacto con nosotros. | Póngase en contacto con nosotros. | ||
| BF140-1C45TQ-TS | 44.45 | 45 | 662 | 637.22 | 24 | 170 | 110 | 60 | 105 | 73 | Póngase en contacto con nosotros. | Póngase en contacto con nosotros. | ||
| BF140-1C50TQ-TS | 44.45 | 50 | 733 | 707.91 | 24 | 170 | 110 | 60 | 105 | 87 | Póngase en contacto con nosotros. | Póngase en contacto con nosotros. | ||
| BF140-1C35TQ-RK | Dientes de repuesto para anillos (tipo D-split) | 44.45 | 35 | 521 | 495.88 | 24 | 150 | 100 | 50 | 90 | 45 | Póngase en contacto con nosotros. | Póngase en contacto con nosotros. | |
| BF140-1C40TQ-RK | 44.45 | 40 | 591 | 566.54 | 24 | 170 | 110 | 60 | 105 | 60 | Póngase en contacto con nosotros. | Póngase en contacto con nosotros. | ||
| BF140-1C45TQ-RK | 44.45 | 45 | 662 | 637.22 | 24 | 170 | 110 | 60 | 105 | 73 | Póngase en contacto con nosotros. | Póngase en contacto con nosotros. | ||
| BF140-1C50TQ-RK | 44.45 | 50 | 733 | 707.91 | 24 | 170 | 110 | 60 | 105 | 87 | Póngase en contacto con nosotros. | Póngase en contacto con nosotros. | ||
| BF140E | BF140E-1C11TQ | Tipo integrado | 44.45 | 11 | 178 | 157.78 | 24 | 100 | 100 | 40 | 60 | 8 | DXF・3DCAD | Póngase en contacto con nosotros. |
| BF140E-1C23TQ | 44.45 | 23 | 350 | 326.44 | 24 | 120 | 100 | 55 | 70 | 21 | DXF・3DCAD | Póngase en contacto con nosotros. | ||
| BF140E-1C35TQ | 44.45 | 35 | 521 | 495.88 | 24 | 150 | 100 | 50 | 90 | 45 | DXF・3DCAD | Póngase en contacto con nosotros. | ||
| BF140E-1C40TQ | 44.45 | 40 | 591 | 566.54 | 24 | 170 | 110 | 60 | 105 | 60 | DXF・3DCAD | Póngase en contacto con nosotros. | ||
| BF140E-1C45TQ | 44.45 | 45 | 662 | 637.22 | 24 | 170 | 110 | 60 | 105 | 73 | DXF・3DCAD | Póngase en contacto con nosotros. | ||
| BF140E-1C50TQ | 44.45 | 50 | 733 | 707.91 | 24 | 170 | 110 | 60 | 105 | 87 | DXF・3DCAD | Póngase en contacto con nosotros. | ||
| BF140E-1C35TQ-TS | Unidad de dos piezas (tipo C-split) | 44.45 | 35 | 521 | 495.88 | 24 | 150 | 100 | 50 | 90 | 45 | Póngase en contacto con nosotros. | Póngase en contacto con nosotros. | |
| BF140E-1C40TQ-TS | 44.45 | 40 | 591 | 566.54 | 24 | 170 | 110 | 60 | 105 | 60 | Póngase en contacto con nosotros. | Póngase en contacto con nosotros. | ||
| BF140E-1C45TQ-TS | 44.45 | 45 | 662 | 637.22 | 24 | 170 | 110 | 60 | 105 | 73 | Póngase en contacto con nosotros. | Póngase en contacto con nosotros. | ||
| BF140E-1C50TQ-TS | 44.45 | 50 | 733 | 707.91 | 24 | 170 | 110 | 60 | 105 | 87 | Póngase en contacto con nosotros. | Póngase en contacto con nosotros. | ||
| BF140E-1C35TQ-RK | Dientes de repuesto para anillos (tipo D-split) | 44.45 | 35 | 521 | 495.88 | 24 | 150 | 100 | 50 | 90 | 45 | Póngase en contacto con nosotros. | Póngase en contacto con nosotros. | |
| BF140E-1C40TQ-RK | 44.45 | 40 | 591 | 566.54 | 24 | 170 | 110 | 60 | 105 | 60 | Póngase en contacto con nosotros. | Póngase en contacto con nosotros. | ||
| BF140E-1C45TQ-RK | 44.45 | 45 | 662 | 637.22 | 24 | 170 | 110 | 60 | 105 | 73 | Póngase en contacto con nosotros. | Póngase en contacto con nosotros. | ||
| BF140E-1C50TQ-RK | 44.45 | 50 | 733 | 707.91 | 24 | 170 | 110 | 60 | 105 | 87 | Póngase en contacto con nosotros. | Póngase en contacto con nosotros. | ||
| BF160 | BF160-1C11TQ | Tipo integrado | 50.8 | 11 | 203 | 180.31 | 30 | 115 | 120 | 40 | 70 | 12 | DXF・3DCAD | Póngase en contacto con nosotros. |
| BF160-1C17TQ | 50.8 | 17 | 302 | 276.46 | 30 | 130 | 120 | 65 | 80 | 18 | DXF・3DCAD | Póngase en contacto con nosotros. | ||
| BF160-1C23TQ | 50.8 | 23 | 400 | 373.07 | 30 | 130 | 120 | 55 | 80 | 29 | DXF・3DCAD | Póngase en contacto con nosotros. | ||
| BF160-1C25TQ | 50.8 | 25 | 433 | 405.32 | 30 | 190 | 170 | 80 | 115 | 55 | DXF・3DCAD | Póngase en contacto con nosotros. | ||
| BF160-1C30TQ | 50.8 | 30 | 514 | 485.99 | 30 | 170 | 110 | 60 | 105 | 55 | DXF・3DCAD | Póngase en contacto con nosotros. | ||
| BF160-1C35TQ | 50.8 | 35 | 595 | 566.71 | 30 | 170 | 110 | 60 | 105 | 71 | DXF・3DCAD | Póngase en contacto con nosotros. | ||
| BF160-1C40TQ | 50.8 | 40 | 676 | 647.47 | 30 | 200 | 130 | 70 | 125 | 98 | DXF・3DCAD | Póngase en contacto con nosotros. | ||
| BF160-1C45TQ | 50.8 | 45 | 757 | 728.25 | 30 | 200 | 130 | 70 | 125 | 119 | DXF・3DCAD | Póngase en contacto con nosotros. | ||
| BF160-1C50TQ | 50.8 | 50 | 838 | 809.04 | 30 | 200 | 130 | 70 | 125 | 142 | DXF・3DCAD | Póngase en contacto con nosotros. | ||
| BF160-1C25TQ-TS | Unidad de dos piezas (tipo C-split) | 50.8 | 25 | 433 | 405.32 | 30 | 190 | 170 | 80 | 115 | 55 | Póngase en contacto con nosotros. | Póngase en contacto con nosotros. | |
| BF160-1C30TQ-TS | 50.8 | 30 | 514 | 485.99 | 30 | 170 | 110 | 60 | 105 | 55 | Póngase en contacto con nosotros. | Póngase en contacto con nosotros. | ||
| BF160-1C35TQ-TS | 50.8 | 35 | 595 | 566.71 | 30 | 170 | 110 | 60 | 105 | 71 | Póngase en contacto con nosotros. | Póngase en contacto con nosotros. | ||
| BF160-1C40TQ-TS | 50.8 | 40 | 676 | 647.47 | 30 | 200 | 130 | 70 | 125 | 98 | Póngase en contacto con nosotros. | Póngase en contacto con nosotros. | ||
| BF160-1C45TQ-TS | 50.8 | 45 | 757 | 728.25 | 30 | 200 | 130 | 70 | 125 | 119 | Póngase en contacto con nosotros. | Póngase en contacto con nosotros. | ||
| BF160-1C50TQ-TS | 50.8 | 50 | 838 | 809.04 | 30 | 200 | 130 | 70 | 125 | 142 | Póngase en contacto con nosotros. | Póngase en contacto con nosotros. | ||
| BF160-1C25TQ-RK | Dientes de repuesto para anillos (tipo D-split) | 50.8 | 25 | 433 | 405.32 | 30 | 190 | 170 | 80 | 115 | 55 | Póngase en contacto con nosotros. | Póngase en contacto con nosotros. | |
| BF160-1C30TQ-RK | 50.8 | 30 | 514 | 485.99 | 30 | 170 | 110 | 60 | 105 | 55 | Póngase en contacto con nosotros. | Póngase en contacto con nosotros. | ||
| BF160-1C35TQ-RK | 50.8 | 35 | 595 | 566.71 | 30 | 170 | 110 | 60 | 105 | 71 | Póngase en contacto con nosotros. | Póngase en contacto con nosotros. | ||
| BF160-1C40TQ-RK | 50.8 | 40 | 676 | 647.47 | 30 | 200 | 130 | 70 | 125 | 98 | Póngase en contacto con nosotros. | Póngase en contacto con nosotros. | ||
| BF160-1C45TQ-RK | 50.8 | 45 | 757 | 728.25 | 30 | 200 | 130 | 70 | 125 | 119 | Póngase en contacto con nosotros. | Póngase en contacto con nosotros. | ||
| BF160-1C50TQ-RK | 50.8 | 50 | 838 | 809.04 | 30 | 200 | 130 | 70 | 125 | 142 | Póngase en contacto con nosotros. | Póngase en contacto con nosotros. | ||
| BF160E | BF160E-1C11TQ | Tipo integrado | 50.8 | 11 | 203 | 180.31 | 30 | 115 | 120 | 40 | 70 | 12 | DXF・3DCAD | Póngase en contacto con nosotros. |
| BF160E-1C17TQ | 50.8 | 17 | 302 | 276.46 | 30 | 130 | 120 | 65 | 80 | 18 | DXF・3DCAD | Póngase en contacto con nosotros. | ||
| BF160E-1C23TQ | 50.8 | 23 | 400 | 373.07 | 30 | 130 | 120 | 55 | 80 | 29 | DXF・3DCAD | Póngase en contacto con nosotros. | ||
| BF160E-1C25TQ | 50.8 | 25 | 433 | 405.32 | 30 | 190 | 170 | 80 | 115 | 55 | DXF・3DCAD | Póngase en contacto con nosotros. | ||
| BF160E-1C30TQ | 50.8 | 30 | 514 | 485.99 | 30 | 170 | 110 | 60 | 105 | 55 | DXF・3DCAD | Póngase en contacto con nosotros. | ||
| BF160E-1C35TQ | 50.8 | 35 | 595 | 566.71 | 30 | 170 | 110 | 60 | 105 | 71 | DXF・3DCAD | Póngase en contacto con nosotros. | ||
| BF160E-1C40TQ | 50.8 | 40 | 676 | 647.47 | 30 | 200 | 130 | 70 | 125 | 98 | DXF・3DCAD | Póngase en contacto con nosotros. | ||
| BF160E-1C45TQ | 50.8 | 45 | 757 | 728.25 | 30 | 200 | 130 | 70 | 125 | 119 | DXF・3DCAD | Póngase en contacto con nosotros. | ||
| BF160E-1C50TQ | 50.8 | 50 | 838 | 809.04 | 30 | 200 | 130 | 70 | 125 | 142 | DXF・3DCAD | Póngase en contacto con nosotros. | ||
| BF160E-1C25TQ-TS | Unidad de dos piezas (tipo C-split) | 50.8 | 25 | 433 | 405.32 | 30 | 190 | 170 | 80 | 115 | 55 | Póngase en contacto con nosotros. | Póngase en contacto con nosotros. | |
| BF160E-1C30TQ-TS | 50.8 | 30 | 514 | 485.99 | 30 | 170 | 110 | 60 | 105 | 55 | Póngase en contacto con nosotros. | Póngase en contacto con nosotros. | ||
| BF160E-1C35TQ-TS | 50.8 | 35 | 595 | 566.71 | 30 | 170 | 110 | 60 | 105 | 71 | Póngase en contacto con nosotros. | Póngase en contacto con nosotros. | ||
| BF160E-1C40TQ-TS | 50.8 | 40 | 676 | 647.47 | 30 | 200 | 130 | 70 | 125 | 98 | Póngase en contacto con nosotros. | Póngase en contacto con nosotros. | ||
| BF160E-1C45TQ-TS | 50.8 | 45 | 757 | 728.25 | 30 | 200 | 130 | 70 | 125 | 119 | Póngase en contacto con nosotros. | Póngase en contacto con nosotros. | ||
| BF160E-1C50TQ-TS | 50.8 | 50 | 838 | 809.04 | 30 | 200 | 130 | 70 | 125 | 142 | Póngase en contacto con nosotros. | Póngase en contacto con nosotros. | ||
| BF160E-1C25TQ-RK | Dientes de repuesto para anillos (tipo D-split) | 50.8 | 25 | 433 | 405.32 | 30 | 190 | 170 | 80 | 115 | 55 | Póngase en contacto con nosotros. | Póngase en contacto con nosotros. | |
| BF160E-1C30TQ-RK | 50.8 | 30 | 514 | 485.99 | 30 | 170 | 110 | 60 | 105 | 55 | Póngase en contacto con nosotros. | Póngase en contacto con nosotros. | ||
| BF160E-1C35TQ-RK | 50.8 | 35 | 595 | 566.71 | 30 | 170 | 110 | 60 | 105 | 71 | Póngase en contacto con nosotros. | Póngase en contacto con nosotros. | ||
| BF160E-1C40TQ-RK | 50.8 | 40 | 676 | 647.47 | 30 | 200 | 130 | 70 | 125 | 98 | Póngase en contacto con nosotros. | Póngase en contacto con nosotros. | ||
| BF160E-1C45TQ-RK | 50.8 | 45 | 757 | 728.25 | 30 | 200 | 130 | 70 | 125 | 119 | Póngase en contacto con nosotros. | Póngase en contacto con nosotros. | ||
| BF160E-1C50TQ-RK | 50.8 | 50 | 838 | 809.04 | 30 | 200 | 130 | 70 | 125 | 142 | Póngase en contacto con nosotros. | Póngase en contacto con nosotros. | ||
| BF200 | BF200-1C11TQ | Tipo integrado | 63.5 | 11 | 254 | 225.39 | 36 | 145 | 120 | 50 | 85 | 21 | DXF・3DCAD | Póngase en contacto con nosotros. |
| BF200-1C24TQ | 63.5 | 24 | 520 | 486.49 | 36 | 160 | 110 | 70 | 95 | 61 | DXF・3DCAD | Póngase en contacto con nosotros. | ||
| BF200-1C35TQ | 63.5 | 35 | 744 | 708.39 | 36 | 250 | 160 | 90 | 155 | 150 | DXF・3DCAD | Póngase en contacto con nosotros. | ||
| BF200-1C40TQ | 63.5 | 40 | 845 | 809.34 | 36 | 250 | 160 | 90 | 155 | 185 | DXF・3DCAD | Póngase en contacto con nosotros. | ||
| BF200-1C45TQ | 63.5 | 45 | 946 | 910.31 | 36 | 280 | 180 | 100 | 175 | 242 | DXF・3DCAD | Póngase en contacto con nosotros. | ||
| BF200-1C35TQ-TS | Unidad de dos piezas (tipo C-split) | 63.5 | 35 | 744 | 708.39 | 36 | 250 | 160 | 90 | 155 | 150 | Póngase en contacto con nosotros. | Póngase en contacto con nosotros. | |
| BF200-1C40TQ-TS | 63.5 | 40 | 845 | 809.34 | 36 | 250 | 160 | 90 | 155 | 185 | Póngase en contacto con nosotros. | Póngase en contacto con nosotros. | ||
| BF200-1C45TQ-TS | 63.5 | 45 | 946 | 910.31 | 36 | 280 | 180 | 100 | 175 | 242 | Póngase en contacto con nosotros. | Póngase en contacto con nosotros. | ||
| BF200-1C35TQ-RK | Dientes de repuesto para anillos (tipo D-split) | 63.5 | 35 | 744 | 708.39 | 36 | 250 | 160 | 90 | 155 | 150 | Póngase en contacto con nosotros. | Póngase en contacto con nosotros. | |
| BF200-1C40TQ-RK | 63.5 | 40 | 845 | 809.34 | 36 | 250 | 160 | 90 | 155 | 185 | Póngase en contacto con nosotros. | Póngase en contacto con nosotros. | ||
| BF200-1C45TQ-RK | 63.5 | 45 | 946 | 910.31 | 36 | 280 | 180 | 100 | 175 | 242 | Póngase en contacto con nosotros. | Póngase en contacto con nosotros. | ||
| BF200E | BF200E-1C11TQ | Tipo integrado | 63.5 | 11 | 254 | 225.39 | 36 | 145 | 120 | 50 | 85 | 21 | DXF・3DCAD | Póngase en contacto con nosotros. |
| BF200E-1C24TQ | 63.5 | 24 | 520 | 486.49 | 36 | 160 | 110 | 70 | 95 | 61 | DXF・3DCAD | Póngase en contacto con nosotros. | ||
| BF200E-1C35TQ | 63.5 | 35 | 744 | 708.39 | 36 | 250 | 160 | 90 | 155 | 150 | DXF・3DCAD | Póngase en contacto con nosotros. | ||
| BF200E-1C40TQ | 63.5 | 40 | 845 | 809.34 | 36 | 250 | 160 | 90 | 155 | 185 | DXF・3DCAD | Póngase en contacto con nosotros. | ||
| BF200E-1C45TQ | 63.5 | 45 | 946 | 910.31 | 36 | 280 | 180 | 100 | 175 | 242 | DXF・3DCAD | Póngase en contacto con nosotros. | ||
| BF200E-1C35TQ-TS | Unidad de dos piezas (tipo C-split) | 63.5 | 35 | 744 | 708.39 | 36 | 250 | 160 | 90 | 155 | 150 | Póngase en contacto con nosotros. | Póngase en contacto con nosotros. | |
| BF200E-1C40TQ-TS | 63.5 | 40 | 845 | 809.34 | 36 | 250 | 160 | 90 | 155 | 185 | Póngase en contacto con nosotros. | Póngase en contacto con nosotros. | ||
| BF200E-1C45TQ-TS | 63.5 | 45 | 946 | 910.31 | 36 | 280 | 180 | 100 | 175 | 242 | Póngase en contacto con nosotros. | Póngase en contacto con nosotros. | ||
| BF200E-1C35TQ-RK | Dientes de repuesto para anillos (tipo D-split) | 63.5 | 35 | 744 | 708.39 | 36 | 250 | 160 | 90 | 155 | 150 | Póngase en contacto con nosotros. | Póngase en contacto con nosotros. | |
| BF200E-1C40TQ-RK | 63.5 | 40 | 845 | 809.34 | 36 | 250 | 160 | 90 | 155 | 185 | Póngase en contacto con nosotros. | Póngase en contacto con nosotros. | ||
| BF200E-1C45TQ-RK | 63.5 | 45 | 946 | 910.31 | 36 | 280 | 180 | 100 | 175 | 242 | Póngase en contacto con nosotros. | Póngase en contacto con nosotros. | ||
| BF240 | BF240-1C11TQ | Tipo integrado | 76.2 | 11 | 305 | 270.47 | 45 | 150 | 120 | 50 | 90 | 29 | DXF・3DCAD | Póngase en contacto con nosotros. |
| BF240-1C37TQ | 76.2 | 37 | 941 | 898.52 | 45 | 250 | 150 | 125 | 155 | 250 | DXF・3DCAD | Póngase en contacto con nosotros. | ||
| BF240-1C40TQ | 76.2 | 40 | 1014 | 971.21 | 45 | 250 | 160 | 125 | 155 | 293 | DXF・3DCAD | Póngase en contacto con nosotros. | ||
| BF240-1C37TQ-TS | Unidad de dos piezas (tipo C-split) | 76.2 | 37 | 941 | 898.52 | 45 | 250 | 150 | 125 | 155 | 250 | Póngase en contacto con nosotros. | Póngase en contacto con nosotros. | |
| BF240-1C40TQ-TS | 76.2 | 40 | 1014 | 971.21 | 45 | 250 | 160 | 125 | 155 | 293 | Póngase en contacto con nosotros. | Póngase en contacto con nosotros. | ||
| BF240-1C37TQ-RK | Dientes de repuesto para anillos (tipo D-split) | 76.2 | 37 | 941 | 898.52 | 45 | 250 | 150 | 125 | 155 | 250 | Póngase en contacto con nosotros. | Póngase en contacto con nosotros. | |
| BF240-1C40TQ-RK | 76.2 | 40 | 1014 | 971.21 | 45 | 250 | 160 | 125 | 155 | 293 | Póngase en contacto con nosotros. | Póngase en contacto con nosotros. | ||




