Selección cadena superior datos técnicos

Esta página presenta los siguientes elementos:
(Haga clic en cada elemento para desplazarse al texto principal).

Información de diseño de la cinta transportadora cadena modular plástica (ancha)

2-1. Colocación de rieles

La disposición de los rieles variará según el espacio de instalación, pero en el diagrama siguiente se muestra un ejemplo (disposición para cargas pesadas).

Colocación de rieles

Nota)

  • 1. Chaflanar tira de desgaste y del bastidor de la rueda dentada motriz para evitar interferencias.
  • 2. WT1907, WT3827 y WT5707 son Φ80 o mayores.
  • 3. Los tipos WT0705-W, WT1515-W, WT1516-W, WT0705-M, WT1515G-M y BTC4-M son Φ20 o mayores.

2-1-1. Holgura de la cadena

Consulte la Tabla 5 a continuación para conocer la distancia L entre los rodillos de retorno que reciben vía de retorno bajo la rueda motriz, y mantenga la holgura de la cadena entre los rodillos de retorno de 50 a 100 mm. Esta holgura evita que los dientes salten. Si la cadena se encuentra fuera de este rango, puede producirse un salto de dientes.

Tabla 5. Espaciado de los rodillos de retorno L

Unidad: mm
Tipo de cadena Espaciado del rodillo de retorno L
Factor de carga de tensión (F1)
Cuando está por debajo del 50% Cuando supera el 50%
WT0405, WT0705 400 ~ 600
BT6, BT8 500 ~ 700 800 ~ 1000
WT2250, WT2515, WT2525, WT2525VG 600 ~ 900
WT1500, 2500, 3000, 3800 450 ~ 500
WT3109, BTH16 750 ~ 1000

Para WT1907, WT3827, WT3835 y WT5707

Unidad: mm
Condiciones de transporte Espaciado de rodillos L
Para longitud del transportador inferior a 12 m y cargas de transporte de 75 kg/ m2 o menos 600 ~ 900
Para longitud del transportador inferior a 20 m y cargas de transporte de 100 kg/ m2 o menos 750 ~ 900
Cuando longitud del transportador es inferior a 20 m y la cantidad de material transportado supera los 100 kg/ m2 1200 ~ 1500

Nota)

Para los modelos WT0705-W, WT1515/6-W, WT0705-M, WT1515G-M y BTC4-M

Rodillo de retorno Ancho de cadena recomendado distancia entre centros del rodillo de retorno
TP-RR20650 300 mm o menos 400mm
TP-RR30850 500 mm o menos 400 ~ 600mm
TP-RR41050 600 mm o menos

2-1-2. Ángulo de compromiso

El ángulo de engrane entre el piñón de transmisión y la cadena debe ser de al menos 180°. Nota: Si el ángulo es demasiado pequeño, los dientes pueden saltar.

Nota) El "ángulo de acoplamiento" del accionamiento inferior es de 200° o más.

2-1-3. Extremo tira de desgaste circulación

La distancia C entre el piñón y el extremo del tira de desgaste debe ser un paso de la cadena básica.

Además, el extremo del tira de desgaste motriz debe estar doblado o achaflanado para evitar que la cadena se enganche tira de desgaste.

2-1-4. Posición del piñón y tira de desgaste

Consulte el diagrama a continuación.

Posición del piñón y tira de desgaste

Nota: Póngase en contacto con nosotros en relación con los tipos WT3109-W y BTH16.

Tabla 6. Radio de curvatura hacia atrás

Tipo de cadena Radio de flexión hacia atrás R
mm
Ancho WT0405-W 5
WT0705-W 10
BTN5, WT1505-K, WT1505RN-K, WT1505G-K,
WT1505GTO-K, WT1505GTORN-K,
WT1506-K, WT1515-W, WT1515G-W,
WT1515VG-W, WT1516-W, WT1515G-M,
BTC6, BTC6RN, BTC6-T, BTC6RN-T,
BTO6, BTO6RN, BTN6
15
WT1907-K 90
BTC8, BTM8H, WT2250-W, WT2525-K,
WT2515-W, WT2515G-W
25
WT2505-K, WT2506-K,
WT2706-K, WTU3015T-K
20
WT2525VG-K, WT2705-K, WT3005-K,
WT3005G-K, WT3086-K, WT3086G-K
30
WT3109-W 35
WT3816-K, WT3835-K 40
WT3827-K 50
BTH16 60
WT5707-K 70
molde a la anchura BTC4-M, WT0705-M 10
WT1505G-M, WT1505GTO-M,
WT1505TOD-M, WT1515G-M
15
BTO8-M, WT2505-M, WT2505G-M,
WT2505TOD-M, WTM2535G-M
20
BTC8H-M, BTM8H-M,
WT2515G-M, WT2525-M
25
WT2525VG-M, WT3005G-M,
WT3086G-M, WT3085-C325
30
WT3835G-M 40

Nota: Para los distintos tipos de vuelo, esto varía según la configuración del vuelo y la altura.

2-2. Guía de despeje

Teniendo en cuenta la dilatación térmica, la holgura entre la cadena y canal guía debe ajustarse a las siguientes dimensiones.

Ancho de la guía del transportador (G) = ancho de la cadena (X) + holgura de la guía (Gc)

Tabla 7. Guía de holgura Gc

Unidad: mm
Ancho de cadena mm Temperatura ℃
-20 ~ 40 40 ~ 60 60 ~ 80
Menos de 300 5.0 6.0 7.0
Más de 300 a 500 6.0 7.0 9.0
Más de 500 a menos de 1000 8.0 11.0 15.0
Más de 1000 a 1500 11.0 15.0 21.0
Más de 1500 a 2000 14.0 20.0 28.0
Más de 2000 a 2500 17.0 24.0 34.0
Más de 2500 a 3000 19.0 27.0 40.0

Nota) Coeficiente de dilatación lineal de la cadena de poliacetal: 12 × 10-5 /℃

2-3. Ejemplo de instalación de tira de desgaste (a temperatura ambiente)

2-3-1. Tipo ancho (sin accesorio anti-serpientes)

tira de desgaste deben disponerse alternativamente y a intervalos iguales.

tira de desgaste es de 45 mm para la serie WT0400, 50 mm para la serie WT0700 y WT1510, 50,8 mm para la WT1907, 76 mm para la BTN5, 76,2 mm (ancho de riel 25 mm) para las series BT6, BT8, WT1500, WT3005, WT3835 y WT2500, 85 mm para las series WT3086, WT2515 y WT2250, 100 mm (ancho de riel 30 mm) para la WT3816 y 152,4 mm para las series WT3827 y WT5707.

Tipo ancho (sin accesorio anti-serpientes)

2-3-2. Tipo ancho (con fijación anti-serpientes (pestaña))

(Cadenas con sistemas anti-enganche (pestañas): BTN5-A, WT1505G-K, WT1515G-W, WT1505GTO-K, WT1505GTORN-K, WT2515G-W, WT3005G-K, WT3086G-K, BTC8-A)

Instale el accesorio anti-serpientes (pestaña) de manera que no interfiera con tira de desgaste.

Tipo ancho (con fijación anti-serpientes (pestaña))

Tabla 8. Lista de dimensiones (tipo ancho (con pestaña anti-serpiente)))

Tipo de cadena A
WT1505G-K 44
WT1505GTO-K, WT1505GTORN-K 47
BTN5-A 44
WT2515G-W 45
BTC8-A 44
WT3005G-K 44
WT3086G-K 44
WT1515G-W 31

2-3-3. Tipo ancho (tipo WT0405-W)

Al usar múltiples hebras, asegúrese de que no entren en contacto entre sí por sus lados. En el diagrama siguiente se muestra un ejemplo.

Tipo ancho (tipo WT0405-W)

2-3-4. Tipo ancho (tipo WTU3015T-K)

• Disposición en tramos rectos

tira de desgaste deben disponerse alternativamente y a intervalos iguales.

1) Ejemplo de instalación tira de desgaste

Ejemplo de instalación tira de desgaste

3) Diseño de paso paralelo (envoltura)

Al transferir cadenas paralelas en una sección recta, instale canal guía a lo largo del costado del pestañas antideslizantes.

Diseño de paso paralelo (envoltura)

2) Disposición del tramo recto en el lado de la transmisión

Instale un canal guía de cadena en el lado EXTERIOR de la sección recta en el lado de accionamiento de una cinta transportadora curva.

Disposición del tramo recto en el lado de la transmisión

2-3-5. Tipo ancho (para WT3109-W/BTH16)

Consulte el ejemplo a continuación. En lugar de fijar completamente el riel al marco con pernos, utilice espaciadores para crear un espacio y fijar el riel de resina en su lugar para evitar que se mueva debido a las diferencias en la dilatación térmica.

Tipo ancho (para modelos WT3109-W/BTH16)

2-3-6. Tipo molde a la anchura (con fijación anti-enredos (pestaña))

Consulte la tabla a continuación para conocer la holgura recomendada para cadenas con fijaciones anti-deslizamiento (pestañas). Al usar múltiples hebras, deje una separación de aproximadamente 1 mm entre ellas.

hebra única / cadena simple / múltiples hebras

Tabla 9. Lista de dimensiones
(Tipo molde a la anchura (con fijación anti-enredos (pestaña)))

Tipo de cadena A
WT1505G-M 44
WT1505GTO-M 47
WT1505TOD 53
WT1515G-M50 31
WT1515G-M100 61
WT2505G-M 45
WT2505TOD 45
WT2515G-M 45
WTM2535G-M 44
WT3005G-M 44
WT3086G-M 44
WT3835G-M 45
BTO8-M 44
BTC8H-M 44
BTM8H-M 44

2-3-7. Instalación tira de desgaste resistentes al calor y de alta velocidad (KV).

  • ・Recomendamos utilizar acero inoxidable para tira de desgaste.
  • Al fijar tira de desgaste, fije solo un extremo, teniendo en cuenta la dilatación térmica. Considere también la dilatación térmica al determinar la separación entre tira de desgaste.
  • • Es necesario tensar la cadena para absorber su dilatación térmica. Ajuste siempre la tensión después de que la cadena alcance su temperatura de funcionamiento.
    Al bajar la temperatura, asegúrese de aflojar primero el tensor.
  • Se generarán partículas negras de desgaste. Limpie con regularidad.

2-4. Disposición de la cinta transportadora

En vía de retorno existen dos tipos de métodos de recepción: el método de recepción por rodillo de retorno y el método de recepción tira de desgaste. A continuación se muestran algunos ejemplos.

*Notas

  • 1. Tenga especial cuidado al realizar transbordos en final, como por ejemplo mediante TOD.
  • 2. La entrada del tira de desgaste de retorno debe tener un radio grande de R40 o más.
  • 3. Las cadenas se expanden y contraen debido a los cambios de temperatura, por lo que recorte la cadena de manera que haya una cantidad adecuada de holgura en la sección de catenaria y ajústela utilizando un tensor o dispositivo similar.

2-4-1. Método de recepción de rodillos de retorno

Ajuste el intervalo de instalación de los rodillos (en la dirección del ancho de la cinta transportadora) para que coincida con el ancho de la cadena que se esté utilizando.

(Lado de la cinta transportadora) (Disposición para cargas pesadas)

método de recepción del rodillo de retorno

Nota)

  • WT1907, WT3827 y WT5707 son Φ80 o mayores.

Para las dimensiones L, consulte la Tabla 5 anterior.

(Superficie plana vía de retorno de la cinta transportadora)

método de recepción del rodillo de retorno

2-4-2. Método de apoyo sobre tira de desgaste

(Lado de la cinta transportadora) (Disposición para cargas pesadas)

Soportado por tira de desgaste

Nota)

  • 1. WT1907, WT3827 y WT5707 son Φ80 o mayores.
  • 2. WT1907, WT3827 y WT5707 tienen un radio de curvatura posterior o mayor.

Para las dimensiones L, consulte la Tabla 5 anterior.

2-4-3. Disposición para secciones curvas (tipo WTU3015T-K)

Para transporte curvo, asegúrese de que haya una sección recta de al menos 800 mm entre la unidad de accionamiento y la sección curva para garantizar una catenaria vía de retorno.

1) Ejemplo de instalación tira de desgaste

Ejemplo de instalación tira de desgaste

2) Procesamiento de la entrada y salida del tira de desgaste

Las secciones de entrada y salida del tira de desgaste curvo donde se une al tira de desgaste recto deben estar achaflanadas para evitar que la cadena se atasque.

Procesamiento de la entrada y salida del tira de desgaste

• Disposición en vía de retorno

En ambos extremos del riel curvo vía de retorno, instale rodillos de retorno o zapatas deslizantes (TP-C14343T-SD) a 50 mm del riel para guiar la cadena.

Sección transversal del lateral de la cinta transportadora

Diseño de vía de retorno

2-4-4. Disposición para secciones curvas (tipo WT3085-C)

Instalación de tira de desgaste en la sección curva del lado de transporte

Instalación de tira de desgaste en la sección curva del lado de transporte

Instalación tira de desgaste en la curva vía de retorno

(Accesorio deslizante)

(Accesorio deslizante)

(placa superior deslizante)

(placa superior deslizante)

2-5. Ejemplo de instalación de barra de doble nariz serie WT0700

Viaje de ida Transmisión inferior con avance y retroceso

Puntos a tener en cuenta al diseñar transportadores

  • 1. *Utilice un rodillo de recogida.
    • - Se vuelve más fácil absorber el alargamiento de la cadena, cortar y unir, y ajustar la holgura (δ).
    • ・La directriz para la carrera de recogida (S) es S = longitud del transportador × 1%
  • 2. *Acerca de la parte del rodillo
    • - Seleccione un diámetro exterior que sea lo más grande posible, al menos Φ50.
    • - El eje utilizado debe tener la rigidez suficiente.
    • ・Asegúrate de girarlo.
  • 3. Las cadenas se expanden y contraen debido a los cambios de temperatura, por lo que se debe empalmar la cadena o ajustarla con un tensor para que la sección de catenaria tenga la holgura adecuada.

    [Referencia: Coeficiente de dilatación lineal de la cadena de poliacetal: 12 × 10-5 /℃]

  • 4. Al utilizar un accionamiento inferior de avance/retroceso, la sección de rodillos se somete a una carga de aproximadamente 1,5 veces la tensión de funcionamiento. Para transportadores anchos (de más de 1 m), seleccione un eje con la rigidez suficiente o asegúrese de que el eje esté soportado en tres o más puntos.

Precauciones al usar barras nasales

  • 1. El soporte utilizado para fijar la barra nasal debe ser rígido y la holgura debe mantenerse dentro de 0,5 mm.
  • 2. La tolerancia para la flexión y torsión del marco en la dirección del ancho del transportador debe estar dentro de 0,3 mm.
  • 3. Ajuste las dimensiones de posición de la barra de nariz y del rodillo y piñón de manera que el ángulo α sea de 30° o menos.
  • 4. La barra de nariz se desliza contra la cadena con una carga cercana a la tensión máxima de funcionamiento, por lo que recomendamos SJ-CNO (poliamida especial) para condiciones secas, desplazamientos a alta velocidad y transporte de cargas pesadas.

Nota: Este documento de diseño se basa en especificaciones que tienen en cuenta condiciones de carga pesada.

2-6. Ejemplo de instalación de la serie WT1500 y BTN5 con barras de nariz dobles

Viaje de ida Transmisión inferior con avance y retroceso

Puntos a tener en cuenta al diseñar transportadores

  • 1. Los rodillos guía deben ser del tipo tensor.
    • - Se vuelve más fácil absorber el alargamiento de la cadena, cortar y unir, y ajustar la holgura (δ).
    • ・La directriz para la carrera de recogida (S) es S = longitud del transportador × 1%
  • 2. Seleccione un rodillo guía con un diámetro exterior de Φ80 o mayor.
  • 3. Asegúrese de girar los rodillos tensores.
  • 4. El eje utilizado para el rodillo de giro A y el rodillo de giro debe tener la rigidez suficiente. (No utilice rodillos de retorno de alta velocidad como rodillos de giro).
  • 5. La cadena se expande y se contrae debido a los cambios de temperatura, por lo que se debe empalmar la cadena o ajustarla con un tensor para que la sección de catenaria tenga la holgura adecuada.

    [Referencia: Coeficiente de dilatación lineal de la cadena de poliacetal: 12 × 10-5 /℃]

  • 6. Al utilizar un accionamiento inferior de avance/retroceso, el rodillo tensor soporta una carga de aproximadamente 1,5 veces la tensión de funcionamiento. Para transportadores anchos (de más de 1 m), seleccione un eje con la rigidez suficiente o asegúrese de que esté soportado en tres o más puntos.

Precauciones al usar barras nasales

  • 1. El soporte utilizado para fijar la barra nasal debe ser rígido y la holgura debe mantenerse dentro de 0,5 mm.
  • 2. La tolerancia para la flexión y torsión del marco en la dirección del ancho del transportador debe estar dentro de 0,3 mm.
  • 3. Ajuste las dimensiones de posición de la barra de nariz y gire el rodillo de manera que el ángulo α sea de 30° o menos.
  • 4. La barra de nariz se desliza contra la cadena con una carga cercana a la tensión máxima de funcionamiento, por lo que para condiciones secas, desplazamientos a alta velocidad y transporte de cargas pesadas, recomendamos los grados de material PLF o SJ-CNO (poliamida especial).

Nota: Este documento de diseño se basa en especificaciones que tienen en cuenta condiciones de carga pesada.

2-7. Disposición de la transmisión inferior de avance/retroceso de la serie WT2520

Disposición de transmisión inferior de avance/retroceso de la serie WT2520

Puntos a tener en cuenta al diseñar transportadores

  • 1. Seleccione un rodillo guía con un diámetro exterior de Φ80 o mayor.
  • 2. Asegúrese de girar los rodillos tensores.
  • 3. El eje utilizado para el rodillo de giro debe tener la rigidez suficiente. (No utilice rodillos de retorno de alta velocidad como rodillo de giro).
  • 4. La cadena se expande y se contrae debido a los cambios de temperatura, por lo que se debe empalmar la cadena o ajustarla con un tensor para que la sección de catenaria tenga la holgura adecuada.

    [Referencia: Coeficiente de dilatación lineal de la cadena de poliacetal: 12 × 10-5 /℃]

  • 5. Al utilizar un accionamiento inferior de avance/retroceso, el rodillo tensor se somete a una carga de aproximadamente 1,5 veces la tensión de funcionamiento. Para transportadores anchos (de más de 1 m), seleccione un eje con la rigidez suficiente o asegúrese de que el eje esté soportado en tres o más puntos.

2-8. Disposición de en línea de la barra de nariz

2-8-1. Disposición en línea tipo WT0405-W

Utilizando una barra de nariz R de 2,5 mm, las cintas transportadoras en línea a tope en una disposición.

Es posible reducirlo a 13 mm sin utilizar la placa muerta que se requería anteriormente.

Disposición de unión en línea tipo WT0405-W

Nota: Póngase en contacto con nosotros para obtener más detalles.

2-8-2. Disposición en línea de la serie WT0700

・Disposición en línea barra de nariz de la serie WT0700

Es posible en línea cintas transportadoras mediante una unión a tope recta.
Es posible reducir la separación al mínimo utilizando una placa muerta.

Disposición de en línea la barra de nariz de la serie WT0700

• Disposición de la barra de nariz y en línea del piñón de la serie WT0700

Las conexiones entre cintas transportadoras pueden en línea mediante ruedas dentadas.
Es posible reducir la separación al mínimo utilizando una placa muerta.

Disposición de la barra de nariz y en línea del piñón de la serie WT0700

• Disposición de la barra de nariz de la serie WT0700 y en línea del piñón de la serie WT1500

Las conexiones entre cintas transportadoras pueden en línea mediante ruedas dentadas.
Es posible reducir la separación al mínimo utilizando una placa muerta.

Disposición de la barra de nariz de la serie WT0700 y en línea del piñón de la serie WT1500

2-8-3. Serie WT1500, disposición de en línea tipo BTN5

La ubicación de la placa ciega variará según el espacio de instalación, pero en el diagrama siguiente se muestra un ejemplo.

Serie WT1500, disposición de en línea tipo BTN5

Nota)

  • 1. Las dimensiones del diagrama anterior son solo de referencia. Realice los ajustes necesarios según el estado de transferencia de los artículos transportados.
  • 2. Dependiendo de la forma del artículo transportado (inestable), incluso un ligero tirón de la cadena puede provocar un mal funcionamiento. En tal caso, póngase en contacto con nosotros.

Utilizando las series WT1500, WT1510 o el tipo BTN5, es posible realizar conexiones en línea rectas entre transportadores.

La placa muerta utilizada en en línea se puede estrechar hasta 20 mm.

Nota)

  • 1. *Las piezas marcadas con un asterisco (*) requieren ajuste en función de los artículos transportados.
  • 2. Las cadenas compatibles son únicamente las series WT1500 y WT1510, y el tipo BTN5. La WT1505G no es compatible.

• Disposición de en línea la barra de nariz de las series WT1500 y WT1510

Disposición en línea barra de nariz de las series WT1500 y WT1510

・Disposición de en línea tipo WT1515VG-W

Disposición de en línea tipo WT1515VG-W

2-9. Disposición de unión en línea tipo BTC4-M

- En el caso de una transferencia en línea recta con un piñón de 10 dientes

En el caso de una transferencia en línea recta con una rueda dentada de 10 dientes

• En el caso de una transferencia en línea recta con un eje de Φ18

En el caso de una transferencia en línea recta con un eje de Φ18

Nota) Ajuste ligeramente el nivel de la placa muerta dependiendo del estado de transferencia de los artículos transportados.

2-10. Disposición en línea de la serie WT2520

Al instalar una barra redonda de Φ50 al final de la cinta transportadora, es posible reducir el espacio de transferencia entre cintas. Se trata de una configuración con accionamiento inferior de avance/retroceso.

• Disposición en línea tipo WT2525-K/WT2525-M

Disposición en línea WT2525-K/WT2525-M

• Disposición en línea tipo WT2525VG-K/WT2525VG-M

disposición de en línea WT2525VG-K/WT2525VG-M

2-11. Disposición de transporte ortogonal

Mediante el uso de nuestras barras de nariz y cadenas tipo GTO/TOD, es posible cambiar suavemente el ángulo de las mercancías transportadas en 90 grados sin utilizar placas muertas, que normalmente son necesarias.

Disposición de transporte ortogonal

・Las dimensiones de instalación para cada cadena se muestran a continuación.

Transporte de inserción (WT1505TOD/WT1500)

Transporte de inserción (WT1505TOD/WT1500)
Número de dientes Dimensiones en mm
Dp D H L1 * L2 *
24 114.9 61.4 62.2 103.9 10.4
32 153.0 80.5 81.3 104.9 11.4
33 157.8 82.9 83.7 105.0 11.5

Nota) *Las piezas marcadas con un asterisco (*) pueden requerir ajustes dependiendo de los artículos transportados.

Transporte de inserción (WT2505TOD/WT2500)

・WT2505TOD-M450

Para WT2505TOD-M450
Número de dientes Dimensiones en mm
Dp D H
16 130.2 71.4 72.1
18 146.3 79.5 80.3
21 170.4 91.6 92.5
31 251.1 131.8 132.6

Nota) *Las piezas marcadas con un asterisco (*) pueden requerir ajustes dependiendo de los artículos transportados.

・WT2505TOD-M750

Para WT2505TOD-M750
Número de dientes Dimensiones en mm
Dp D H
16 130.2 71.4 72.1
18 146.3 79.5 80.3
21 170.4 91.6 92.5
31 251.1 131.8 132.6

Nota) *Las piezas marcadas con un asterisco (*) pueden requerir ajustes dependiendo de los artículos transportados.

Vehículo de descarga (WT1505GTO/WT1505GTORN/WT1500)

Transporte de descarga (WT1505TOD/WT1500)

Nota) *Las piezas marcadas con un asterisco (*) pueden requerir ajustes dependiendo de los artículos transportados.

2-12. Transporte ortogonal de WT1500 y WT1505G

Transporte de inserción (WT1500/WT1505G/WT1515G)

Transporte de inserción (WT1500/WT1505G/WT1515G)

Nota) *Las piezas marcadas con un asterisco (*) pueden requerir ajustes dependiendo de los artículos transportados.

Transporte de descarga (WT1500/WT1505G/WT1515G)

Transporte de descarga (WT1500/WT1505G/WT1515G)

Nota) *Las piezas marcadas con un asterisco (*) pueden requerir ajustes dependiendo de los artículos transportados.

2-13. Recogida de cinta transportadora inclinada

En las cintas transportadoras inclinadas, el peso de la cadena puede provocar que se salga de la rueda dentada motriz, por lo que recomendamos instalar un tensor.

Recogida para transporte inclinado (horizontal + inclinado + horizontal)

Recogida para transporte inclinado (horizontal + inclinado + horizontal)
Cinta transportadora inclinada

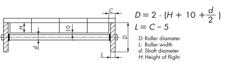
2-14. vía de retorno de la cadena de tipo vuelo

Ejemplo de soporte de rodillos

Ejemplo de soporte de rodillos

Para compensar la holgura de la cadena, se debe aumentar el número de soportes de rodillos de retorno en función del ancho de la cadena.

Nota: Es necesario un mecanizado adicional de las plumas para evitar interferencias con las piezas de las mismas.

Diagrama de referencia

Diagrama de referencia

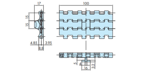
2-15. Organización especial de pestañas antideslizantes

Para el tipo WT1515T-FW, la configuración del pestañas antideslizantes difiere cuando el ancho de la cadena es de 100 mm o 150 mm.

Ancho de la cadena: 100 mm

Ancho de la cadena: 100 mm

Ancho de la cadena: 150 mm

Ancho de la cadena: 150 mm

2-16. Instalación de la placa de transferencia

A continuación se muestra la colocación preferida de la placa de transferencia.

Instalación de placa de transferencia
Tipo de cadena número de modelo de la placa de transferencia B mm D mm
WT1907-K WT-TP1907-L114 70 Dp2 + 9.9
WT-TP1907-L190 100
WT3827-K WT-TP3827-L152 82 Dp2 + 12.7
WT5707-K WT-TP5707-L220 82 Dp2 + 15.5

Dp: Diámetro del círculo primitivo

Instale las tapas y los tornillos de montaje que vienen con la placa de transferencia como se muestra en el diagrama de la derecha.

Asimismo, tenga en cuenta la dilatación térmica de la cadena al instalar la placa de transferencia e instale los tornillos de montaje como se muestra en el diagrama siguiente, de acuerdo con las condiciones de temperatura de funcionamiento.

  • 1) A temperatura ambiente (20 °C) sin cambios de temperatura

    Instale los tornillos de montaje de la placa de transferencia 2 y 3 en el centro de los orificios oblongos.

    Centro de la cadena
  • 2) Baja temperatura

    Instale los tornillos de montaje de la placa de transferencia 2 y 3 más cerca del centro de la cadena.

    Centro de la cadena
  • 3) En caso de alta temperatura

    Instale los tornillos de montaje de la placa de transferencia 2 y 3 más cerca del extremo de la cadena.

    Centro de la cadena
Instalación de placa de transferencia