datos técnicos actuador lineal Especificaciones del motor Cilindro de Potencia
Cableado (serie U)
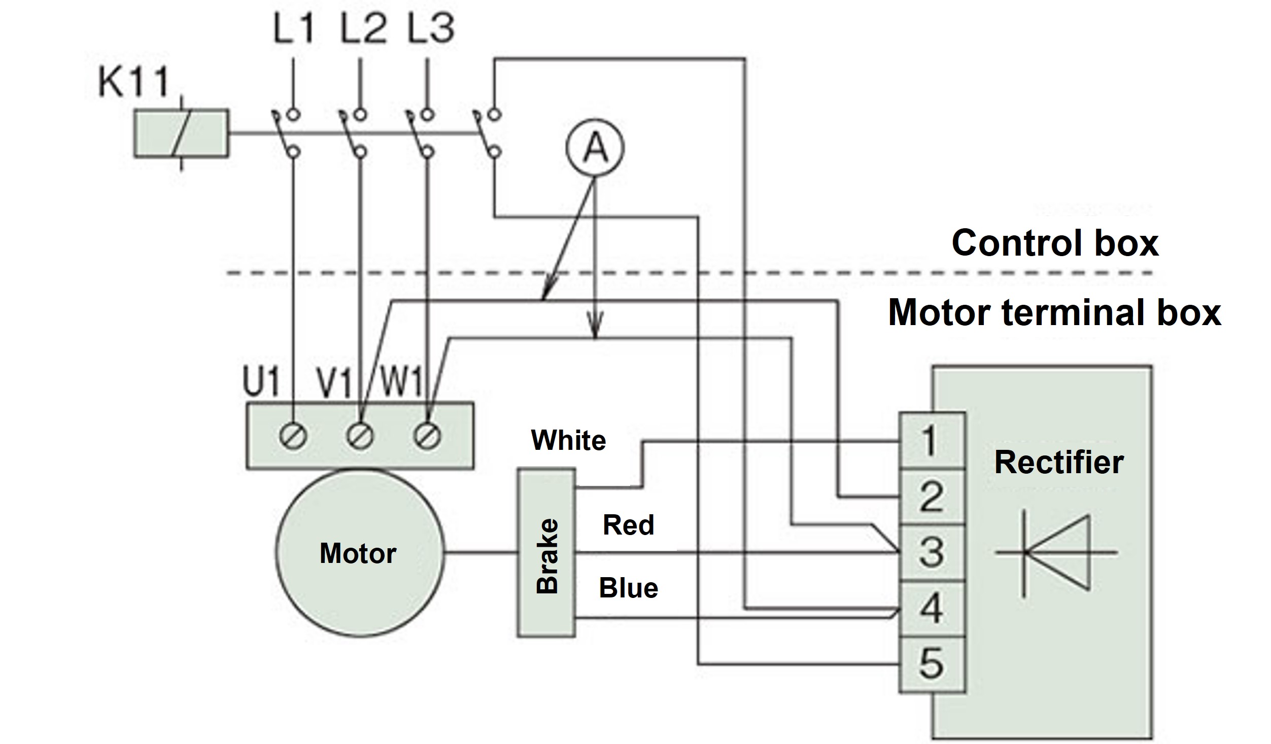
Cableado del motor de freno (motor de freno de CC)
0.75~3.7kW
conexión interna del freno (en el momento del envío)
Especificación de 200 V
Especificación de 400 V
Freno con cableado externo de CA (*Los modelos de 2,2 kW y 3,7 kW también pueden tener cableado externo de CC)
Especificación de 200 V
Especificación de 400 V
*Tamaño del tornillo del bloque de terminales de 0,75 a 3,7 kW: M4 [Par de apriete 1,2 N・m {0,12 kgf・m}]
5.5kW~15kW
Freno con cableado externo de CC (en el momento del envío)
200V/400V común
*Es posible el accionamiento mediante inversor.
200V/400V común
*La línea de alimentación A no está conectada para evitar un cableado incorrecto al usar un inversor.
Por favor, prepare y conecte el cable usted mismo.
*Tamaño del tornillo del bloque de terminales: 5,5 kW y 7,5 kW: M5 [par de apriete 2,0 N·m {0,2 kgf·m}] / 11 kW y 15 kW: M8 [par de apriete 6,0 N·m {0,61 kgf·m}]
dirección de funcionamiento de la varilla
En el caso del diagrama de cableado anterior, la varilla funciona en la siguiente dirección:
rectificador de CC se envía ensamblado en una caja de terminales.
| dirección de funcionamiento de la varilla | LPU6000S、L、M、H LPU8000S、L、M LPU12000L、M LPU16000L LPU50000L、M、H |
LPU8000H LPU12000H LPU16000M、H LPU22000L、M、H LPU32000L、M、H |
|---|---|---|
| avance de la varilla | Retracción de la varilla |
Método de cableado al usar un inversor
- 1. Al operar el motor con un inversor, el freno debe desactivarse por separado. Como se muestra en la sección anterior, retire el tramo corto y aplique la tensión de alimentación normal, no la de salida del inversor, al rectificador de CC del freno.
- 2. Para contactores electromagnéticos de clase 200V para frenos, utilice aquellos con una carga nominal de AC250V, 7A o más.
Para la clase de 400 V, utilice una tensión de contacto de CA de 400 a 440 V y una carga inductiva de 1 A o superior (por ejemplo, un contactor electromagnético para un motor de CA de 2,2 kW). rectificador de CC incorpora un elemento de protección contra sobretensiones. Añada elementos de protección para cada contacto según sea necesario. - 3. Si desea utilizar un disyuntor de CC independiente para el freno, póngase en contacto con nosotros.
*En el caso de especificaciones especiales, el cableado puede variar, por lo que le rogamos que consulte los planos de entrega.
