datos técnicos Datos de diseño correas síncronas y poleas dentadas para correas
Selección y diseño (poleas dentadas de bloqueo tipo S, especificación chapada tipo S)
Compruebe el par máximo de transmisión
Siga los pasos a continuación para seleccionar una poleas dentadas de bloqueo tipo S.
El par máximo y la carga de empuje se calculan multiplicando la capacidad de transmisión por Factor de servicio.
Par máximo T máx
[Unidades SI]
Tmax (N・m) = 9550 × KW × SF n
Unidades de gravedad
Tmax (kgf・m) = 974 × KW × SF n
Carga axial máxima P máx
Pmax (N{kgf}) = Pax × SF
- KW: Capacidad de transmisión kW
- SF: Factor de servicio (seleccione de la tabla a continuación)
- n: velocidad de rotación r/min
- Pax: Carga de empuje máxima N{kgf}
Cuando se aplican simultáneamente cargas de torsión y empuje, calcule la carga combinada MR max utilizando la siguiente fórmula.
MRmax=(Tmax)2+ (Pmax×d/2000)2N・m{kgf・m}d: Diámetro del eje (mm)
Compare el T max o MR max obtenido anteriormente con el par de transmisión del manguito Mt.
Se puede utilizar si Mt ≧ T max o MR max.
No se puede utilizar si Mt < T max o MR max.
Factor de servicio SF
| Condición de carga | Factor de servicio SF | |
|---|---|---|
| Transmisión suave y sin vibraciones | inercia de carga pequeña Relación de inercia ≤ 1,0 |
1.2~1.5 |
| Transmisión con impacto ligero | Durante la inercia de carga Relación de inercia 1,0~3,0 |
1.5~2.0 |
| Alta carga de choque O hacia adelante/atrás |
Gran inercia de carga Relación de inercia de 3,0 o superior |
2.0~5.0 |
Considerando el eje
Utilice un eje fabricado con un material que cumpla la siguiente fórmula.
δ0.2S ≧ 1.2 × P
δ 0.2S: Límite elástico del material del eje (MPa) P: Presión lateral del eje (MPa)
Cuando utilice un eje hueco, utilice un eje con un diámetro interior d B que satisfaga la siguiente fórmula.
dB ≦ d × δ0.2S - 2 × P δ0.2S
d: Diámetro del eje (mm) δ 0.2S: Límite elástico del material del eje (MPa)
Acerca del tipo de aluminio
Al utilizar la correa a bajas temperaturas (inferiores a 0 °C) o altas temperaturas (superiores a 50 °C), las variaciones dimensionales debidas a la dilatación térmica pueden provocar una desalineación entre la correa y la polea, lo que puede causar un desgaste prematuro de la correa. Para más información, póngase en contacto con nosotros.
| [Referencia] Coeficiente de dilatación térmica | Gravedad específica (g/cm 3) |
| Aluminio: 23,9 × 10-6 | 2.8 |
| Acero al carbono: 11,7 × 10-6 | 7.8 |
Masa aproximada
Para una instalación estándar, la masa estimada es la masa de poleas estándar para correas dentadas más la masa adicional que figura en la tabla.
Para montaje plano, la masa aproximada es poleas estándar para correas dentadas menos la masa de sustracción que figura en la tabla.
| número de marco de la manga | Método de instalación | |
|---|---|---|
| Instalación estándar | montaje plano | |
| Masa adicional kg | masa restada kg | |
| S1 | 0.1 | 0.1 |
| S2 | 0.1 | 0.1 |
| S3 | 0.1 | 0.2 |
| S4 | 0.2 | 0.3 |
| S5 | 0.3 | 0.4 |
| S6 | 0.5 | 0.6 |
| S7 | 0.9 | 1.0 |
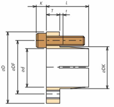
Especificaciones del manguito (poleas dentadas de bloqueo tipo S)
*Haga clic para abrir y cerrar.
Especificación de manguito tipo S
| manga | Material | Acero al carbono para estructuras de máquinas |
|---|---|---|
| Tratamiento térmico | Temple y revenido | |
| Perno de fijación | Tornillo de cabeza hexagonal hueca (JIS B 1176) Clasificación de resistencia: 12,9 |
|
| Material | acero aleado estructural | |
| Tratamiento térmico | Temple y revenido | |
| Tratamiento de superficie | Recubrimiento de óxido negro | |
Dimensiones de la manga
| manga Número de fotograma |
Diámetro del orificio del eje d |
manga Diámetro exterior ΦD |
Orificios de montaje círculo primitivo diámetro ΦDF |
Afilar Diámetro exterior ΦDK |
manga longitud total L |
brida Espesor T |
Sección recta longitud t |
Cabeza de perno altura k |
Apretando tornillo tamaño |
agujeros para tornillos | Par de apriete N・m {kgf・m} |
|---|---|---|---|---|---|---|---|---|---|---|---|
| S1 | 10 | 32 | 24 | 18.6 | 18 | 6 | 2 | 4 | M4×16 | M4 | 4.2 {0.43} |
| 11 | |||||||||||
| 12 | |||||||||||
| 14 | |||||||||||
| 15 | |||||||||||
| 16 | |||||||||||
| S2 | 15 | 42 | 32 | 25.2 | 22 | 7 | 2 | 5 | M5×18 | M5 | 8.3 {0.85} |
| 16 | |||||||||||
| 17 | |||||||||||
| 18 | |||||||||||
| 19 | |||||||||||
| 20 | |||||||||||
| 22 | |||||||||||
| S3 | 24 | 48.5 | 38.5 | 31.2 | 23.5 | 8 | 2.5 | 5 | M5×20 | M5 | 8.3 {0.85} |
| 25 | |||||||||||
| 28 | |||||||||||
| S4 | 24 | 56 | 46 | 38.6 | 26 | 8 | 2.5 | 5 | M5×20 | M5 | 8.3 {0.85} |
| 25 | |||||||||||
| 28 | |||||||||||
| 30 | |||||||||||
| 32 | |||||||||||
| 35 | |||||||||||
| S5 | 35 | 66 | 56 | 48.8 | 29 | 10 | 2.5 | 5 | M5×22 | M5 | 8.3 {0.85} |
| 38 | |||||||||||
| 40 | |||||||||||
| 42 | |||||||||||
| 45 | |||||||||||
| S6 | 48 | 80 | 68 | 60 | 36 | 12 | 3 | 6 | M6×25 | M6 | 16.8 {1.71} |
| 50 | |||||||||||
| 55 | |||||||||||
| S7 | 60 | 101 | 86 | 75.5 | 40 | 13 | 3.5 | 8 | M8×30 | M8 | 40.5 {4.13} |
| 65 | |||||||||||
| 70 |
Posición de uso del perno de apriete
・Posición de uso del perno de fijación ○Orificio abierto ◎Orificio roscado (Orificio roscado para extraer el manguito)
| manga Número de fotograma |
Posición de los pernos de apriete | manga Número de fotograma |
Posición de los pernos de apriete |
|---|---|---|---|
| S1 | ![]() |
S5 | ![]() |
| S2 | ![]() |
S6 | ![]() |
| S3 | ![]() |
S7 | ![]() |
| S4 | ![]() |
Especificaciones del manguito (poleas dentadas de bloqueo tipo S)
*Haga clic para abrir y cerrar.
Rendimiento de la manga
| manga Número de fotograma |
tornillo Número |
Diámetro del orificio del eje d mm |
tornillo tamaño |
Par de apriete de los pernos MAMÁ. N・m {kgf・m} |
Par de transmisión Monte N・m {kgf・m} |
Carga de empuje Paz kN {kgf} |
Presión lateral del eje PAG MPa {kgf/mm 2} |
Presión lateral del buje PAG' MPa {kgf/mm 2} |
Diámetro mínimo del buje (mm) | |||
|---|---|---|---|---|---|---|---|---|---|---|---|---|
| Material | ||||||||||||
| SS400 | S35C | S45C | A7075-T6 | |||||||||
| S1 | 3 | 10 | M4×16 | 4.2 {0.43} | 43 {4.4} | 8.6 {882} | 196 {20.0} | 111 {11.3} | 35 | 30 | 29 | 29 |
| 11 | 48 {4.8} | 8.6 {882} | 179 {18.2} | 111 {11.3} | 35 | 30 | 29 | 29 | ||||
| 12 | 52 {5.3} | 8.6 {882} | 164 {16.7} | 111 {11.3} | 35 | 30 | 29 | 29 | ||||
| 14 | 60 {6.2} | 8.6 {882} | 140 {14.3} | 111 {11.3} | 35 | 30 | 29 | 29 | ||||
| 15 | 65 {6.6} | 8.6 {882} | 131 {13.4} | 111 {11.3} | 35 | 30 | 29 | 29 | ||||
| 16 | 69 {7.1} | 8.6 {882} | 123 {12.5} | 111 {11.3} | 35 | 30 | 29 | 29 | ||||
| 4 | 10 | 58 {5.9} | 11.5 {1176} | 262 {26.7} | 148 {15.1} | 44 | 34 | 32 | 33 | |||
| 11 | 63 {6.5} | 11.5 {1176} | 238 {24.3} | 148 {15.1} | 44 | 34 | 32 | 33 | ||||
| 12 | 69 {7.1} | 11.5 {1176} | 218 {22.3} | 148 {15.1} | 44 | 34 | 32 | 33 | ||||
| 14 | 81 {8.2} | 11.5 {1176} | 187 {19.1} | 148 {15.1} | 44 | 34 | 32 | 33 | ||||
| 15 | 86 {8.8} | 11.5 {1176} | 175 {17.8} | 148 {15.1} | 44 | 34 | 32 | 33 | ||||
| 16 | 92 {9.4} | 11.5 {1176} | 164 {16.7} | 148 {15.1} | 44 | 34 | 32 | 33 | ||||
| 6 | 14 | 121 {12.3} | 17.3 {1764} | 281 {28.6} | 222 {22.6} | No disponible | 49 | 42 | 44 | |||
| 15 | 130 {13.2} | 17.3 {1764} | 262 {26.7} | 222 {22.6} | No disponible | 49 | 42 | 44 | ||||
| 16 | 138 {14.1} | 17.3 {1764} | 245 {25.0} | 222 {22.6} | No disponible | 49 | 42 | 44 | ||||
| S2 | 3 | 15 | M5×18 | 8.3 {0.85} | 105 {10.7} | 13.9 {1423} | 163 {16.6} | 101 {10.3} | 45 | 39 | 38 | 38 |
| 16 | 112 {11.4} | 13.9 {1423} | 152 {15.5} | 101 {10.3} | 45 | 39 | 38 | 38 | ||||
| 17 | 119 {12.1} | 13.9 {1423} | 143 {14.6} | 101 {10.3} | 45 | 39 | 38 | 38 | ||||
| 18 | 126 {12.8} | 13.9 {1423} | 135 {13.8} | 101 {10.3} | 45 | 39 | 38 | 38 | ||||
| 19 | 133 {13.5} | 13.9 {1423} | 128 {13.1} | 101 {10.3} | 45 | 39 | 38 | 38 | ||||
| 20 | 139 {14.2} | 13.9 {1423} | 122 {12.4} | 101 {10.3} | 45 | 39 | 38 | 38 | ||||
| 22 | 153 {15.7} | 13.9 {1423} | 111 {11.3} | 101 {10.3} | 45 | 39 | 38 | 38 | ||||
| 4 | 15 | 139 {14.2} | 18.6 {1898} | 217 {22.1} | 135 {13.8} | 54 | 44 | 41 | 42 | |||
| 16 | 149 {15.2} | 18.6 {1898} | 203 {20.7} | 135 {13.8} | 54 | 44 | 41 | 42 | ||||
| 17 | 158 {16.1} | 18.6 {1898} | 191 {19.5} | 135 {13.8} | 54 | 44 | 41 | 42 | ||||
| 18 | 167 {17.1} | 18.6 {1898} | 181 {18.4} | 135 {13.8} | 54 | 44 | 41 | 42 | ||||
| 19 | 177 {18.0} | 18.6 {1898} | 171 {17.5} | 135 {13.8} | 54 | 44 | 41 | 42 | ||||
| 20 | 186 {19.0} | 18.6 {1898} | 163 {16.6} | 135 {13.8} | 54 | 44 | 41 | 42 | ||||
| 22 | 205 {20.9} | 18.6 {1898} | 148 {15.1} | 135 {13.8} | 54 | 44 | 41 | 42 | ||||
| 6 | 17 | 237 {24.2} | 27.9 {2846} | 287 {29.3} | 203 {20.7} | 124 | 59 | 52 | 54 | |||
| 18 | 251 {25.6} | 27.9 {2846} | 271 {27.6} | 203 {20.7} | 124 | 59 | 52 | 54 | ||||
| 19 | 265 {27.0} | 27.9 {2846} | 257 {26.2} | 203 {20.7} | 124 | 59 | 52 | 54 | ||||
| 20 | 279 {28.5} | 27.9 {2846} | 244 {24.9} | 203 {20.7} | 124 | 59 | 52 | 54 | ||||
| 22 | 307 {31.3} | 27.9 {2846} | 222 {22.6} | 203 {20.7} | 124 | 59 | 52 | 54 | ||||
| S3 | 3 | 24 | M5×20 | 8.3 {0.85} | 167 {17.1} | 13.9 {1423} | 102 {10.4} | 81 {8.3} | 49 | 44 | 43 | 44 |
| 25 | 174 {17.8} | 13.9 {1423} | 98 {10.0} | 81 {8.3} | 49 | 44 | 43 | 44 | ||||
| 28 | 195 {19.9} | 13.9 {1423} | 87 {8.9} | 81 {8.3} | 49 | 44 | 43 | 44 | ||||
| 4 | 24 | 223 {22.8} | 18.6 {1898} | 135 {13.8} | 108 {11.0} | 56 | 49 | 47 | 47 | |||
| 25 | 232 {23.7} | 18.6 {1898} | 130 {13.3} | 108 {11.0} | 56 | 49 | 47 | 47 | ||||
| 28 | 260 {26.6} | 18.6 {1898} | 116 {11.8} | 108 {11.0} | 56 | 49 | 47 | 47 | ||||
| 6 | 24 | 335 {34.2} | 27.9 {2846} | 203 {20.7} | 162 {16.6} | 82 | 59 | 55 | 57 | |||
| 25 | 349 {35.6} | 27.9 {2846} | 195 {19.9} | 162 {16.6} | 82 | 59 | 55 | 57 | ||||
| 28 | 391 {39.9} | 27.9 {2846} | 174 {17.8} | 162 {16.6} | 82 | 59 | 55 | 57 | ||||
| S4 | 3 | 24 | M5×20 | 8.3 {0.85} | 167 {17.1} | 13.9 {1423} | 85 {8.7} | 55 {5.6} | 53 | 50 | 49 | 49 |
| 25 | 174 {17.8} | 13.9 {1423} | 82 {8.3} | 55 {5.6} | 53 | 50 | 49 | 49 | ||||
| 28 | 195 {19.9} | 13.9 {1423} | 73 {7.5} | 55 {5.6} | 53 | 50 | 49 | 49 | ||||
| 30 | 209 {21.3} | 13.9 {1423} | 68 {7.0} | 55 {5.6} | 53 | 50 | 49 | 49 | ||||
| 32 | 223 {22.8} | 13.9 {1423} | 64 {6.5} | 55 {5.6} | 53 | 50 | 49 | 49 | ||||
| 35 | 244 {24.9} | 13.9 {1423} | 58 {6.0} | 55 {5.6} | 53 | 50 | 49 | 49 | ||||
| 4 | 24 | 223 {22.8} | 18.6 {1898} | 114 {11.6} | 73 {7.5} | 58 | 53 | 51 | 52 | |||
| 25 | 232 {23.7} | 18.6 {1898} | 109 {11.1} | 73 {7.5} | 58 | 53 | 51 | 52 | ||||
| 28 | 260 {26.6} | 18.6 {1898} | 97 {9.9} | 73 {7.5} | 58 | 53 | 51 | 52 | ||||
| 30 | 279 {28.5} | 18.6 {1898} | 91 {9.3} | 73 {7.5} | 58 | 53 | 51 | 52 | ||||
| 32 | 298 {30.4} | 18.6 {1898} | 85 {8.7} | 73 {7.5} | 58 | 53 | 51 | 52 | ||||
| 35 | 325 {33.2} | 18.6 {1898} | 78 {7.9} | 73 {7.5} | 58 | 53 | 51 | 52 | ||||
| 6 | 24 | 335 {34.2} | 27.9 {2846} | 170 {17.4} | 110 {11.2} | 69 | 59 | 57 | 58 | |||
| 25 | 349 {35.6} | 27.9 {2846} | 164 {16.7} | 110 {11.2} | 69 | 59 | 57 | 58 | ||||
| 28 | 391 {39.9} | 27.9 {2846} | 146 {14.9} | 110 {11.2} | 69 | 59 | 57 | 58 | ||||
| 30 | 418 {42.7} | 27.9 {2846} | 136 {13.9} | 110 {11.2} | 69 | 59 | 57 | 58 | ||||
| 32 | 446 {45.5} | 27.9 {2846} | 128 {13.0} | 110 {11.2} | 69 | 59 | 57 | 58 | ||||
| 35 | 488 {49.8} | 27.9 {2846} | 117 {11.9} | 110 {11.2} | 69 | 59 | 57 | 58 | ||||
| 8 | 24 | 446 {45.5} | 37.2 {3795} | 227 {23.2} | 146 {14.9} | 88 | 68 | 64 | 65 | |||
| 25 | 465 {47.4} | 37.2 {3795} | 218 {22.3} | 146 {14.9} | 88 | 68 | 64 | 65 | ||||
| 28 | 521 {53.1} | 37.2 {3795} | 195 {19.9} | 146 {14.9} | 88 | 68 | 64 | 65 | ||||
| 30 | 558 {56.9} | 37.2 {3795} | 182 {18.5} | 146 {14.9} | 88 | 68 | 64 | 65 | ||||
| 32 | 595 {60.7} | 37.2 {3795} | 170 {17.4} | 146 {14.9} | 88 | 68 | 64 | 65 | ||||
| 35 | 651 {66.4} | 37.2 {3795} | 156 {15.9} | 146 {14.9} | 88 | 68 | 64 | 65 | ||||
| S5 | 5 | 35 | M5×22 | 8.3 {0.85} | 407 {41.5} | 23.2 {2372} | 91 {9.3} | 68 {6.9} | 70 | 64 | 63 | 63 |
| 38 | 442 {45.1} | 23.2 {2372} | 84 {8.6} | 68 {6.9} | 70 | 64 | 63 | 63 | ||||
| 40 | 465 {47.4} | 23.2 {2372} | 80 {8.2} | 68 {6.9} | 70 | 64 | 63 | 63 | ||||
| 42 | 488 {49.8} | 23.2 {2372} | 76 {7.8} | 68 {6.9} | 70 | 64 | 63 | 63 | ||||
| 45 | 523 {53.4} | 23.2 {2372} | 71 {7.3} | 68 {6.9} | 70 | 64 | 63 | 63 | ||||
| 8 | 35 | 651 {66.4} | 37.2 {3795} | 146 {14.9} | 108 {11.0} | 86 | 74 | 71 | 72 | |||
| 38 | 707 {72.1} | 37.2 {3795} | 135 {13.8} | 108 {11.0} | 86 | 74 | 71 | 72 | ||||
| 40 | 744 {75.9} | 37.2 {3795} | 128 {13.1} | 108 {11.0} | 86 | 74 | 71 | 72 | ||||
| 42 | 781 {79.7} | 37.2 {3795} | 122 {12.4} | 108 {11.0} | 86 | 74 | 71 | 72 | ||||
| 45 | 837 {85.4} | 37.2 {3795} | 114 {11.6} | 108 {11.0} | 86 | 74 | 71 | 72 | ||||
| 10 | 35 | 814 {83.0} | 46.5 {4744} | 183 {18.7} | 135 {13.8} | 102 | 81 | 77 | 78 | |||
| 38 | 883 {90.1} | 46.5 {4744} | 169 {17.2} | 135 {13.8} | 102 | 81 | 77 | 78 | ||||
| 40 | 930 {94.9} | 46.5 {4744} | 160 {16.3} | 135 {13.8} | 102 | 81 | 77 | 78 | ||||
| 42 | 976 {99.6} | 46.5 {4744} | 152 {15.6} | 135 {13.8} | 102 | 81 | 77 | 78 | ||||
| 45 | 1046 {106.7} | 46.5 {4744} | 142 {14.5} | 135 {13.8} | 102 | 81 | 77 | 78 | ||||
| S6 | 6 | 48 | M6×25 | 16.8 {1.71} | 1116 {113.9} | 46.5 {4744} | 105 {10.7} | 87 {8.8} | 94 | 84 | 81 | 82 |
| 50 | 1162 {118.6} | 46.5 {4744} | 101 {10.3} | 87 {8.8} | 94 | 84 | 81 | 82 | ||||
| 55 | 1279 {130.5} | 46.5 {4744} | 91 {9.3} | 87 {8.8} | 94 | 84 | 81 | 82 | ||||
| 8 | 48 | 1488 {151.8} | 62.0 {6326} | 140 {14.3} | 115 {11.8} | 110 | 93 | 88 | 90 | |||
| 50 | 1550 {158.1} | 62.0 {6326} | 134 {13.7} | 115 {11.8} | 110 | 93 | 88 | 90 | ||||
| 55 | 1705 {174.0} | 62.0 {6326} | 122 {12.4} | 115 {11.8} | 110 | 93 | 88 | 90 | ||||
| 10 | 48 | 1860 {189.8} | 77.5 {7907} | 175 {17.8} | 144 {14.7} | 134 | 103 | 97 | 99 | |||
| 50 | 1937 {197.7} | 77.5 {7907} | 168 {17.1} | 144 {14.7} | 134 | 103 | 97 | 99 | ||||
| 55 | 2131 {217.4} | 77.5 {7907} | 152 {15.6} | 144 {14.7} | 134 | 103 | 97 | 99 | ||||
| 12 | 48 | 2232 {227.7} | 93.0 {9488} | 210 {21.4} | 173 {17.7} | 174 | 117 | 107 | 110 | |||
| 50 | 2325 {237.2} | 93.0 {9488} | 201 {20.5} | 173 {17.7} | 174 | 117 | 107 | 110 | ||||
| 55 | 2557 {260.9} | 93.0 {9488} | 183 {18.7} | 173 {17.7} | 174 | 117 | 107 | 110 | ||||
| S7 | 5 | 60 | M8×30 | 40.5 {4.13} | 2140 {218.4} | 71.3 {7280} | 115 {11.7} | 94 {9.6} | 124 | 109 | 105 | 107 |
| 65 | 2319 {236.6} | 71.3 {7280} | 106 {10.8} | 94 {9.6} | 124 | 109 | 105 | 107 | ||||
| 70 | 2497 {254.8} | 71.3 {7280} | 99 {10.1} | 94 {9.6} | 124 | 109 | 105 | 107 | ||||
| 8 | 60 | 3424 {349.4} | 114.1 {11648} | 184 {18.8} | 150 {15.3} | 177 | 134 | 125 | 128 | |||
| 65 | 3710 {378.6} | 114.1 {11648} | 170 {17.3} | 150 {15.3} | 177 | 134 | 125 | 128 | ||||
| 70 | 3995 {407.7} | 114.1 {11648} | 158 {16.1} | 150 {15.3} | 177 | 134 | 125 | 128 | ||||
| 10 | 60 | 4281 {436.8} | 142.7 {14560} | 230 {23.5} | 188 {19.2} | 270 | 159 | 143 | 149 | |||
| 65 | 4637 {473.2} | 142.7 {14560} | 212 {21.7} | 188 {19.2} | 270 | 159 | 143 | 149 | ||||
| 70 | 4994 {509.6} | 142.7 {14560} | 197 {20.1} | 188 {19.2} | 270 | 159 | 143 | 149 | ||||
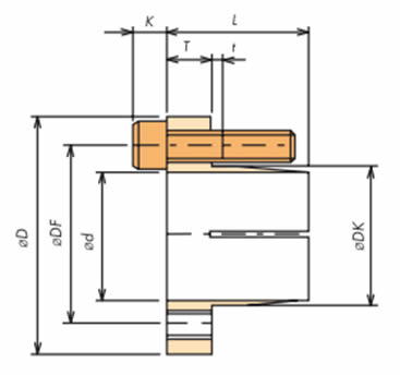
Especificaciones del manguito (poleas dentadas de bloqueo tipo S chapada)
*Haga clic para abrir y cerrar.
Especificación de manguito chapado tipo S
| manga | Material | Acero al carbono para estructuras de máquinas |
|---|---|---|
| Tratamiento térmico | Temple y revenido | |
| Tratamiento de superficie | Recubrimiento químico de níquel-fósforo | |
| Perno de fijación | Tornillo de cabeza hexagonal hueca (JIS B 1176) Clasificación de resistencia: 12,9 |
|
| Material | acero aleado estructural | |
| Tratamiento térmico | Temple y revenido | |
| Tratamiento de superficie | Recubrimiento especial | |
Dimensiones de la manga
| manga Número de fotograma |
Diámetro del orificio del eje d |
manga Diámetro exterior ΦD |
Orificios de montaje círculo primitivo diámetro ΦDF |
Afilar Diámetro exterior ΦDK |
manga longitud total L |
brida Espesor T |
Sección recta longitud t |
Cabeza de perno altura k |
Apretando tornillo tamaño |
|---|---|---|---|---|---|---|---|---|---|
| S1 | 10 | 32 | 24 | 18.6 | 18 | 6 | 2 | 4 | M4×16 |
| 11 | |||||||||
| 12 | |||||||||
| 14 | |||||||||
| 15 | |||||||||
| 16 | |||||||||
| S2 | 17 | 42 | 32 | 25.2 | 22 | 7 | 2 | 5 | M5×20 |
| 18 | |||||||||
| 19 | |||||||||
| 20 | |||||||||
| 22 | |||||||||
| S3 | 24 | 48.5 | 38.5 | 31.2 | 23.5 | 8 | 2.5 | 5 | M5×20 |
| 25 | |||||||||
| 28 | |||||||||
| S4 | 30 | 56 | 46 | 38.6 | 26 | 8 | 2.5 | 5 | M5×20 |
| 32 | |||||||||
| 35 | |||||||||
| S5 | 38 | 66 | 56 | 48.8 | 29 | 10 | 2.5 | 5 | M5×25 |
| 40 | |||||||||
| 42 | |||||||||
| 45 | |||||||||
| S6 | 48 | 80 | 68 | 60 | 36 | 12 | 3 | 6 | M6×25 |
| 50 | |||||||||
| 55 | |||||||||
| S7 | 60 | 101 | 86 | 75.5 | 40 | 13 | 3.5 | 8 | M8×30 |
| 65 | |||||||||
| 70 |
Posición de uso del perno de apriete
・Posición de uso del perno de fijación ○Orificio abierto ◎Orificio roscado (Orificio roscado para extraer el manguito)
| manga Número de fotograma |
Posición de los pernos de apriete | manga Número de fotograma |
Posición de los pernos de apriete |
|---|---|---|---|
| S1 S2 S3 |
![]() |
S5 S7 |
![]() |
| S4 | ![]() |
S6 | ![]() |
Especificaciones del manguito (poleas dentadas de bloqueo tipo S chapada)
*Haga clic para abrir y cerrar.
Rendimiento de la manga
| manga Número de fotograma |
tornillo Número |
Diámetro del orificio del eje d mm |
tornillo tamaño |
Par de apriete de los pernos MAMÁ. N・m {kgf・m} |
Par de transmisión Monte N・m {kgf・m} |
Carga de empuje Paz kN {kgf} |
Presión lateral del eje PAG MPa {kgf/mm 2} |
Presión lateral del buje PAG' MPa {kgf/mm 2} |
Diámetro mínimo del buje (mm) | |||
|---|---|---|---|---|---|---|---|---|---|---|---|---|
| Material | ||||||||||||
| SS400 | S35C | S45C | A7075-T6 | |||||||||
| S1 | 3 | 10 | M4×16 | 3.4 {0.35} | 43 {4.4} | 8.6 {882} | 196 {20.0} | 111 {11.3} | 35 | 30 | 29 | 29 |
| 11 | 48 {4.8} | 8.6 {882} | 179 {18.2} | 111 {11.3} | 35 | 30 | 29 | 29 | ||||
| 12 | 52 {5.3} | 8.6 {882} | 164 {16.7} | 111 {11.3} | 35 | 30 | 29 | 29 | ||||
| 14 | 60 {6.2} | 8.6 {882} | 140 {14.3} | 111 {11.3} | 35 | 30 | 29 | 29 | ||||
| 15 | 65 {6.6} | 8.6 {882} | 131 {13.4} | 111 {11.3} | 35 | 30 | 29 | 29 | ||||
| 16 | 69 {7.1} | 8.6 {882} | 123 {12.5} | 111 {11.3} | 35 | 30 | 29 | 29 | ||||
| 6 | 14 | 121 {12.3} | 17.3 {1764} | 281 {28.6} | 222 {22.6} | No disponible | 49 | 42 | 44 | |||
| 15 | 130 {13.2} | 17.3 {1764} | 262 {26.7} | 222 {22.6} | No disponible | 49 | 42 | 44 | ||||
| 16 | 138 {14.1} | 17.3 {1764} | 245 {25.0} | 222 {22.6} | No disponible | 49 | 42 | 44 | ||||
| S2 | 3 | 17 | M5×20 | 6.8 {0.69} | 119 {12.1} | 13.9 {1423} | 143 {14.6} | 101 {10.3} | 45 | 39 | 38 | 38 |
| 18 | 126 {12.8} | 13.9 {1423} | 135 {13.8} | 101 {10.3} | 45 | 39 | 38 | 38 | ||||
| 19 | 133 {13.5} | 13.9 {1423} | 128 {13.1} | 101 {10.3} | 45 | 39 | 38 | 38 | ||||
| 20 | 139 {14.2} | 13.9 {1423} | 122 {12.4} | 101 {10.3} | 45 | 39 | 38 | 38 | ||||
| 22 | 153 {15.7} | 13.9 {1423} | 111 {11.3} | 101 {10.3} | 45 | 39 | 38 | 38 | ||||
| 6 | 17 | 237 {24.2} | 27.9 {2846} | 287 {29.3} | 203 {20.7} | 124 | 59 | 52 | 54 | |||
| 18 | 251 {25.6} | 27.9 {2846} | 271 {27.6} | 203 {20.7} | 124 | 59 | 52 | 54 | ||||
| 19 | 265 {27.0} | 27.9 {2846} | 257 {26.2} | 203 {20.7} | 124 | 59 | 52 | 54 | ||||
| 20 | 279 {28.5} | 27.9 {2846} | 244 {24.9} | 203 {20.7} | 124 | 59 | 52 | 54 | ||||
| 22 | 307 {31.3} | 27.9 {2846} | 222 {22.6} | 203 {20.7} | 124 | 59 | 52 | 54 | ||||
| S3 | 3 | 24 | M5×20 | 6.8 {0.69} | 167 {17.1} | 13.9 {1423} | 102 {10.4} | 81 {8.3} | 49 | 44 | 43 | 44 |
| 25 | 174 {17.8} | 13.9 {1423} | 98 {10.0} | 81 {8.3} | 49 | 44 | 43 | 44 | ||||
| 28 | 195 {19.9} | 13.9 {1423} | 87 {8.9} | 81 {8.3} | 49 | 44 | 43 | 44 | ||||
| 6 | 24 | 335 {34.2} | 27.9 {2846} | 203 {20.7} | 162 {16.6} | 82 | 59 | 55 | 57 | |||
| 25 | 349 {35.6} | 27.9 {2846} | 195 {19.9} | 162 {16.6} | 82 | 59 | 55 | 57 | ||||
| 28 | 391 {39.9} | 27.9 {2846} | 174 {17.8} | 162 {16.6} | 82 | 59 | 55 | 57 | ||||
| S4 | 4 | 30 | M5×20 | 6.8 {0.69} | 279 {28.5} | 18.6 {1898} | 91 {9.3} | 73 {7.5} | 58 | 53 | 51 | 52 |
| 32 | 298 {30.4} | 18.6 {1898} | 85 {8.7} | 73 {7.5} | 58 | 53 | 51 | 52 | ||||
| 35 | 325 {33.2} | 18.6 {1898} | 78 {7.9} | 73 {7.5} | 58 | 53 | 51 | 52 | ||||
| 8 | 30 | 558 {56.9} | 37.2 {3795} | 182 {18.5} | 146 {14.9} | 88 | 68 | 64 | 65 | |||
| 32 | 595 {60.7} | 37.2 {3795} | 170 {17.4} | 146 {14.9} | 88 | 68 | 64 | 65 | ||||
| 35 | 651 {66.4} | 37.2 {3795} | 156 {15.9} | 146 {14.9} | 88 | 68 | 64 | 65 | ||||
| S5 | 5 | 38 | M5×25 | 6.8 {0.69} | 442 {45.1} | 23.2 {2372} | 84 {8.6} | 68 {6.9} | 70 | 64 | 63 | 63 |
| 40 | 465 {47.4} | 23.2 {2372} | 80 {8.2} | 68 {6.9} | 70 | 64 | 63 | 63 | ||||
| 42 | 488 {49.8} | 23.2 {2372} | 76 {7.8} | 68 {6.9} | 70 | 64 | 63 | 63 | ||||
| 45 | 523 {53.4} | 23.2 {2372} | 71 {7.3} | 68 {6.9} | 70 | 64 | 63 | 63 | ||||
| 10 | 38 | 883 {90.1} | 46.5 {4744} | 169 {17.2} | 135 {13.8} | 102 | 81 | 77 | 78 | |||
| 40 | 930 {94.9} | 46.5 {4744} | 160 {16.3} | 135 {13.8} | 102 | 81 | 77 | 78 | ||||
| 42 | 976 {99.6} | 46.5 {4744} | 152 {15.6} | 135 {13.8} | 102 | 81 | 77 | 78 | ||||
| 45 | 1046 {106.7} | 46.5 {4744} | 142 {14.5} | 135 {13.8} | 102 | 81 | 77 | 78 | ||||
| S6 | 6 | 48 | M6×25 | 13.6 {1.39} | 1116 {113.9} | 46.5 {4744} | 105 {10.7} | 87 {8.8} | 94 | 84 | 81 | 82 |
| 50 | 1162 {118.6} | 46.5 {4744} | 101 {10.3} | 87 {8.8} | 94 | 84 | 81 | 82 | ||||
| 55 | 1279 {130.5} | 46.5 {4744} | 91 {9.3} | 87 {8.8} | 94 | 84 | 81 | 82 | ||||
| 12 | 48 | 2232 {227.7} | 93.0 {9488} | 210 {21.4} | 173 {17.7} | 174 | 117 | 107 | 110 | |||
| 50 | 2325 {237.2} | 93.0 {9488} | 201 {20.5} | 173 {17.7} | 174 | 117 | 107 | 110 | ||||
| 55 | 2557 {260.9} | 93.0 {9488} | 183 {18.7} | 173 {17.7} | 174 | 117 | 107 | 110 | ||||
| S7 | 5 | 60 | M8×30 | 32.8 {3.35} | 2140 {218.4} | 71.3 {7280} | 115 {11.7} | 94 {9.6} | 124 | 109 | 105 | 107 |
| 65 | 2319 {236.6} | 71.3 {7280} | 106 {10.8} | 94 {9.6} | 124 | 109 | 105 | 107 | ||||
| 70 | 2497 {254.8} | 71.3 {7280} | 99 {10.1} | 94 {9.6} | 124 | 109 | 105 | 107 | ||||
| 10 | 60 | 4281 {436.8} | 142.7 {14560} | 230 {23.5} | 188 {19.2} | 270 | 159 | 143 | 149 | |||
| 65 | 4637 {473.2} | 142.7 {14560} | 212 {21.7} | 188 {19.2} | 270 | 159 | 143 | 149 | ||||
| 70 | 4994 {509.6} | 142.7 {14560} | 197 {20.1} | 188 {19.2} | 270 | 159 | 143 | 149 | ||||











