datos técnicos Selección cadena transportadora de gran tamaño
9. Cómo calcular la tensión que actúa sobre la cadena
La tensión estática máxima T max que actúa sobre la cadena transportadora durante el funcionamiento se puede calcular a partir de la Tabla 3.
La fórmula para la tensión de la cadena T en la Tabla 3 calcula la tensión de todo el transportador en función de la masa M (peso) x coeficiente de fricción.
Las fuerzas de inercia se vuelven muy grandes cuando un transportador de alta velocidad arranca o se detiene repentinamente, o cuando un transportador de empuje mueve los artículos transportados repentinamente. En tales casos, calcule la tensión de la cadena y la potencia requerida considerando las fuerzas de inercia.
La fórmula está escrita tanto en unidades del SI como en unidades de gravedad. Al calcular la tensión T en unidades de gravedad, el peso (kgf) en unidades de gravedad equivale a la masa (kg) en unidades del SI.
9.1 Explicación de los términos
| Unidades del SI | Unidades de gravedad | ||
|---|---|---|---|
| TMAX | Tensión estática máxima que actúa sobre la cadena | kN | {kgf} |
| T'MAX | Corrección de la tensión de la cadena | kN | {kgf} |
| T | Tensión estática que actúa sobre la cadena | kN | {kgf} |
| Q | Volumen máximo de transporte posible | t/h | {tf/h} |
| V | Velocidad de transporte (velocidad de la cadena) | m/min | m/min |
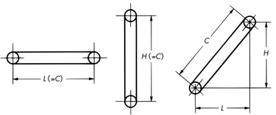
| H | Distancia entre centros de piñones (dirección vertical) | m | m |
| L | Distancia entre centros de la rueda dentada (dirección horizontal) | m | m |
| C | Distancia entre centros de piñones | m | m |
| M | Masa de la parte móvil {peso} (Cadena x número de hebras, masa {peso} del balde, delantal, etc.) |
kg/m | {kgf/m} |
| f1 | Coeficiente de fricción entre la cadena y canal guía (Tabla 5, Tabla 6) | ||
| f2 | Coeficiente de fricción por deslizamiento entre el objeto transportado y las placas inferior y lateral (Tabla 7) | ||
| f | Al cargar directamente, f=1 Al transportar mediante raspado, f=f2/f1 | ||
| g | Aceleración gravitacional 9,80665 m/s 2 | ||
| W | Cantidad de material transportado {peso} artículo a granel W=16,7 * ×Q/V {W=16,7*×Q/V} elemento contable W = Cantidad de material transportado (kg/pieza) / Intervalo de carga (m) {W = Peso del artículo transportado (kgf/artículo) / Intervalo de carga (m)} |
kg/m | {kgf/m} |
Nota: El coeficiente utilizado para convertir la masa (peso) de artículo a granel por metro de cadena es 16,7 = 1000/60
*Si se realizan operaciones de avance y retroceso con frecuencia, será necesario tensar la cadena, por lo que la fórmula de cálculo será diferente a la que se muestra a continuación.
Si está recuperando holgura en la cadena con un tensor, utilice la fórmula de cálculo que se encuentra en la pregunta 6 aquí.
9.2 Cálculo de la tensión de la cadena (Tabla 3)
| Unidades del SI | {unidad de gravedad} | |||||||||||||||||||||||||||||||||||||||||||||||||||||
|---|---|---|---|---|---|---|---|---|---|---|---|---|---|---|---|---|---|---|---|---|---|---|---|---|---|---|---|---|---|---|---|---|---|---|---|---|---|---|---|---|---|---|---|---|---|---|---|---|---|---|---|---|---|---|
|
Transporte horizontal
T1 = 1.35 ※1 × M × L1 × g 1000 ......kN T2 = ( L - L1) × M × f1 × g 1000 + T1 ......kN T3 = 1.1 ※2 × T2 ......kN TMAX = (W × f + M ) × L × f1 × g 1000 + T3 ......kN T1 = 1.35 × M × L1 ......{kgf} T2 = ( L - L1) × M × f1 + T1 ......{kgf} T3 = 1.1 × T2 ......{kgf} TMAX = (W × f + M ) × L × f1 + T3 ......{kgf}
|
||||||||||||||||||||||||||||||||||||||||||||||||||||||
|
Transporte horizontal
T1 = 1.35 × M × L1× g 1000 + 0.1※ × M × L × g 1000 ......kN T2 = 1.1 × T1 ......kN TMAX = (W × f + M) × L × f1 × g 1000 + T2 ......kN T1 = 1.35 × M × L1 + 0.1※ × M × L ......{kgf} T2 = 1.1 × T1 ......{kgf} TMAX = (W × f + M) × L × f1 ......{kgf}
|
||||||||||||||||||||||||||||||||||||||||||||||||||||||
|
Transporte vertical
TMAX = (W + M) × H × g 1000 + WT 2 × g 1000 ......kN TMAX = (W + M) × H + WT 2 ......{kgf} |
||||||||||||||||||||||||||||||||||||||||||||||||||||||
|
Transporte inclinado
T1 = M(Lf1 - H) × g 1000 ......kN Si T 1 < 0, entonces T 2 = 0 T2 = 1.1 × T1 ......kN TMAX = W(Lf1 × f + H) × g 1000 + M(Lf1 + H) × g 1000 + T2 ......kN T1 = M(Lf1 - H) ......{kgf} Si T 1 < 0, entonces T 2 = 0 T2 = 1.1 × T1 ......{kgf} TMAX = W(Lf1 × f + H) + M(Lf1 + H) + T2 ......{kgf} |
||||||||||||||||||||||||||||||||||||||||||||||||||||||
|
Ejemplos de aplicación
T1= M × L1 × f1 × g 1000 ......kN T2= T1× Kc1 ......kN T3= M(L2f1 - H) × g 1000 + T2 ......kN T4= T3× Kc2 ......kN Si T 3 < 0, entonces T 4 = 0 T5= M × L3 × f1 × g 1000 + T4 ......kN T6= 1.1 × T5 ......kN T7= (M + W × f) × L4 × f1 × g 1000 + T6 ......kN T8= T7× Kc3 ......kN T9= W(L5f1 × f + H) × g 1000 + M(L5f1 + H) × g 1000 + T8 ......kN T10 = T9× Kc4 ......kN TMAX = (M + W × f) × L6 × f1 × g 1000 + T10 ......kN Coeficiente de esquina Kc
T1 = M × L1 × f1 ......{kgf} T2 = T1 × Kc1 ......{kgf} T3 = M(L2f1 - H) + T2 ......{kgf} T4 = T3 × Kc2 ......{kgf} Si T 3 < 0, entonces T 4 = 0 T5 = M × L3 × f1 + T4 ......{kgf} T6 = 1.1 × T5 ......{kgf} T7 = (M + W × f) × L4 × f1 + T6 ......{kgf} T8 = T7 × Kc3 ......{kgf} T9 = W(L5f1 × f + H) + M(L5f1 + H) + T8 ......{kgf} T10 = T9 × Kc4 ......{kgf} TMAX = (M + W × f) × L6 × f1 + T10 ......{kgf} |
||||||||||||||||||||||||||||||||||||||||||||||||||||||
|
Ejemplo de cadena Double Plus
TMAX = 2.1M(L1 + L2) f1 ×
g
1000
+ (W × L1 × f1) TMAX = 2.1M(L1 + L2) f1 + (W × L1 × f1) + (W1 × L2 × f3) ......{kgf}
|
||||||||||||||||||||||||||||||||||||||||||||||||||||||
|
La tensión de la cadena T utilizada para calcular la potencia requerida viene dada por la siguiente fórmula. T horizontal = T MÁX- T 1 T vertical = T MÁX- MH × g 1000 Pendiente T = T MAX- M(H - Lf 1) × g 1000 T = TMAX - MH T = TMAX - M(H - Lf1)
・Cálculo de la potencia requerida 1kW = 1kN・m/s kW = T × V 60 1kW = 102kgf・m/s kW = T × V 102 × 60 La pérdida de potencia debida al engrane de la cadena y la rueda dentada, y la resistencia por fricción de la rotación de la rueda dentada, se considera que es de aproximadamente el 10% (1/0,9 = 1,1). Si la eficiencia mecánica de transmisión de la unidad motriz es η, entonces kW = T × V 60 × 1.1 × 1 η kW = T × V 102 × 60 × 1.1 × 1 η |
||||||||||||||||||||||||||||||||||||||||||||||||||||||
Tabla 4. Gráfico de tensión catenaria

Cómo calcular la tensión catenaria
T1 = 1.35 × M × L1 × g 1000 ......kN
1,35 en esta fórmula es:
Cuando el volumen de la catenaria es del 10%, δ = 0,10L 1
De la figura anterior
δ
L 1
= 0,10 →
2T 1
ML 1
= 2,7
T 1 = 1,35 × M × L 1 ×
g
1000
Cómo determinar la longitud de la cadena catenaria
δ L1 = 0.10 → S L1 = 1.027
S = 1.027L1
Tabla 5. Coeficiente de fricción de rodadura entre la cadena y canal guía (temperatura ambiente) f 1
| Clasificación del diámetro de los rodillos (milímetros) |
Estado de lubricación | Cuando se acaba el lubricante | ||
|---|---|---|---|---|
| Rodillo R, F | Rodillo S, M, N | Rodillo R, F | Rodillo S, M, N | |
| D<65 | 0.08 | 0.16 | 0.15 | 0.24 |
| 65≦D<100 | 0.08 | 0.15 | 0.14 | 0.23 |
| 100≦D | 0.08 | 0.14 | 0.13 | 0.22 |
| RF-214 (Excepción) | 0.12 | 0.15 | 0.18 | 0.22 |
Nota)
- 1. Al lubricar con ISO VG100-150 (SAE30-40)
- 2. Ambiente interior con poco polvo y temperatura ambiente.
- 3. El rodillo superior de la cadena con rodillos superiores y f1 del objeto transportado son los mismos que los de los rodillos R anteriores.
| serie | f1 |
|---|---|
| Serie rodillo plástico | 0.08 (sin lubricación) |
| Serie de rodillos de cojinetes | 0,03 (lubricado) |
| Serie de bujes de agujas | 0,14 (lubricado), 0,21 (sin lubricante) |
| EPC78 | 0,1 (lubricado), 0,2 (lubricación por agua), 0,25 (falta de lubricante) |
Tabla 6. Coeficiente de fricción entre la cadena y canal guía f1
| Temperatura de las mercancías transportadas ℃ | Estado de lubricación | Sin lubricante |
|---|---|---|
| Temperatura ambiente hasta 400 | 0.20 | 0.30 |
| 400~600 | 0.30 | 0.35 |
| 600~800 | 0.35 | 0.40 |
| 800~1000 | - | 0.45 |
Tabla 7. Coeficiente de fricción f2 entre el objeto transportado y las placas inferior y lateral
| Mercancías transportadas | f2 | Gravedad específica aparente |
|---|---|---|
| escala | 0.67 | 1.54 |
| Hematites | 0.47 | 2.99 |
| pirita | 0.58 | 1.54 |
| escoria de hierro | 0.48 | 0.90 |
| chatarra | 0.73 | 0.54 |
| polvo de mineral de plomo | 0.77 | 3.26 |
| polvo de mineral de zinc | 0.79 | 1.93 |
| Polvo de mineral de níquel | 0.45 | 0.92 |
| polvo de mineral de cromo | 0.51 | 1.14 |
| alúmina | 0.55 | 0.83 |
| Magnesia | 0.84 | 1.48 |
| yeso | 0.64 | 0.77 |
| polvo de cuarzo | 0.55 | 1.24 |
| feldespato | 0.55 | 1.36 |
| Dolomita | 0.55 | 1.62 |
| arcilla | 0.63 | 0.77 |
| Arena de fundición | 0.41 | 1.59 |
| roca fosfórica | 0.42 | 1.51 |
| cal viva | 0.46 | 1.53 |
| cal apagada | 0.63 | 0.69 |
| amianto | 0.58 | 0.19 |
| caliza | 0.47 | 0.35~0.55 |
| cemento | 0.54 | 0.60~0.75 |
| clínker de cemento | 0.46 | 1.30 |
| carbón | 0.41 | 0.44 |
| carbón | 0.53 | 0.30 |
| Paso | 0.41 | 0.70 |
| Ceniza de sosa | 0.45 | 0.52 |
| Alumbre | 0.63 | 1.01 |
| polietileno | 0.52 | 0.34 |
| polvo de caucho | 0.53 | 0.39 |
| Ingredientes del jabón | 0.27 | 0.65 |
| urea | 0.63 | 0.64 |
| cloruro amónico | 0.79 | 0.67 |
| cloruro de calcio | 0.43 | 0.68 |
| sulfuro de calcio | 0.64 | 1.01 |
| carbonato de calcio | 0.49 | 0.88 |
| astillas de madera | 0.74 | 0.36 |
| arroz | 0.4 | 0.77 |
| cebada | 0.71 | 0.39 |
| trigo | 0.43 | 0.73 |
| soja | 0.41 | 0.68 |
| maíz | 0.4 | 0.71 |
| almidón | 0.57 | 0.71 |
| azúcar | 0.47 | 0.68 |
| sal de roca | 0.57 | 1.09 |
| alimento mixto | 0.5 | 0.55 |
| carbón | - | 0.30~0.70 |
| Coque | - | 0.30~0.70 |
Nota: Los valores anteriores pueden cambiar dependiendo de la humedad y la sequedad.
