datos técnicos del motorreductor pequeño Especificaciones del motor
Dirección de cableado y rotación
1. Cableado
| Con motor trifásico (de 40 W a 5,5 kW) | Motor monofásico (de 40 W a 90 W) | ||
|---|---|---|---|
![]() |
![]() |
![]() |
![]() |
| A | B | A | B |
Nota: El motor monofásico es de arranque por condensador. Se incluye un condensador con el producto; conéctelo antes de usarlo.
2. Dirección de rotación
La flecha en el diagrama a continuación indica la dirección de rotación vista desde el eje de salida en el caso de la conexión A.
Para la conexión B, gire en la dirección opuesta a la flecha.
Motorreductor
| reducción en dos etapas |
|---|
![]() |
| reducción en 3 etapas |
![]() |
motor hipoide
| reducción de 2/4 etapas |
|---|
![]() |
| reducción en 3 etapas |
![]() |
Motor Croise
| Serie CSMA |
|---|
![]() |
| Serie HCMA |
![]() |
mini motor hipoide
| reducción en dos etapas |
|---|
![]() |
| reducción en 3 etapas |
![]() |
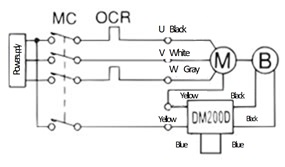
Cableado del motor de freno
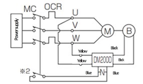
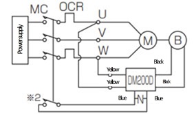
1. Clase 200 V: de 0,1 kW a 5,5 kW [Motorreductor, motor hipoide, Motor Croise]
- ・Los productos estándar se envían con cableado interno de CA
- ・Los tiempos de respuesta varían según el cableado, así que consulte el diagrama a continuación y seleccione la configuración adecuada según su aplicación.
| Objetivo | Motorreductor, motor hipoide, Motor Croise | |||
|---|---|---|---|---|
| Trifásico 200V 0,1 kW a 0,55 kW |
Trifásico 200V de 0,75 kW a 3,7 kW |
Trifásico 200V 5,5 kW |
||
| cableado interno de CA |
|
![]() |
![]() |
![]() |
| cableado externo de CA |
|
![]() |
![]() |
![]() |
| operación externa de CA |
|
*3 La tensión de alimentación del freno es |
*3 La tensión de alimentación del freno es |
![]() |
| cableado externo de CC |
|
![]() |
![]() |
- |
- M: Motor
- B: Freno
- MC: Contactor magnético
- MCa: relé auxiliar
- OCR: Relé de sobrecorriente
- DM200D, PM180B: rectificador de CC
- -N-: Elemento de protección (varistor)
- Nota 1) El voltaje del freno es CC 90 V (cuando se ingresa CA 200 V a DM200D y PM180B).
- Nota 2) Al usar cableado externo de CC, el módulo de alimentación de frenos podría dañarse según la longitud y el método de cableado, el tipo de relé, etc. Por lo tanto, conecte un varistor entre cableado externo de CC. Es más efectivo conectarlo cerca del módulo de alimentación de frenos (al cable azul). A continuación se indican los números de modelo específicos del varistor, pero también se pueden usar varistores equivalentes. Para el DM200D, seleccione un varistor con una tensión de 470 V.
Nombre del producto Fabricante Número de modelo Al utilizar el DM200D absorbedor de sobretensiones Corporación Panasonic ERZV14D471 Varistor cerámico Corporación Nippon Chemi-Con TND14V-471KB00AAA0 - Nota 3) El relé auxiliar (MCa) en *1 debe tener una capacidad de contacto de CA 200 V 7 A o más (carga resistiva).
*2 Si se utiliza un contacto auxiliar MC o un relé auxiliar, la capacidad del contacto debe ser CA 200 V 10 A o más (carga resistiva).
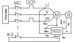
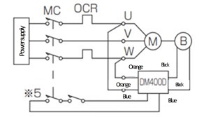
2. Clase de 400 V: de 0,1 kW a 5,5 kW [Motorreductor, motor hipoide, Motor Croise]
- ・Los productos estándar se envían con cableado interno de CA (*Para la versión de 5,5 kW, consúltenos por separado).
- ・Los tiempos de respuesta varían según el cableado, así que consulte el diagrama a continuación y seleccione la configuración adecuada según su aplicación.
| Objetivo | Motorreductor, motor hipoide, Motor Croise | |||
|---|---|---|---|---|
| Trifásico 400V 0,1 kW a 0,55 kW |
Trifásico 400V de 0,75 kW a 3,7 kW |
Trifásico 400V 5,5 kW |
||
| cableado interno de CA |
|
![]() |
![]() |
- |
| cableado externo de CA |
|
![]() |
![]() |
- |
| operación externa de CA |
|
Nota: Asegúrese de aislar el cable marrón (N) conectado con el conector de extremo cerrado del bloque de terminales. |
0,75 kW y 3,7 kW son de CA de 380 V a CA de 440 V. |
![]() |
| cableado externo de CC |
|
![]() |
![]() |
- |
- M: Motor
- B: Freno
- MC: Contactor magnético
- MCa: relé auxiliar
- OCR: Relé de sobrecorriente
- DM200D, DM400D, PM180B: rectificador de CC
- -N-: Elemento de protección (varistor)
- Nota 1) El voltaje de frenado es de 90 V CC (cuando se introducen 200 V CA en el DM200D).
- Nota 2) Al usar cableado externo de CC, el módulo de alimentación de frenos podría dañarse según la longitud y el método de cableado, el tipo de relé, etc. Por lo tanto, conecte un varistor entre los terminales cableado externo de CC. Es más efectivo conectarlo cerca del módulo de alimentación de frenos (al cable azul). A continuación se indican los números de modelo específicos del varistor, pero también se pueden usar varistores equivalentes. Para el DM200D, seleccione un varistor con una tensión de 470 V. (El DM400D tiene un varistor integrado, por lo que no se requiere instalación externa).
Nombre del producto Fabricante Número de modelo Al utilizar el DM200D absorbedor de sobretensiones Corporación Panasonic ERZV14D471 Varistor cerámico Corporación Nippon Chemi-Con TND14V-471KB00AAA0 - Nota 3) El rectificador de CC de 5,5 kW PM180B se suministra como accesorio, por lo que el cliente debe cablearlo. El esquema dimensional se encuentra disponible aquí.
- Nota 4) relé auxiliar (MCa) en *2 debe tener una capacidad de contacto de AC200V7A o más (carga resistiva).
*3 Si utiliza un contacto auxiliar MC o relé auxiliar, la capacidad del contacto debe ser AC200V10A o más (carga resistiva).
*4 Para relé auxiliar (MCa), utilice uno con una tensión de contacto de 400 a 440 V CA y una carga inductiva de 1 A o más.
*5 Se debe utilizar relé auxiliar (MCa) conectando dos o tres unidades en serie con una tensión de contacto de 400 a 440 V CA y una carga inductiva de 1 A o más.
3. 40W, 60W, 90W [Miniserie motor hipoide]
- ・Los productos estándar se envían con cableado interno de CA
- ・Los tiempos de respuesta varían según el cableado, así que consulte el diagrama a continuación y seleccione la configuración adecuada según su aplicación.
| Objetivo | Tensión estándar del motor trifásico Clase 200V |
Duplicador de voltaje para motor trifásico Clase 400V |
Motor monofásico 100 V |
|
|---|---|---|---|---|
| cableado interno de CA |
|
![]() |
![]() |
![]() |
| cableado externo de CA |
|
![]() |
![]() |
![]() |
| operación externa de CA |
|
![]() |
Nota: Asegúrese de cortar la parte N conectada con el conector del extremo cerrado y aísle la parte N. |
![]() |
| cableado externo de CC |
|
![]() |
![]() |
![]() |
- M: Motor
- B: Freno
- MC: Contactor magnético
- MCa: relé auxiliar
- OCR: Relé de sobrecorriente
- C: Condensador (accesorio)
- DM200D, DM100A: rectificador de CC
- -N-: Elemento de protección (varistor)
- Nota 1) Después del cableado y antes de encender la alimentación, asegúrese de que el cable amarillo (o rojo) del rectificador de CC esté en el lado de la fuente de alimentación y el negro en el lado del freno.
- Nota 2) rectificador de CC tiene un diodo incorporado, por lo que si se produce un cortocircuito debido a un cableado incorrecto, rectificador de CC se dañará.
- Nota 3) Agregue elementos protectores a cada contacto según sea necesario.
- Nota 4) Cuando utilice un inversor, no lo utilice en un circuito que no sea el destinado a operación externa de CA.
- Nota 5) Al usar cableado externo de CC, el módulo de alimentación de frenos podría dañarse según la longitud y el método de cableado, el tipo de relé, etc. Por lo tanto, conecte un varistor entre los terminales cableado externo de CC. Es más efectivo conectarlo cerca del módulo de alimentación de frenos (al cable azul). Los números de modelo específicos del varistor se indican a continuación, pero también se pueden usar varistores equivalentes. Para el DM200D, seleccione un varistor con una tensión de 470 V.
Nombre del producto Fabricante Número de modelo Para DM100A y DM200D absorbedor de sobretensiones Corporación Panasonic ERZV14D471 Varistor cerámico Corporación Nippon Chemi-Con TND14V-471KB00AAA0 - Nota 6) Condensador para funcionamiento de motor monofásico
40W: 15μF, 60W: 18μF, 90W: 27μF (todos soportan una tensión de 220V). - Nota 7) Póngase en contacto con nosotros para obtener información sobre 200 V monofásicos.
*Calor generado por el motor
Cuando un motor está en funcionamiento, todas sus pérdidas internas se convierten en calor, lo que provoca que el motor genere calor.
En particular, los motores monofásicos alimentados por condensador generan mucho calor cuando el factor de carga es bajo y, dependiendo de las condiciones, la temperatura en la carcasa del motor puede superar los 90 °C durante el funcionamiento, pero esto no es anormal.
Tenga cuidado, ya que tocar el motor descuidadamente o colocar materiales inflamables cerca puede provocar un accidente inesperado.







































