datos técnicos reductor de tornillo sin fin de tornillo sin fin Especificaciones
Alambrado
1. Dirección de rotación
| Capacidad del motor | conexión | Dirección de rotación | conexión | Dirección de rotación |
|---|---|---|---|---|
| 0.1kW ~ 5.5kW |
![]() |
![]() |
![]() |
![]() |
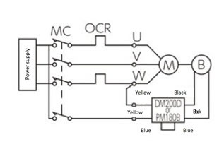
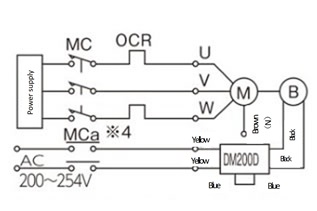
2. Cableado del motor de freno
- ・Los productos estándar se envían con cableado interno de CA
- ・Los tiempos de respuesta varían según el cableado, así que consulte el diagrama a continuación y seleccione la configuración adecuada según su aplicación.
| Objetivo | Trifásico 200 V | Trifásico 400V | |||
|---|---|---|---|---|---|
| 0.1kW ~ 5.5kW | 0.1kW ~ 0.4kW | 0.75kW ~ 3.7kW | 5.5kW | ||
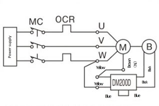
| cableado interno de CA |
|
Sólo el modelo de 5,5kW es PM180B. |
![]() |
![]() |
- |
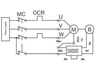
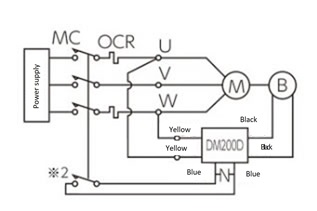
| cableado externo de CA |
|
Sólo el modelo de 5,5kW es PM180B. |
![]() |
![]() |
- |
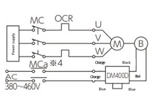
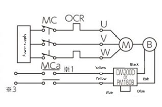
| operación externa de CA |
|
*3 El voltaje de suministro para el freno marcado con 3 es de CA 200 V a CA 254 V para 0,1 kW y 0,2 kW. |
Nota: Asegúrese de aislar el cable marrón (N) conectado con el conector de extremo cerrado del bloque de terminales. |
![]() |
![]() |
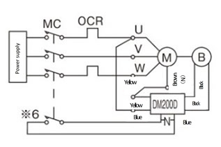
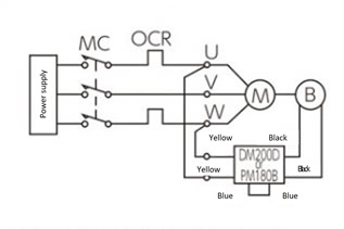
| cableado externo de CC |
|
El PM180B no se puede conmutar a CC. |
![]() |
![]() |
- |
- M: Motor
- B: Freno
- MC: Contactor magnético
- MCa: relé auxiliar
- OCR: Relé de sobrecorriente DM200D, PM180B, DM400D
- -N-: Elemento de protección (varistor)
- Nota 1) El voltaje del freno es CC 90 V (cuando se ingresa CA 200 V a DM200D y PM180B).
- Nota 2) Al usar cableado externo de CC, el módulo de alimentación de frenos podría dañarse según la longitud y el método de cableado, el tipo de relé, etc. Por lo tanto, conecte un varistor entre los terminales cableado externo de CC. Es más efectivo conectarlo cerca del módulo de alimentación de frenos (al cable azul). A continuación se indican los números de modelo específicos del varistor, pero también se pueden usar varistores equivalentes. Para el DM200D, seleccione un varistor con una tensión de 470 V. (El DM400D tiene un varistor integrado, por lo que no se requiere instalación externa).
Nombre del producto Fabricante Número de modelo Al utilizar el DM200D absorbedor de sobretensiones Corporación Panasonic ERZV14D471 Varistor cerámico Corporación Nippon Chemi-Con TND14V-471KB00AAA0 - Nota 3) El relé auxiliar (MCa) en *1 debe tener una capacidad de contacto de CA 200 V 7 A o más (carga resistiva).
*2 Si se utiliza un contacto auxiliar MC o un relé auxiliar, la capacidad del contacto debe ser CA 200 V 10 A o más (carga resistiva). - Nota 4) Para el relé auxiliar (MCa) en *4, utilice uno con un voltaje de contacto de CA 400 a 440 V y una carga inductiva de 1 A o más.
- Nota 5) Para el relé auxiliar (MCa) de *5, utilice dos o tres unidades conectadas en serie con un voltaje de contacto de CA 400 a 440 V y una carga inductiva de 1 A o más.












