datos técnicos del reductor reductor de tornillo sin fin
Esta página describe cuestiones generales relativas al manejo de las series EWJ, EWJM(R), EW, EWM(R), SWJ, SWJM(R), SW, SWM(R) y TD.
Para obtener más detalles, consulte manuales de instrucciones adjunto al producto.
4. Instalación
Instale la unidad en un lugar con una temperatura ambiente entre 0°C y 40°C, bien ventilado y con un mínimo de polvo y humedad.
Evite utilizar el producto en lugares donde haya líquidos o gases corrosivos, o en lugares donde haya sustancias inflamables o explosivas.
Asimismo, cuando se utilice en exteriores, utilice una funda para protegerlo de la lluvia directa.
- (1) Al instalar o retirar el reductor del eje accionado, asegúrese de apagar la alimentación de la máquina o dispositivo antes de realizar el trabajo.
- (2) Al conectar o desconectar el reductor del eje accionado, asegúrese de usar el perno de suspensión en la parte superior de la carcasa del reductor y nunca cuelgue cables o similares en el eje de entrada o salida.
- (3) Al instalar o retirar el reductor del eje motriz, asegúrese de que esté equilibrado y estable. Si funciona desequilibrado, el reductor girará, lo cual es extremadamente peligroso. Asegúrese siempre de que el reductor esté estable.
- (4) Los reductores SWJ25 a 63 y SWJM(R)35 a 63 no tienen pernos de suspensión, por lo que debe sujetar el reductor con ambas manos e insertarlo o retirarlo del eje accionado con el eje de salida paralelo al eje accionado.
4-1. Tipo de eje de salida sólido
Existen dos métodos de instalación para el tipo de eje de salida sólido: montaje con patas (EWJ, EWJM(R), EW, EWM(R), TD-S) y montaje con brida (SW, SWM80 a 200).
4-1-1. Montaje con patas (EWJ, EWJM(R), EW, EWM(R), TD-S)
- - Compruebe que la dirección de instalación sea la estándar.
- Si la dirección de instalación no es estándar, el volumen de aceite y algunos métodos de lubricación diferirán, por lo que le rogamos que consulte el dibujo o pregunte.
- - La superficie de referencia para la instalación debe ser lisa y lo suficientemente resistente para evitar cualquier tensión, y el ángulo de instalación debe estar dentro de ±1°.
- - Utilice pernos de instalación equivalentes a la clasificación de resistencia JIS 10.9T.
Pernos de instalación recomendados
Talla EWJ・EWJM EWJ25 EWJ35 EWJ42 EWJ50 EWJ63 EWJ70 Pernos recomendados M6×15 M8×15 M10×20 M8×25 M10×30 M12×35 Tamaño EW/EWM EW80 EW100 EW125 EW150 EW175 EW200 Pernos recomendados M12×40 M14×45 M16×55 M20×60 M20×70 M24×80 Tamaño TD-S TD125 TD150 TD175 TD200 TD225 TD250 TD280 TD315 Pernos recomendados M16×55 M20×60 M20×70 M24×80 M24×80 M30×100 M30×100 M30×110 - - Nunca instale de forma que cause deformación de la carcasa.
- El reductor se envía con aceite lubricante sellado en su interior. El orificio de llenado de aceite está tapado para evitar fugas durante el transporte; por lo tanto, sustituya el tapón por el respiradero de presión incluido antes de usarlo. Si el reductor funciona de forma continua con el tapón puesto, la presión interna puede aumentar y provocar fugas de aceite por el retén.
Nota) Los modelos EWJ25-70, EWJM42-70 (incluida doble reducción) y SWJ25-70, SWJM35-70 no requieren una válvula de alivio de presión, por lo que debe utilizarlos en las condiciones en que se entregan.
4-1-2. Montaje con brida (EWJ25 a 42, EWJM(R)42, SW80 a 200, SWM(R)80 a 200)
El reductor se fija utilizando la superficie de la brida de la carcasa del reductor. Tenga en cuenta los siguientes puntos.
1. Tipo de eje de salida sólido SW/SWM(R)
- (1) Utilice los orificios roscados de la brida de la carcasa para asegurar el reductor y utilice el pivote de la carcasa para posicionarlo.
- (2) Ajuste la excentricidad radial del eje accionado, la conexión de entrada/salida y el ángulo, y luego instale el reductor.
- (3) Consulte la tabla a continuación para conocer los tamaños de pernos recomendados para la superficie de la brida. (El tamaño y la profundidad del perno en la tabla corresponden a la profundidad de roscado).
Nota: Si no utiliza un casquillo de conexión y primero conecta la entrada y la salida, y luego fija la superficie de la brida, se pueden aplicar cargas inesperadas al eje y a los cojinetes, lo que puede acortar la vida útil del reductor.
Tamaño de perno recomendado para la superficie de la brida
Tamaño del reductor SW80 SW100 SW125 SW150 SW175 SW200 Tamaño del perno Profundidad M10 20 Profundidad M10 20 Profundidad M12 25 Profundidad M12 25 Profundidad M14 30 Profundidad M16 30 PCD de montaje 180 205 255 300 350 380 Número de instalaciones Distribuido equitativamente en 6 ubicaciones Distribuido equitativamente en 6 ubicaciones Distribuido equitativamente en 6 ubicaciones Distribuido equitativamente en 8 ubicaciones Distribuido equitativamente en 8 ubicaciones Distribuido equitativamente en 8 ubicaciones
2. Para EWJ25-42 y EWJM(R)42
Al instalar el reductor en el suelo o la pared, tenga en cuenta los siguientes puntos.
- (1) Utilice los orificios de montaje en la superficie de la brida para fijar el reductor. La cara frontal de la carcasa sobresale de la superficie de instalación del reductor, por lo que asegúrese de dejar una holgura (ΦD, t) o mayor entre el cuerpo del reductor y la superficie de instalación, como se muestra en la tabla y el diagrama a continuación.
- (2) Ajuste la excentricidad radial del eje accionado, la conexión de entrada/salida y el ángulo, y luego instale el reductor.
- (3) Consulte la tabla a continuación para conocer el tamaño y paso de perno recomendados para la superficie de la brida del reductor.
Nota: Si primero se conectan la entrada y la salida y luego se fija la superficie de la brida, se pueden aplicar cargas inesperadas al eje y a los cojinetes, lo que puede acortar la vida útil del reductor.
Espacio libre requerido desde la superficie de instalación
| Tamaño | ΦD | t |
|---|---|---|
| EWJ25 | 46 | 3 |
| EWJ35 | 48 | 1.5 |
| EWJ42 | 63 | 3 |
Tamaño, número y paso de los pernos de montaje
| Tamaño | Tamaño del perno de montaje | paso A |
paso B |
|---|---|---|---|
| EWJ25 | M6 x 60 4 piezas | 57 | 76 |
| EWJ35 | M8 x 80 4 piezas | 71 | 96 |
| EWJ42 | M10 x 90 4 piezas | 88 | 111 |
Par de apriete recomendado
| Tamaño | Par de apriete (Nuevo Méjico) |
Par de apriete {kgf・m} |
|---|---|---|
| EWJ25 | 4.9 ~ 5.9 | 0.5 ~ 0.6 |
| EWJ35 | 12 ~ 14 | 1.2 ~ 1.4 |
| EWJ42 | 24 ~ 27 | 2.4 ~ 2.7 |
4-2. Tipo de eje de salida hueco
Existen tres métodos para evitar la rotación del reductor: "montaje del brazo de torsión", "montaje de brida" y "montaje de pie (solo EW-H (tipo de eje de salida hueco))". Recomendamos una tolerancia del diámetro del eje de g7 para el eje accionado.
- (1) Al insertar el reductor en el eje accionado, asegúrese de comprobar que no haya arañazos ni residuos en la periferia exterior del eje accionado o en el interior del eje de salida hueco del reductor.
- (2) Para facilitar la inserción, aplique grasa o disulfuro de molibdeno al eje accionado.
- (3) Si resulta difícil insertarlo, golpee suavemente la cara del extremo del eje de salida hueco con un martillo de goma para facilitar la inserción. Tenga cuidado de no dañar el retén de aceite.
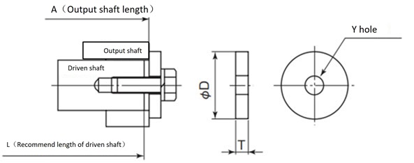
- (4) La ranura para chavetero del eje hueco cumple con la nueva norma JIS. Para la longitud de la chaveta, consulte la sección "Longitud recomendada del eje conducido" a continuación.
Longitud recomendada del eje de transmisión (véanse las figuras 1 y 2 a continuación).
| serie | SWJ | SW・EW | SW・EW・TD | TD | ||||||||||||
|---|---|---|---|---|---|---|---|---|---|---|---|---|---|---|---|---|
| Tamaño del reductor | 25 | 35 | 42 | 50 | 63 | 70 | 80 | 100 | 125 | 150 | 175 | 200 | 225 | 250 | 280 | 315 |
| Longitud del eje de salida: A | 60 | 70 | 80 | 108 | 128 | 130 | 148 | 174 | 200 | 250 | 270 | 290 | 320 | 356 | 404 | 454 |
| Longitud recomendada del eje de transmisión: L | 58 | 68 | 78 | 89 | 109 | 106 | 122 | 146 | 170 | 220 | 238 | 258 | 272 | 303 | 344 | 386 |
4-2-1. Instalación y extracción del brazo de torsión
1. Procedimiento de instalación
Nota) Evite instalar un reductor de entrada de doble eje conectado con un eje de línea.
- (1) Fije el brazo de torsión al reductor con pernos. Nota: Si ha adquirido un brazo de torsión, utilice los pernos que vienen incluidos. Si está fabricando su propio brazo de torsión, utilice pernos con una resistencia de 10.9 o equivalente.
- (2) Inserte el reductor en el eje accionado.
- (3) Fije el reductor al eje accionado en la dirección axial.
- ・Para SWJ25 a 42, recomendamos fijar el extremo del eje de salida con una placa de extremo como se muestra en la Figura 1.
- ・Para los modelos SWJ50 a 70, SW80 a 200, EW80-H a 200-H (tipo de salida hueca) y TD125H a 315H, recomendamos utilizar la ranura del anillo de retención en el eje de salida hueco y asegurarlo con un anillo de tope y una placa de extremo como se muestra en la Figura 2. (Para conocer las dimensiones detalladas del eje de salida hueco, consulte la página del producto).
- (4) Una vez determinada la posición de instalación del reductor, fije el brazo de torsión de manera que el reductor no gire junto con el eje accionado. Asegúrese de que el brazo de torsión tenga cierta libertad de movimiento axial.
- Nota: Fijar la punta del brazo de torsión antes del reductor puede dañarlo; por lo tanto, siga atentamente el procedimiento de trabajo. (Los modelos EW80-H a 200-H se montan sobre patas. Tras fijar el eje hueco de salida y el eje conducido, ajuste la posición del cojinete que soporta el eje conducido).
- Nota) Para la fabricación de placas de extremo, recomendamos las dimensiones y formas que se muestran en la Tabla 1 a continuación, que también sirven como placas perforadas.
Figura 1 SWJ25-42
Figura 2 SWJ50-70, SW80-200
EW80-H~200-H・TD125H~315H
Tabla 1. Dimensiones recomendadas para las placas de extremo (también utilizadas como placas de punzón).
| Tamaño | eje de salida Diámetro del orificio |
Dimensiones de plato recomendadas | Pernos de placa (con arandela elástica) |
Anillo de parada tamaño |
|||||
|---|---|---|---|---|---|---|---|---|---|
| ΦD | T | H | Z | Y Kiri | P | ||||
| SWJ25 | Φ12 | 16 | 4.5 | - | - | 5.5 | - | 1-M5×15 | - |
| SWJ35 | Φ20 | 26 | 6 | - | - | 9 | - | 1-M8×25 | - |
| SWJ42 | Φ25 | 32 | 6 | - | - | 9 | - | 1-M8×25 | - |
| SWJ50 | Φ30 | 29.6 | 9 | 25 | M12 | - | - | 1-M10×40 | C 30 |
| SWJ63 | Φ35 | 34.6 | 9 | 30 | M12 | - | - | 1-M10×40 | C 35 |
| SWJ70 | Φ40 | 39.6 | 12 | 34 | M12 | 2- 6.6 | 24 | 2-M6×40 | C 40 |
| EW/SW80 | Φ50 | 49.6 | 12 | 44 | M16 | 2- 9 | 30 | 2-M8×45 | C 50 |
| EW/SW100 | Φ55 | 54.6 | 14 | 48 | M16 | 2-11 | 32 | 2-M10×55 | C 55 |
| EW/SW125 | Φ70 | 69.5 | 14 | 62 | M24 | 2-14 | 44 | 2-M12×60 | C 70 |
| EW/SW150 | Φ80 | 79.5 | 17 | 70 | M24 | 2-14 | 52 | 2-M12×65 | C 80 |
| EW/SW175 | Φ90 | 89.5 | 17 | 80 | M30 | 2-14 | 60 | 2-M12×65 | C 90 |
| EW/SW200 | Φ100 | 99.5 | 17 | 89 | M30 | 2-18 | 65 | 2-M16×75 | C100 |
| TD125 | Φ70 | 69.5 | 14 | 62 | M24 | 2-14 | 44 | 2-M12×60 | C 70 |
| TD150 | Φ80 | 79.5 | 17 | 70 | M24 | 2-14 | 52 | 2-M12×65 | C 80 |
| TD175 | Φ90 | 89.5 | 17 | 80 | M30 | 2-14 | 60 | 2-M12×65 | C 90 |
| TD200 | Φ100 | 99.5 | 17 | 89 | M30 | 2-18 | 65 | 2-M16×75 | C100 |
| TD225 | Φ110 | 109.6 | 20 | 99 | M30 | 2-18 | 65 | 2-M16×85 | C110 |
| TD250 | Φ125 | 124.4 | 20 | 113 | M30 | 2-18 | 70 | 2-M16×85 | C125 |
| TD280 | Φ130 | 129.4 | 24 | 118 | M36 | 2-22 | 80 | 2-M20×100 | C130 |
| TD315 | Φ160 | 159.4 | 24 | 146 | M36 | 2-22 | 85 | 2-M20×100 | C160 |
2. Procedimiento de extracción
- (1) Cuelgue el reductor utilizando los pernos de suspensión.
- (2) Afloje los pernos de la placa final que sujetan el reductor al eje accionado (dirección axial).
- (3) Libere la punta del brazo de torsión que detiene la dirección de rotación del eje.
- (4) Retire el eje de salida hueco del eje accionado de manera que no se aplique ninguna fuerza excesiva entre la carcasa y el eje de salida hueco. Prepare la placa de extracción (Tabla 1) y el perno de gato (Tabla 2) y coloque el perno de gato como se muestra en la Figura 3 para asegurar una extracción sin problemas.
Tabla 2 Dimensiones del perno de gato
| Tamaño | diámetro del orificio del eje de salida | perno de gato (Totalmente roscado) |
Tamaño | diámetro del orificio del eje de salida | perno de gato (Totalmente roscado) |
|---|---|---|---|---|---|
| SWJ50 | Φ30 | M12×80 | TD125H | Φ70 | M24×150 |
| SWJ63 | Φ35 | M12×80 | TD150H | Φ80 | M24×150 |
| SWJ70 | Φ40 | M12×80 | TD175H | Φ90 | M30×180 |
| EW/SW 80 | Φ50 | M16×100 | TD200H | Φ100 | M30×180 |
| EW/SW100 | Φ55 | M16×100 | TD225H | Φ110 | M30×180 |
| EW/SW125 | Φ70 | M24×150 | TD250H | Φ125 | M30×180 |
| EW/SW150 | Φ80 | M24×150 | TD280H | Φ130 | M36×250 |
| EW/SW175 | Φ90 | M30×180 | TD315H | Φ160 | M36×250 |
| EW/SW200 | Φ100 | M30×180 |
Figura 3: Instrucciones de instalación del perno de gato
4-2-2. Instalación y extracción de bridas
1. Procedimiento de instalación
Al fijar el reductor a la máquina accionada (cuando no actúa ninguna carga radial sobre el reductor).
- (1) Inserte el reductor en el eje accionado.
- (2) Al fijar, utilice los machos en la superficie de la brida de la carcasa.
- - Para SWJ25 a 42, utilice los agujeros en la superficie de la brida para fijar con pernos.
- - Para conocer el tamaño de los pernos, las dimensiones de montaje, el paso, etc., consulte la tabla y el diagrama del punto 2 del apartado 4-1-2 anterior.
- (3) Recomendamos utilizar la junta guía de la carcasa para el posicionamiento. (El modelo SWJ25 no tiene junta guía).
Nota: No se requieren placas de extremo para el montaje de bridas.
Si el eje de salida hueco está fijado con una placa de extremo, se aplicará una fuerza de empuje al cojinete del eje de salida hueco, lo que puede dañar el cojinete.
Al fijar el reductor a la máquina accionada mediante montaje con brida (cuando actúa una carga radial sobre el reductor).
- (1) Inserte el reductor en el eje accionado.
- (2) Ajuste la excentricidad radial del eje accionado, dejando libre la dirección axial, y luego instale el reductor.
- (3) Recomendamos utilizar las roscas de la superficie de la brida de la carcasa para fijar el reductor y el pivote de la carcasa para su posicionamiento. (El SWJ25 no tiene pivote).
- (4) Después de fijar el reductor, fije la dirección axial del eje accionado.
Nota: Si primero se fija la dirección axial del eje accionado, se aplicará una fuerza de empuje al cojinete del eje hueco, lo que puede dañarlo.
2. Procedimiento de extracción
Cuando el reductor está fijado a la máquina accionada (cuando no actúa ninguna carga radial sobre el reductor).
- (1) Afloje los pernos de la brida que sujetan la máquina accionada y el reductor.
- (2) Retire el eje de salida hueco del eje accionado de manera que no se aplique ninguna fuerza excesiva entre la carcasa y el eje de salida hueco. Prepare la placa de extracción (Tabla 1) y el perno de gato (Tabla 2) y coloque el perno de gato como se muestra en la Figura 3 para asegurar una extracción sin problemas.
Al fijar el reductor a la máquina accionada mediante montaje con brida (cuando actúa una carga radial sobre el reductor).
- (1) Mantenga el eje accionado en un estado equilibrado y estable.
- (2) Afloje los pernos de la brida que sujetan la máquina accionada y el reductor.
- (3) Retire el eje de salida hueco del eje accionado de manera que no se aplique ninguna fuerza excesiva entre la carcasa y el eje de salida hueco. Prepare la placa de extracción (Tabla 1) y el perno de gato (Tabla 2) y coloque el perno de gato como se muestra en la Figura 3 para asegurar una extracción sin problemas.
4-2-3. Montaje y desmontaje del soporte de la pata (tipo de eje de salida hueco EW-H)
Al instalar y retirar, asegúrese de centrar la máquina accionada y el reductor consultando la Sección 4-1-1 para la instalación del pie, la Sección 4-2-1 para la instalación del brazo de torsión y la Sección 4-2-2 para la instalación de la brida.
Si el centrado es incorrecto, pueden producirse cargas inesperadas que podrían dañar los cojinetes, ejes, etc.
