datos técnicos Piñones cadena transportadora de gran tamaño Estructura del piñón
1. Estructura básica
El perfil del diente se somete a un tratamiento óptimo de endurecimiento endurecimiento por inducción, lo que mejora la resistencia al desgaste y la capacidad de transmisión del piñón.
2. Formato de concentrador
Tipo BW
Un buje está soldado a un lado de la sección dentada del piñón.
Aplicable
- Tamaño RF10 o menor
- Tamaño RF205 o menor
Tipo BW1
El cubo se inserta en la sección dentada del piñón, formando un único cubo que se suelda por ambos lados.
Aplicable
- Tamaño RF12 o mayor
- Tamaño RF6205 o mayor
Tipo CW
Este tipo tiene bujes soldados a ambos lados de la sección dentada del piñón.
Aplicable
- Tamaño RF10 o menor
- Tamaño RF205 o menor
Tipo CW1
El cubo se inserta en la sección dentada del piñón, formando un cubo doble que se suelda por ambos lados.
Aplicable
- Tamaño RF12 o mayor
- Tamaño RF6205 o mayor
3. Tipo de diente
1. Forma
S1: La punta del diente es circular
S2: Punta del diente plana (el área sombreada está cortada)
Nota: El perfil de diente S2 se utiliza para cadenas con enganches K, donde el perfil de diente S1 podría causar interferencias entre los tacos y el diámetro exterior de la rueda dentada. Consúltenos si utiliza una cadena especial o una cadena con rodillos superiores.
2. Especificaciones
- ・ Serie Estándar (símbolo N)
Los dientes no están endurecidos, lo que los hace adecuados para aplicaciones con cargas ligeras y bajo desgaste. - -Especificación de la punta del diente endurecida (símbolo Q)
Esta es una especificación con puntas dentadas endurecidas. Adecuada para aplicaciones que requieren resistencia al desgaste o condiciones de carga elevada. Consulte la tabla a continuación para distinguir entre Serie Estándar (N) y las puntas dentadas endurecidas (Q).
Clasificación de Serie Estándar y especificaciones de endurecimiento de la punta del diente
| Especificaciones de la cadena | Tipo de rodillo | lado de la transmisión | Lado impulsado | ||
|---|---|---|---|---|---|
| atmósfera normal | atmósfera abrasiva | atmósfera normal | atmósfera abrasiva | ||
| Serie DT Serie DTA |
S | Q | Q | N | Q |
| R | N | Q | N | N | |
| F | N | Q | N | N | |
| Serie AT Serie ATA |
S | Q | Q | N | Q |
| R | Q | Q | N | Q | |
| F | Q | Q | N | Q | |
La clasificación anterior se basa en condiciones de uso generales. Póngase en contacto con nosotros si utiliza el producto en un entorno especialmente abrasivo o bajo condiciones de alta carga.
4. Especificaciones adicionales para el acabado del orificio del eje
Para facilitar el procesamiento de orificios en un entrega breve, las dimensiones de los orificios para ejes se procesan según las siguientes especificaciones. Tenga en cuenta que los tornillos prisioneros no están incluidos.
Especificaciones estándar de procesamiento de agujeros para ejes
| tolerancia del orificio del eje | tolerancia del ancho de la ranura de chaveta | Golpeteo |
|---|---|---|
| H8 | JIS B1301-1996 Tipo normal Js9 |
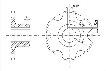
Por encima de las teclas y a intervalos de 120° Golpeado en dos lugares |
| JIS antiguo B1301-1959 2 tipos E9 |
Fase de chavetero y punta del diente
La ranura para la chaveta está mecanizada de forma que el centro del diente del piñón quede alineado con el centro de la ranura. Si desea utilizar cadenas en paralelo, póngase en contacto con nosotros.
Especificaciones y dimensiones de chaveteros y machos
| Chaveta estándar JIS, tolerancia de ancho de chavetero Js9 | |||
|---|---|---|---|
| Diámetro del orificio del eje aplicable | Ancho de la ranura de la chaveta KW |
Profundidad de la ranura KH |
Tamaño del grifo México |
| Mayores de 22 y menores de 30 | 8 | 3.3 | M6 |
| Mayores de 30 y menores de 38 | 10 | 3.3 | M8 |
| Mayores de 38 y menores de 44 | 12 | 3.3 | |
| Mayores de 44 y menores de 50 | 14 | 3.8 | |
| Mayores de 50 y menores de 58 | 16 | 4.3 | M10 |
| Mayores de 58 y menores de 65 | 18 | 4.4 | |
| Mayores de 65 y menores de 75 | 20 | 4.9 | M12 |
| Mayores de 75 y menores de 85 | 22 | 5.4 | |
| Mayores de 85 y menores de 95 | 25 | 5.4 | M16 |
| Más de 95 y menos de 110 | 28 | 6.4 | |
| Más de 110 y menos de 130 | 32 | 7.4 | M20 |
| Más de 130 y menos de 150 | 36 | 8.4 | |
| Más de 150 y menos de 170 | 40 | 9.4 | |
| Más de 170 y menos de 200 | 45 | 10.4 | M24 |
| Más de 200 y menos de 230 | 50 | 11.4 | |
| Tolerancia de ancho de chavetero para chavetero tipo 2 JIS antiguo E9 | |||
|---|---|---|---|
| Diámetro del orificio del eje aplicable | Ancho de la ranura de la chaveta KW |
Profundidad de la ranura KH |
Tamaño del grifo México |
| Mayores de 20 y menores de 30 | 7 | 3 | M6 |
| Mayores de 30 y menores de 40 | 10 | 3.5 | |
| Mayores de 40 y menores de 50 | 12 | 3.5 | M8 |
| Mayores de 50 y menores de 60 | 15 | 5 | |
| Mayores de 60 y menores de 70 | 18 | 6 | M10 |
| Mayores de 70 y menores de 80 | 20 | 6 | M12 |
| Más de 80 y menos de 95 | 24 | 8 | |
| Más de 95 y menos de 110 | 28 | 9 | M16 |
| Más de 110 y menos de 125 | 32 | 10 | M20 |
| Más de 125 y menos de 140 | 35 | 11 | |
| Más de 140 y menos de 160 | 38 | 12 | |
| Más de 160 y menos de 180 | 42 | 13 | |
| Más de 180 y menos de 200 | 45 | 14 | M24 |
| Más de 200 y menos de 224 | 50 | 15.5 | |
| Más de 224 y menos de 250 | 56 | 17.5 | |
Si necesita especificaciones de procesamiento distintas a las enumeradas anteriormente, por favor háganos saber la siguiente información.
- • Forma, diámetro y tolerancia del orificio del eje
- ・Tipo de chavetero, dimensiones, tolerancias
- - Tamaño y posición del grifo
