Japan

ES

Información de TSUBAKI Productos de transmisión de potencia

  • Bienvenido, Invitado
  • Acceso

Una cadena en miniatura creada con el prestigio de Tsubaki, Epsilon Chain

Epsilon Chain Especificaciones de acero inoxidable

¿Tiene problemas para transmitir energía en espacios extremadamente pequeños?

La "Epsilon Chain Especificaciones de acero inoxidable" permite lograr un tamaño compacto y un alto rendimiento.

La "Especificación de acero inoxidable Epsilon Chain" es una cadena de rodillos que se ha fabricado al tamaño más pequeño del mundo mediante técnicas de fabricación y ensamblaje de piezas de precisión.

¿Alguna vez has querido utilizar cadenas de rodillos por su transmisión de potencia fiable, precisión de posicionamiento y flexibilidad compacta, pero lo has descartado por limitaciones de espacio?

La "Especificación de acero inoxidable Epsilon Chain" permite configuraciones compactas donde la transmisión de potencia mediante cadenas no era posible anteriormente.

Por supuesto, también es posible reducir el tamaño de las cadenas convencionales, lo que contribuye a la miniaturización de las aplicaciones.

↑ Reproducir vídeo

Epsilon Chain Especificaciones de acero inoxidable
Tres valores

1. El tamaño más pequeño del mundo

El tamaño más pequeño del mundo

[Haga clic para ampliar]

La cadena de rodillos más pequeña del mundo, con un paso de cadena de 1,905 mm.

La altura, la anchura total y la masa también difieren de los productos convencionales, lo que permite la transmisión en un espacio increíblemente pequeño.

2. Asegurar la resistencia suficiente

Garantiza la resistencia suficiente

[Haga clic para ampliar]

Aunque la cadena es pequeña, tiene una resistencia a la tracción de 0,36 kN.

Tsubaki ha utilizado generosamente su tecnología principal para crear una cadena pequeña pero robusta y de altas especificaciones.

Generalmente, las cadenas pequeñas son cadena con casquillos sin rodillos, pero nosotros hemos optado por una estructura con rodillos.

Esto contribuye a prolongar la vida útil de los piñones y otras piezas periféricas.

3. Apto para entornos corrosivos

Apto para entornos corrosivos

Utilizamos acero inoxidable como material para que pueda usarse durante mucho tiempo en diversos entornos.

Puede utilizarse en entornos donde hay presencia de agua, como por ejemplo durante la limpieza.

Comparación con piezas de transmisión pequeñas

Al alcanzar el tamaño más pequeño del mundo, puede utilizarse en aplicaciones donde las cadenas convencionales no son adecuadas, y también puede usarse como reemplazo de correas y cables.

Resistencia de la cadena

  • Transmisión de energía fiable
    A diferencia de la transmisión de potencia por fricción, la transmisión por engranaje evita el deslizamiento.
  • Puede utilizarse para aplicaciones de extrusión.
    Su elevada rigidez significa que es menos probable que se doble, incluso durante el movimiento hacia adelante y hacia atrás.
  • Curvatura compacta
    A diferencia del alambre central de los cables o correas, no existe riesgo de deformación o rotura por flexión.

Épsilon
cadena

Epsilon Chain

pequeño paso
Con dientes
cinturón

Correa dentada de paso pequeño

Diámetro pequeño
Cable
soga

cable de acero de pequeño diámetro
compacto
Resistencia a la tracción -
Posicionamiento
exactitud
X
Extrusión
Objetivo
X X
tensión de instalación
configuración
○(innecesario) X (obligatorio) -

La "Especificación de acero inoxidable Epsilon Chain" se puede enrollar de forma compacta y se puede utilizar incluso en diseños estrechos e intrincados.

Las poleas que soportan correas dentadas o cables de acero requieren bridas para evitar que se caigan, lo que aumenta el espacio necesario en la dirección del diámetro del círculo primitivo.

Aproximadamente 7,6 mm
compacto

Ejemplo de aplicación

La reducción del tamaño de la cadena permite aplicaciones más pequeñas y ligeras.

Además, se espera que la reducción de la holgura mejore la precisión operativa.

Unidad de control del dispositivo endoscópico

Unidad de control del dispositivo endoscópico

Otras aplicaciones

Efector final

Efector final

robot cosechador de cultivos

robot cosechador de cultivos

Traje de asistencia

Traje de asistencia

brazo protésico

brazo protésico

Especificación

Epsilon Chain Especificaciones de acero inoxidable

Nombre del producto

Epsilon Chain Especificaciones de acero inoxidable

Presupuesto

Dimensiones
Nombre del producto Paso
P
Diámetro del rodillo
R
enlace interno
Ancho interior
W
Placa
Espesor
T
ancho
H
ancho
h
RS6-ESS-1 1.905 1.19 1.27 0.25 1.81 1.56
Pasador Resistencia mínima a la tracción
kN{kgf}
Masa Aproximada
kg/m
1 unidad de
Número de enlaces
Diámetro D L1 L2
0.596 1.4 2.1 0.36
{37}
0.017 532

Ejemplo de visualización del número de modelo

RS6 - ESS - 1 - RP + 151L - RR
Tamaño Especificación Número de hilos Unidad principal
alfiler
formato
Número de enlaces final
símbolo

Nota)

  • 1. Este producto es una cadena muy pequeña, y existen muchas diferencias en su manejo en comparación con las cadenas de tamaño convencional.
    Tenga en cuenta que parte de la información técnica contenida en Cadena de transmisión y piñones, así como datos técnicos TSUBAKI Productos de transmisión de potencia podría no ser aplicable a este producto. Para obtener información sobre selección y manejo, póngase en contacto con nosotros.
  • 2 No hay ninguna estampado en la placa.
  • 3 Los pasadores no están remachados.
  • No hay Eslabón acodado 4.
  • No admitimos trenes de más de 5 unidades.
  • 6. Para configuraciones de trenes infinitas con menos de 40 enlaces, utilice enlaces de conexión.
    Póngase en contacto con nosotros para obtener información sobre configuraciones de trenes ilimitadas.
    Para los enlaces impares, los enlaces en ambos extremos serán enlace interno. Póngase en contacto con nosotros si necesita una configuración diferente a la descrita anteriormente.

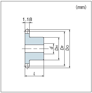
Dimensiones

Serie

Epsilon Chain Especificaciones de acero inoxidable
rueda de espigas

Presupuesto

Dimensiones
Número de modelo Número de dientes círculo primitivo
diámetro
D P
Diámetro exterior
Do
Diámetro del orificio del eje
d
Centro Agujero para tornillo de fijación Masa
aprox.
gramo
diámetro
D H
longitud
L
RS6-1B9T-ESS-2 9 5.57 6.3 2 5.5 5 3-M1.6 0.6
RS6-1B15T-ESS-3 15 9.16 10.1 3 7.8 6.5 3-M2.5 1.8
RS6-1B21T-ESS-4 21 12.78 13.7 4 10 6 2-M3 3.2

Nota)

  • 1. El material es acero inoxidable.
  • 2. El número mínimo de dientes es 9T. También podemos considerar la fabricación con otros números de dientes y especificaciones, así que póngase en contacto con nosotros.
  • Los 3 orificios para el eje están acabados e incluyen tornillos de fijación.
  • 4. También ofrecemos tratamientos superficiales para mejorar la resistencia al desgaste; póngase en contacto con nosotros para obtener más información.

Plantillas de mantenimiento

cuna de cadena

Nombre del producto

Para uso exclusivo con Epsilon Chain
cuna de cadena

Presupuesto

cuna de cadena
Número de modelo tamaño
L H B
RS6-CR 50 15 20
Ponche especial

Nombre del producto

Punzón específico para Epsilon Chain

Presupuesto

Ponche especial
Número de modelo Longitud total mm
RS-P10 77

Haga clic aquí para obtener instrucciones sobre cómo cortar y unir Epsilon Chain.