datos técnicos reductor de tornillo sin fin de tornillo sin fin Especificaciones
freno
1. Características de frenado
| Salida del motor | tres fases | 0.1kW | 0.2kW | 0.4kW | 0.75kW | 1.5kW | 2.2kW | 3.7kW | 5.5kW |
|---|---|---|---|---|---|---|---|---|---|
| número de modelo del freno | Trifásico 200 V | SLB01 | SLB02 | SLB04 | SLB07E | SLB15 | SLB22 | VNB371K NB-31190 | VNB55KE |
| Trifásico 400V | SLB01 | SLB02 | SLB04V | SLB07E 180V | SLB15 180V | SLB22 180V | VNB371KV NB-31192 | VNB55KE | |
| rectificador de CC Número de modelo |
Trifásico 200 V | DM200D | DM200D | PM180B | |||||
| Trifásico 400V | DM400D | ||||||||
| Par nominal | Par de fricción estática N·m | 0.98 | 1.96 | 3.92 | 7.35 | 15 | 22 | 37 | 55 |
| {kgf・m} | 0.1 | 0.2 | 0.40 | 0.75 | 1.50 | 2.20 | 3.77 | 5.61 | |
| Par de fricción dinámico N·m | 0.78 | 1.57 | 3.14 | 5.88 | 12.0 | 17.6 | 29.6 | 44 | |
| {kgf・m} | 0.08 | 0.16 | 0.32 | 0.60 | 1.20 | 1.79 | 3.02 | 4.48 | |
| Voltaje | Trifásico 200 V | DC90V | DC90V | 180 V instantáneos Siempre 50 V |
|||||
| Trifásico 400V | DC180V | ||||||||
| actual a 20 ℃ |
Trifásico 200 V | 0.178 | 0.178 | 0.232 | 0.273 | 0.289 | 0.289 | 0.261 | 0.253 |
| Trifásico 400V | 0.142 | 0.145 | 0.145 | 0.135 | |||||
| capacidad | at 20 ℃ W | 16.0 | 16.0 | 20.9 | 24.6/25.5 | 26.0/26.1 | 26.0/26.1 | 26.1/26.1 | 12.6/40.7 |
| Espacio inicial mm | 0.15 ~ 0.20 | 0.15 ~ 0.20 | 0.15 ~ 0.20 | 0.15 ~ 0.20 | 0.15 ~ 0.20 | 0.15 ~ 0.20 | 0.3 | 0.35 | |
| Espacio límite mm | 0.5 | 0.5 | 0.5 | 0.5 | 0.5 | 0.5 | 1.2 | 1.2 | |
| Momento de inercia kg m 2 | 0.02×10-3 | 0.04×10-3 | 0.04×10-3 | 0.11×10-3 | 0.21×10-3 | 0.50×10-3 | 0.50×10-3 | 1.70×10-3 | |
| GD2 kgf ・m2 | 0.10×10-3 | 0.15×10-3 | 0.15×10-3 | 0.44×10-3 | 0.80×10-3 | 2.00×10-3 | 2.00×10-3 | 6.8×10-3 | |
| Trabajo total de frenado J {kgf・m} |
1.31×108 | 1.85×108 | 1.85×108 | 3.66×108 | 3.73×108 | 3.73×108 | 13.5×108 | 24.7×108 | |
| 1.34×107 | 1.89×107 | 1.89×107 | 3.73×107 | 3.81×107 | 3.81×107 | 13.8×107 | 25.2×107 | ||
| Frecuencia de arranque permitida | 10 veces por minuto | ||||||||
| Tiempo de retardo de frenado S (valor de referencia) |
cableado interno de CA | 0.18 ~ 0.25 | 0.15 ~ 0.21 | 0.14 ~ 0.17 | 0.20 ~ 0.24 | 0.30 ~ 0.45 | 0.30 ~ 0.45 | 0.50 ~ 0.70 (0.40 ~ 0.60) |
- |
| cableado externo de CA | 0.11 ~ 0.18 | 0.09 ~ 0.12 | 0.06 ~ 0.09 | 0.10 ~ 0.13 | 0.10 ~ 0.13 | 0.10 ~ 0.13 | 0.20 ~ 0.40 | - | |
| operación externa de CA | 0.11 ~ 0.18 | 0.09 ~ 0.12 | 0.06 ~ 0.09 | 0.10 ~ 0.13 | 0.10 ~ 0.13 | 0.10 ~ 0.13 | 0.20 ~ 0.40 | 0.03 ~ 0.05 | |
| cableado externo de CC | 0.05 ~ 0.07 | 0.04 ~ 0.06 | 0.03 ~ 0.05 | 0.04 ~ 0.06 | 0.01 ~ 0.06 | 0.01 ~ 0.06 | - (0.02 ~ 0.04) |
- | |
- Nota 1) El par nominal indica el par de fricción estática y el par de fricción dinámica después del montaje.
- Nota 2) El tiempo de retardo de frenado es un valor de referencia y puede variar según el estado del freno, las condiciones de uso, las diferencias individuales, etc. Si desea acortar el tiempo de retardo de frenado (para dispositivos de elevación, etc.), recomendamos cableado externo de CC.
- Nota 3) La corriente y la capacidad son valores a 200V/400V.
2. Rectificador (rectificador de CC)
rectificador de CC viene integrado y ya conectado a los cables del motor. Si desea utilizar cableado externo de CC, indíquelo al realizar el pedido o conéctelo según este diagrama de cableado.
Si necesita un rectificador de CC independiente para usarlo en un panel de control, etc., por favor especifíquelo al realizar su pedido.
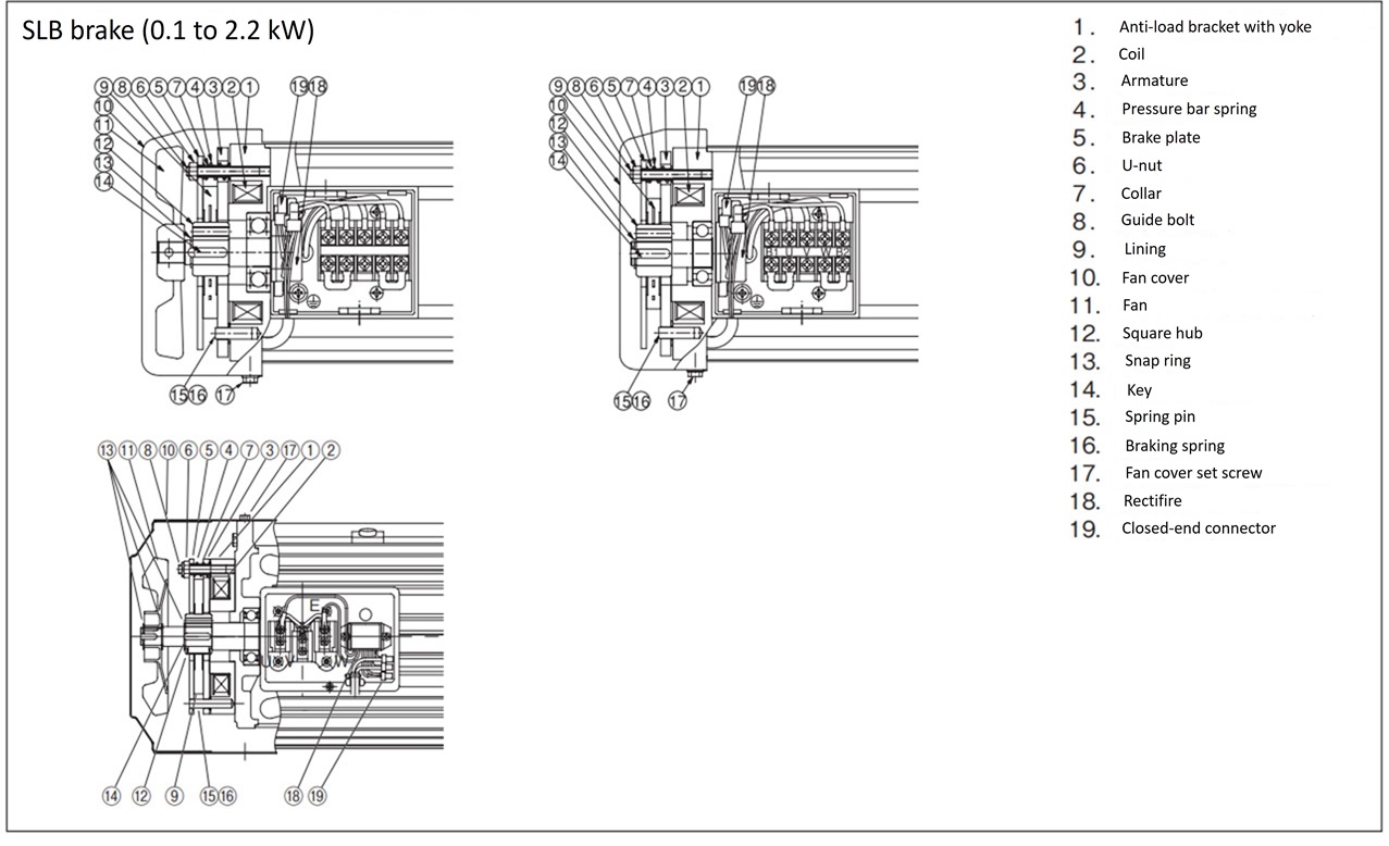
3. Estructura de la sección de frenos
*Desconexión manual [Equipamiento estándar: de 0,1 kW a 2,2 kW]
- - Realice la operación de liberación sin aplicar carga al eje de salida.
- - Retire la cubierta del ventilador e instale los tornillos.
- Una vez finalizado el trabajo, asegúrese de retirar los tornillos y colocar la cubierta del ventilador antes de ponerlo en funcionamiento.

Nota) Los modelos de 1,5 kW y 2,2 kW utilizan tornillos M6.
