Serie BB

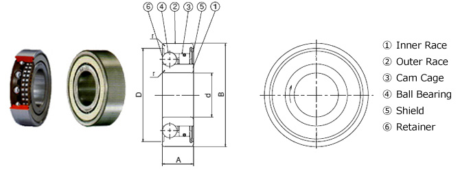
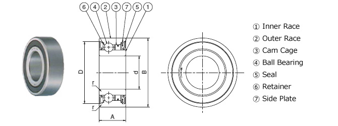
- El rodamiento (serie 6200) y el embrague de leva están integrados.
- El rodamiento (serie 6200) incorpora un embrague de leva. Para complementar la atmósfera, también ofrecemos una gama de rodamientos con retenes de aceite.
- Puede utilizarse en un amplio rango de velocidades, desde bajas hasta altas, y es adecuado para aplicaciones con cargas pequeñas y ligeras.
- トルク範囲:29~260N・m
Características
- • Diseño compacto
Combina las funciones de un embrague unidireccional y un rodamiento en un espacio reducido, lo que permite un uso eficaz del espacio. - ・Fácil de instalar
Existen dos tipos de montaje al eje o a la carcasa: ajuste a presión y con chaveta. - ・Mayor capacidad de par
Al disponer varias levas entre las pistas interior y exterior, es posible transmitir un par mayor que con un embrague de rodillos tipo carcasa. - ・Todos los productos están en stock y listos para su entrega inmediata.
También ofrecemos una gama de productos con juntas de aceite, teniendo en cuenta el entorno en el que se utilizarán.
Estructura
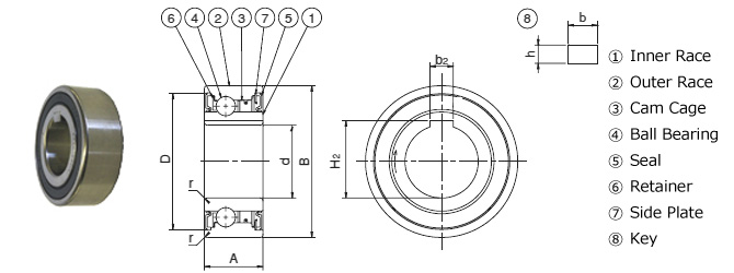
・Tipo BB
Este es el tipo básico. El rodamiento de bolas de la serie 6200 incorpora un embrague de leva. pista exterior se ajustan a presión para transmitir ajuste a presión.
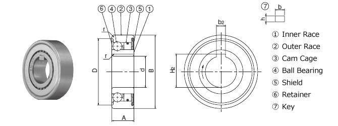
・Serie BB tipo 1K-K (con ranura para llave pista interior)
Se trata de un buje tipo BB con chavetero en pista interior. pista exterior transmite el par de apriete mediante ajuste a presión. Incluye llave.
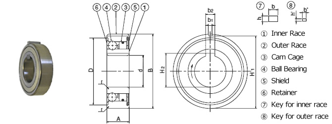
・Serie BB tipo 2K-K (con chaveteros pista exterior)
Se trata de un rodamiento de bolas tipo BB con chaveteros en los pista exterior. El montaje en la carcasa y el eje se realiza mediante una chaveta, la cual está incluida.
・Serie BB tipo 2GD (con juntas de contacto de goma en ambos lados)
Se trata de un eje de pedalier con juntas de goma en ambos lados. pista exterior transmiten el par mediante ajuste a presión. Su anchura es 5 mm mayor que la de un eje de pedalier estándar.
・Serie BB tipo 2GD1K-K (con juntas de contacto de goma en ambos lados y chavetero de anillo pista interior)
Se trata de un tipo BB-2GD con chavetero en pista interior. pista exterior transmite el par mediante ajuste a presión. Se incluye una llave.
Ejemplo de visualización del número de modelo
| BB30 | - | 1K | - | K | |
| | tamaño |
| 1K: Con ranura para llave pista interior 2K: pista exterior con ranuras clave |
| Llave incluida |
|||
| (Si no hay chavetero, "1K-K" y "2K-K" quedan en blanco) | |||||
| BB30 | - | 2GD | 1K | - | K |
| | tamaño |
| Juntas de contacto de goma en ambos lados |
| Con ranura para llave pista interior |
| Llave incluida |
||
| (Si no hay ranura para la llave, deje "1K-K" en blanco) | |||||
Catálogos y manuales de instrucciones
Lista de números de modelo de producto
*Haga clic en el número de modelo para mostrar información detallada.
