Tipo de husillo de bolas Lift Master

- Elevador de palanca con husillo de bolas
- - Alta eficiencia y alta velocidad.
El uso de un tornillo de bolas permite obtener un gran empuje con una pequeña fuente de accionamiento con alta eficiencia.
Su alta eficiencia permite un funcionamiento más fácil del dispositivo a alta velocidad en comparación con los tornillos trapezoidales. - • Precisión y controlabilidad de la operación
También es compatible con accionamientos de servomotores, lo que permite el control de posición multipunto y múltiples operaciones sincronizadas. - ・Larga vida útil
Se utilizan tornillos de bolas de alta fiabilidad, lo que permite una vida útil predecible y garantiza una larga vida útil. - ・Una amplia variedad de opciones
También es posible realizar movimientos complejos como girar Lift Master e inclinar el brazo.
Características y estructura Contenido de vídeo
Ventajas
- ・Puedes diseñar tu línea de producción libremente >>Más información
- ・Fácil de usar >>Más detalles
- • Entorno laboral mejorado >>Más información
- • Efecto de ahorro de energía >>Más información
Especificaciones (tipo husillo de bolas)
- • Capacidad de elevación: de 1,96 kN a 9,80 kN
- ・Carrera: 400 mm/1500 mm
- ・Unidad de accionamiento: con motor/servomotor trifásico
- ・Velocidad: 1,5-9,96 m/min
Curva de carga admisible OHL (basada en la superficie de montaje de la pieza: ver dibujo esquemático)
Catálogos y manuales de instrucciones
Para comparar Zip Chain y el mecanismo de tornillo, consulte aquí.
Visualización del número de modelo
| LME | B | 0500 | H | 10 | G | E |
| | | Lift Master |
| Tipo de tornillo B: Husillo de bolas |
| Carga de elevación 0200: 1,96 kN {200 kgf} 0500: 4,90 kN (500 kgf) 1000: 9,80 kN {1000 kgf} |
| velocidad S, H, U La velocidad de cada modelo Más información Consulte. |
| ataque 04: 400 mm 06: 600 mm 08: 800 mm 10: 1000 mm 12: 1200 mm 15: 1500 mm |
| unidad de accionamiento G: Con motor trifásico K: Con servomotor |
| opción Consulte a continuación para obtener más detalles. |
navegación del número de modelo del producto
¿Qué tipo de tornillos se utilizan?
Carga de elevación
Esta es la carga que se puede elevar o descender en el centro de gravedad especificado.
velocidad
Este símbolo indica la velocidad de elevación.
Consulte la información detallada para conocer los valores de velocidad de cada modelo.
Ataque
La distancia que se puede subir o bajar.
unidad de accionamiento
G: Viene con un motor trifásico.
K: Viene con un servomotor.
Símbolo de opción
J: Los fuelles están unidos a la abertura.
L1 a L3: Agregar de uno a tres sensores de detección de posición.
V: La tensión de alimentación se duplica.
E: Un codificador rotatorio está conectado a la parte trasera del motor.
D1 a D3: Cambiar la dirección de montaje del motor.
D1: 90 grados desde la posición de instalación estándar
D2: Rotación de 180 grados desde la posición de instalación estándar
D3: Inclinación de 270 grados desde la posición de montaje estándar
Lista de números de modelo de producto
*Haga clic en el número de modelo para mostrar información detallada.
opción
Fuelle delantero [código de opción: J]
- Fuelles para evitar que el polvo entre en Lift Master por la parte delantera.
Carrera admitida: de 400 mm a 1200 mm
*Póngase en contacto con nosotros si necesita un montaje de fuelle para carreras superiores a 1200 mm.
*Solo para las series LME0200 y LME0500 con carreras de 800 mm y 1200 mm.
La carrera efectiva será más corta al instalar el fuelle delantero. Contáctenos para más detalles.
<Ejemplo de referencia de instalación>
Por favor, contáctenos para conocer las dimensiones.
[Haga clic para ampliar]
Agregar un sensor de detección de posición [código de opción: L1 a L3]
・El modelo estándar está equipado con cuatro sensores de detección de posición (dos solo para velocidad S),
Se dispone de hasta tres sensores solo para la velocidad S, y un sensor adicional para las demás velocidades.
・El símbolo de opción es [L1] para agregar un sensor, [L2] para agregar dos sensores y [L3] para agregar tres sensores.
Si desea agregar más sensores, contáctenos.
Número de modelo compatible L1: Todos los números de modelo estándar
L2, L3: Solo LMEB0200S, LMEM0500S, LMEM1000S
Tensión del motor 400V clase [código de opción: V]
・Cambie el voltaje del motor de accionamiento a la clase de 400 V.
Modelos compatibles: Todos los modelos estándar
Con codificador rotatorio [Código de opción: E]
- Se puede instalar un codificador rotatorio en el extremo del eje del lado sin carga de un motor trifásico, lo que permite emitir la señal de rotación del motor.
Modelo compatible: Modelo estándar con motor trifásico
Características
• Controlabilidad
Del reductor se puede extraer una señal de salida de colector abierto, lo que permite una variedad de operaciones.
·compacto
No es necesario conectar el eje del motor y el codificador rotatorio con un acoplamiento.
• Reducción de costes
En comparación con las instalaciones separadas convencionales, no se necesitan acoplamientos, placas base ni trabajos de nivelación.
Especificaciones del codificador rotatorio
| Tensión de alimentación | DC4.5~30V |
|---|---|
| Número de pulsos | 100 |
| Formato de salida | Salida de colector abierto (tipo NPN) 6 Señal de diferencia de fase AB90° + Señal de origen Z |
| Circuito de salida | |
| Consumo actual | 30 mA o menos |
| Voltaje de salida | 0,5 V o menos (a la corriente de hundimiento máxima) |
| corriente de hundimiento máximo | 40mA MAX |
| Señal en ascenso Tiempo de otoño |
1 μs o menos |
| Frecuencia de respuesta máxima | 240kHz |
| Tensión de resistencia del circuito de salida | 50V MAX |
| Longitud del cable | 0,5 m con conector (Hirose Electric Co., Ltd. DF3-6S-2C) |
| vibración | 4,9 m/s 2 {0,5 G} o menos (20~50 Hz) |
Estructura y dimensiones (parte de montaje del codificador rotatorio)
Mesa de cableado
| Número de PIN | color | conexión |
|---|---|---|
| 1 | rojo | fuente de alimentación |
| 2 | negro | 0V común |
| 3 | azul | Señal A |
| 4 | blanco | Señal B |
| 5 | amarillo | Señal Z |
| 6 | negro | blindaje |
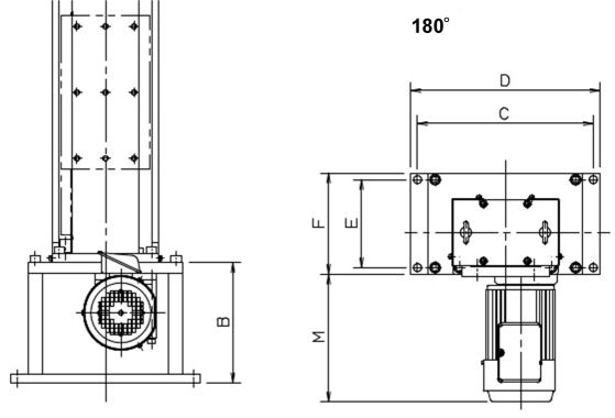
Cambio de dirección de montaje del motor [Código de opción: D1 a D3]
- El sentido de instalación del motor puede modificarse en función de la ubicación del equipo, la instalación de la pieza de trabajo, la dirección de transferencia de los elementos transportados, etc.
*La altura total puede variar dependiendo de la dirección de instalación del motor y la carrera.
*La serie LME0200S tiene el motor fijado en la parte superior, por lo que la superficie de contacto con el suelo es la misma que la del producto estándar, independientemente de la orientación.
Por favor, contáctenos para indicarnos las dimensiones del motor y la brida que sobresale de la guía.
Los dibujos y dimensiones que se muestran a continuación corresponden a las especificaciones de un motor trifásico. También ofrecemos servomotores como opción; contáctenos para obtener más información.
Modelos compatibles: Todos los modelos estándar
D1: Se modificó la dirección de instalación del motor en 90 grados.
D2: Se cambió la dirección de instalación del motor 180 grados
D3: Se cambió la dirección de instalación del motor 270 grados
| D1: giro de 90 grados | D2: giro de 180 grados | D3: giro de 270 grados |
|---|---|---|
|
[Haga clic para ampliar] |
[Haga clic para ampliar] |
[Haga clic para ampliar] |
<Tabla de comparación de dimensiones D1>
| Modelo | Capacidad del motor kW |
dirección de montaje del motor estándar | D1: giro de 90 grados | ||||||||||
|---|---|---|---|---|---|---|---|---|---|---|---|---|---|
| B | C | D | E | F | M | B | C | D | E | F | M | ||
| 0200S | 0.1 | - | 250 | 280 | 170 | 200 | 141 | - | 250 | 280 | 170 | 200 | 154 |
| 0200H | 0.4 | 245 | 340 | 370 | 193 | 245 | 340 | 370 | 190 | 220 | 160 | ||
| 0500S | 0.4 | ||||||||||||
| 0500H | 0.75 | 270 | 270 | 210 | 240 | 237 | |||||||
| 0500U | 1.5 | 273 | 400 | 430 | 200 | 230 | 369 | 318 | 400 | 430 | 255 | 285 | 283 |
| 1000S | 0.75 | 250 | 273 | 240 | 270 | 217 | |||||||
| 1000H | 1.5 | 368.5 | 318 | 255 | 285 | 293 | |||||||
| 1000U | 2.2 | 407 | 343 | ||||||||||
<Tabla de comparación de dimensiones D2>
| Modelo | Capacidad del motor kW |
dirección de montaje del motor estándar | D2: giro de 180 grados | ||||||||||
|---|---|---|---|---|---|---|---|---|---|---|---|---|---|
| B | C | D | E | F | M | B | C | D | E | F | M | ||
| 0200S | 0.1 | - | 250 | 280 | 170 | 200 | 141 | - | 250 | 280 | 170 | 200 | 172 |
| 0200H | 0.4 | 245 | 340 | 370 | 193 | 245 | 340 | 370 | 223 | ||||
| 0500S | 0.4 | ||||||||||||
| 0500H | 0.75 | 270 | 265 | 300 | |||||||||
| 0500U | 1.5 | 273 | 400 | 430 | 200 | 230 | 369 | 273 | 400 | 430 | 200 | 230 | 366 |
| 1000S | 0.75 | 250 | 290 | ||||||||||
| 1000H | 1.5 | 368.5 | 366 | ||||||||||
| 1000U | 2.2 | 407 | 416 | ||||||||||
<Tabla de comparación de dimensiones D3>
| Modelo | Capacidad del motor kW |
dirección de montaje del motor estándar | D3: giro de 270 grados | ||||||||||
|---|---|---|---|---|---|---|---|---|---|---|---|---|---|
| B | C | D | E | F | M | B | C | D | E | F | M | ||
| 0200S | 0.1 | - | 250 | 280 | 170 | 200 | 141 | - | 250 | 280 | 170 | 200 | 80 |
| 0200H | 0.4 | 245 | 340 | 370 | 193 | 245 | 340 | 370 | 190 | 220 | 86 | ||
| 0500S | 0.4 | ||||||||||||
| 0500H | 0.75 | 270 | 270 | 210 | 240 | 163 | |||||||
| 0500U | 1.5 | 273 | 400 | 430 | 200 | 230 | 369 | 318 | 400 | 430 | 255 | 285 | 209 |
| 1000S | 0.75 | 250 | 273 | 240 | 270 | 123 | |||||||
| 1000H | 1.5 | 368.5 | 318 | 255 | 285 | 199 | |||||||
| 1000U | 2.2 | 407 | 249 | ||||||||||
Selección
Nuestro personal seleccionará el elevador que cumpla con sus requisitos y necesidades.
Por favor, haga clic en la pestaña "dimensionamiento" en la parte superior de esta página.
Productos con especificaciones especiales
Especificaciones de montaje en pared

Si Lift Master no se puede instalar en el suelo, también se puede montar en la pared, aprovechando eficazmente el robusto lateral de la estructura del dispositivo para ahorrar espacio.
Especificaciones de prevención de caídas

Se puede instalar un pasador de seguridad manual en Lift Master para evitar que se caiga.
Especificaciones del eje de giro

En la sección de montaje de la pieza de trabajo se incluye un mecanismo de rotación manual.
Especificación de piso bajo

Incluso si no puede instalar Lift Master debido a limitaciones de espacio, podemos adaptarnos a sus necesidades con una especificación de altura reducida.
Especificaciones de alta velocidad

Esta especificación es de alta velocidad, con una velocidad máxima de 500 mm/s. Se requiere un servomotor. Contáctenos para más detalles. *Las especificaciones de alta velocidad, hasta 300 mm/s, pueden funcionar con un motor de uso general mediante control por inversor.
Resistente al polvo y al agua

Lift Master es a prueba de polvo y goteo. También puede usarse en entornos con presencia de aceite de corte y refrigerante. *No apto para uso en exteriores.
Mecanismo de transferencia horizontal

También podemos fabricar Lift Master para transporte horizontal.
Especificaciones de alta rigidez

Si el temblor durante el levantamiento o la flexión al detenerse es un problema, podemos solucionarlo reforzando el propio pilar de soporte.
tipo síncrono de eje de transmisión

Lift Master se puede conectar al acoplamiento ECHT-FLEX y a Caja de cambios de inglete de Tsubaki para permitir un funcionamiento sincronizado. Ofrecemos un sistema que se adapta a sus condiciones de operación, incluyendo Motorreductor.
Propuesta compuesta Portacables (CABLEVEYOR)

Al elevar o descender objetos móviles, como cintas transportadoras, es posible considerar opciones como Portacables (CABLEVEYOR) o bastidores para Portacables (CABLEVEYOR) para proteger los cables asociados.







