Cadena transportadora de elevador de cangilones

- Esta cadena está especialmente diseñada para elevadores de cangilones, haciendo hincapié en la resistencia al desgaste y a la fatiga.
- Gracias a nuestra dilatada experiencia y a nuestra probada trayectoria, también podemos ofrecer cadenas con especificaciones adecuadas para el transporte de cemento y carbón pulverizado corrosivo.
- La sección de unión tiene un enlace de unión específico que facilita cortar y conectar.
- También ofrecemos las especificaciones FB y FBXA, diseñadas para prevenir el desgaste y la elongación.
Catálogos y manuales de instrucciones
Especificación
- Especificaciones generales de cadena resistente al desgasteSerie CT o Serie BT
Centradas en el cemento altamente abrasivo, las piezas están fabricadas con materiales, dureza y huecos adecuados para el transporte de cemento.
• Cadena de especificación RT o Ypara carbón pulverizado
Esta cadena está especialmente diseñada para transportar carbón fino corrosivo.
Especificación Y: Una especificación que combina resistencia y tenacidad.
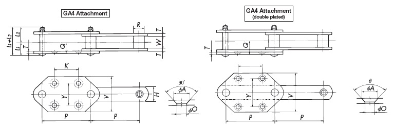
adjunto
El accesorio estándar es el accesorio GA4.
El accesorio GA está fijado al lado opuesto del pasador en T.
Lista de productos
※Haz clic para ver información detallada
carga máxima admisible es un valor calculado según nuestros estándares de diseño y corresponde a la resistencia calculada. Salvo que se indique lo contrario, se utiliza carga máxima admisible al seleccionar cadena transportadora de gran tamaño.
Este valor varía según el fabricante y no es un valor garantizado.
*Por favor, póngase en contacto con nosotros para conocer la resistencia a la tracción media.
| Tamaño | Tipo de rodillo |
Paso | Rodillo Diámetro exterior |
enlace interno Ancho interior |
||||||
|---|---|---|---|---|---|---|---|---|---|---|
| 150mm | 152.4mm | 200mm | 250mm | 300mm | 350mm | 400mm | Φmm | mm | ||
| B10 | S | B10150S | --- | --- | --- | --- | --- | --- | 29 | 30 |
| B12 | S | --- | B12006S | B12200S | --- | --- | --- | --- | 34.9 | 37.1 |
| B17 | S | --- | --- | B17200S | B17250S | --- | --- | --- | 40.1 | 51.4 |
| B26 | N | --- | --- | B26200N | B26250N | B26300N | --- | --- | 50.8 | 57.2 |
| B36 | N | --- | --- | --- | B36250N | B36300N | B36350N | --- | 57.2 | 66.7 |
| B60 | N | --- | --- | --- | --- | B60300N | B60350N | B60400N | 70 | 77 |
| B90 | N | --- | --- | --- | --- | --- | B90350N | B90400N | 85 | 88 |
| B120 | N | --- | --- | --- | --- | --- | --- | B120400N | 100 | 100 |


