Piñón de plástico técnico para Cadena superior de plástico tipo TPUH-BO

A partir de julio de 2026, algunos números de modelos sufrirán cambios de especificaciones o se suspenderán sus ventas.
Haga clic aquí para más detalles.
Haga clic aquí para más detalles.
- Piñón de plástico de ingeniería para el transporte horizontal de Cadena superior de plástico tipo TPUH-BO
- Utilice la unidad principal y el concentrador conjuntamente.
-
Objetivo
Este producto transmite la potencia del motor a la cadena.
Por favor, acóplelo al eje de transmisión de la cinta transportadora antes de usarlo.
Lista de piñones de plástico técnico para Cadena superior de plástico tipo TPUH-BO
Tipo integrado (plástico de ingeniería)
| tipo | Tipo integrado |
|---|---|
| Objetivo | - |
| Número de modelo | TP-C12781LT-SPR |
| Tipo de cadena aplicable | TPUH-BO |
| Paso de cadena aplicable en mm | 38.1 |
| Tipo de piñón aplicable | - |
| Brida guía aplicable | - |
| Centro aplicable | TP-C12773T-HB |
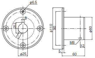
| forma | ![]() |
| Material del cuerpo | Perfil dental: Poliamida Buje: Aluminio |
| Grado del material | - |
| Color exterior de la carrocería | negro |
| color exterior del pomo | - |
| Material de rodamiento | - |
| Material del anillo de sellado | - |
| Estructura | - |
| tornillos de cabeza avellanada | - |
| Material para pernos y tuercas | - |
| Número de dientes | 32 |
| número efectivo de dientes | - |
| forma del orificio del eje | Círculo |
| Dimensiones del orificio del eje (mm) | Φ25 |
| orificio piloto (mm) | - |
| Diámetro máximo del orificio del eje (mm) | - |
| Ancho en mm | - |
| Longitud en mm | - |
| Radio de curvatura lateral de la cadena R mm | - |
Centro
| tipo | - |
|---|---|
| Objetivo | - |
| Número de modelo | TP-C12773T-HB |
| Tipo de cadena aplicable | TPUH-BO, TPUH-BO |
| Paso de cadena aplicable en mm | 38.1 |
| Tipo de piñón aplicable | TP-C12781LT-SPR |
| Brida guía aplicable | - |
| Centro aplicable | - |
| forma | ![]() |
| Material del cuerpo | aluminio |
| Grado del material | - |
| Color exterior de la carrocería | - |
| color exterior del pomo | - |
| Material de rodamiento | - |
| Material del anillo de sellado | - |
| Estructura | - |
| tornillos de cabeza avellanada | - |
| Material para pernos y tuercas | - |
| Número de dientes | - |
| número efectivo de dientes | - |
| forma del orificio del eje | - |
| Dimensiones del orificio del eje (mm) | - |
| orificio piloto (mm) | - |
| Diámetro máximo del orificio del eje (mm) | - |
| Ancho en mm | - |
| Longitud en mm | - |
| Radio de curvatura lateral de la cadena R mm | - |
Ejemplo de visualización del número de modelo
| TP-C12781LT | - | SPR |
| | Modelo |
| abreviatura SPR: Piñón |
|
| TP-C12773T | - | HB |
| | Modelo |
| abreviatura HB: Centro |
|


