Limitador de par

- El dispositivo de protección contra sobrecarga de tipo fricción más versátil
- - Se puede acoplar al eje y transmitir potencia mediante cadenas de rodillos, correas o engranajes.
- - Se deslizará si se aplica una sobrecarga y volverá automáticamente a la normalidad cuando se elimine la sobrecarga.
- - Ajustar el par de deslizamiento es fácil; basta con apretar la tuerca o el tornillo de ajuste.
- -Hay disponible una amplia gama de tamaños, lo que permite una gran variedad de ajustes de par.
- -También disponemos de una selección de tipos de piñones y acoplamientos.
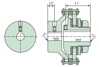
Estructura
Durante el funcionamiento normal, el elemento central queda atrapado entre placas de fricción y presurizado por un resorte de disco, y la rotación se transmite por la fuerza de fricción por debajo del par establecido.
En caso de sobrecarga, si el par supera el valor establecido, el elemento central patinará entre los discos de fricción. Si se libera la sobrecarga, reinicio automático.
*El diagrama superior muestra la estructura de los modelos TL200 a TL350. Para los modelos TL500 a TL700 y TL10 a TL20, el par de deslizamiento se ajusta apretando el tornillo de ajuste. Consulte manuales de instrucciones para obtener más detalles.
Especificaciones (modelo estándar)
| Rango de par de ajuste N·m | Reacción | Método de reinicio |
|---|---|---|
| 1.0~9310 | Ninguna (solo al conducir en una dirección) | automático |
(Nota) Se producirá holgura si se invierte el sentido de giro.
limitador de par con piñón
>> Haga clic aquí para ver piñones con orificios de eje mecanizados
>> Para tornillos de fijación, chaflanes y acabados, haga clic aquí
Acoplamiento limitador de par
>> Para tornillos de fijación, chaflanes y acabados, haga clic aquí
Especificaciones (modelo estándar)
• Posición y tamaño del tornillo de ajuste
| Limitador de par | Lado limitador de par | limitador de par (tipo acoplamiento) | |||
|---|---|---|---|---|---|
| Tornillo de fijación | Posición del tornillo de ajuste (L1) | Tornillo de fijación | Posición del tornillo de ajuste (L2) | ||
| TL200 | TL200-C | - | - | M 5× 5 | 8 |
| TL250 | TL250-C | M 5× 8 | 44 | M 5× 5 | 12 |
| TL350 | TL350-C | M 6×12 | 56 | M 6× 6 | 18 |
| TL500 | TL500-C | M 8×20 | 69 | M 8× 8 | 20 |
| TL700 | TL700-C | M10×20 | 90 | M10×10 | 33 |
| TL10 | TL10-C | M 8× 8 | 10 | M 8× 8 | 15 |
| TL14 | TL14-C | M10×10 | 12 | M10×10 | 20 |
| TL20 | TL20-C | M14×14 | 15 | M14×14 | 35 |
• Biselado y acabado
| Diámetro del orificio del eje | Dimensiones del chaflán |
|---|---|
| Φ25 o menos | C0.5 |
| Φ50 o menos | C1 |
| Φ125 o menos | C1.5 |
| Cuando el diámetro supera Φ125 | C2 |
Catálogos y manuales de instrucciones
Visualización del número de modelo
*Tipo de unidad única
| TL250 | - | 2 | - | B6.5 | - | TH20JD1 |
| | tamaño |
| Número de muelles de disco 1:1 2: 2 1L: Muelle débil |
| Longitud del arbusto (Ninguno sin arbusto) |
| símbolo del orificio del eje |
|||
*Con piñón
| TL250 | - | 2 | - | 04022 | - | TH20JD1 | - | N49 |
| | tamaño |
| Número de muelles de disco |
| número de modelo de piñón |
| símbolo del orificio del eje |
| Valor de ajuste de par Nuevo Méjico |
||||
*Tipo de acoplamiento
| TL250 | - | 2 | C | - | TH18JD1 | X | CH30JD1 | - | N49 |
| | tamaño |
| | | |
| Enganche tipo |
| Lado limitador de par símbolo del orificio del eje |
| Lado de acoplamiento símbolo del orificio del eje |
| Valor de ajuste de par Nuevo Méjico |
||||
| | Número de muelles de disco |
|||||||||
Nota) La posición del tornillo de fijación en limitador de par es la posición vista desde el lado de la tuerca de ajuste, y la posición del tornillo de fijación en el lado del acoplamiento es la posición vista desde la cara del extremo del cubo.
■ Navegación de modelos Tsubaki
Lista de números de modelo de producto
*Haga clic en el número de modelo para mostrar información detallada.
| Rango de par de ajuste Nuevo Méjico |
Unidad individual | Tipo de acoplamiento | ||
|---|---|---|---|---|
| rango de diámetro del orificio del eje mm |
Número de modelo | Lado de acoplamiento Rango de diámetro del orificio del eje en mm |
Número de modelo | |
| 1.0~2.0 | 9~14 | TL200-1L | 10~31 | TL200-1LC |
| 2.9~9.8 | TL200-1 | TL200-1C | ||
| 6.9~20 | TL200-2 | TL200-2C | ||
| 2.9~6.9 | 12~22 | TL250-1L | 15~38 | TL250-1LC |
| 6.9~27 | TL250-1 | TL250-1C | ||
| 14~54 | TL250-2 | TL250-2C | ||
| 9.8~20 | 18~25 | TL350-1L | 15~45 | TL350-1LC |
| 20~74 | TL350-1 | TL350-1C | ||
| 34~149 | TL350-2 | TL350-2C | ||
| 20~49 | 22~42 | TL500-1L | 20~65 | TL500-1LC |
| 47~210 | TL500-1 | TL500-1C | ||
| 88~420 | TL500-2 | TL500-2C | ||
| 49~118 | 32~64 | TL700-1L | 25~90 | TL700-1LC |
| 116~569 | TL700-1 | TL700-1C | ||
| 223~1080 | TL700-2 | TL700-2C | ||
| 392~1270 | 32~72 | TL10-16 | 35~95 | TL10-16C |
| 588~1860 | TL10-24 | TL10-24C | ||
| 882~2660 | 42~100 | TL14-10 | 40~118 | TL14-10C |
| 1960~3920 | TL14-15 | TL14-15C | ||
| 2450~4900 | 52~130 | TL20-6 | 45~150 | TL20-6C |
| 4610~9310 | TL20-12 | TL20-12C | ||
Selección
Cuando utilice limitador de par en equipos de transporte de personal o equipos de elevación, tome medidas en el equipo para prevenir accidentes que involucren al personal o caídas.
1. En función de la resistencia de la máquina, la carga y otras condiciones, determine el par que no debe aplicarse por encima de este nivel y utilícelo como par de deslizamiento del limitador de par.
Si este par no está claro, calcule el par a partir de la potencia nominal del motor principal y la velocidad de rotación del eje al que está sujeto limitador de par, y utilice entre 1,5 y 2 veces ese valor como par de deslizamiento del limitador de par
por favor.
2. Al determinar el tamaño del limitador de par, asegúrese de que el par de deslizamiento caiga dentro del rango del par nominal del limitador de par.
3. Verifique la tabla de dimensiones para asegurarse de que el diámetro máximo del orificio del eje limitador de par que ha elegido sea mayor que el diámetro del eje de montaje.
Si el diámetro del eje de montaje es grande, utilice limitador de par de una talla mayor.
4. Determine la longitud adecuada del buje (consulte la página del número de modelo del producto) en función del espesor del miembro central que se sujetará en limitador de par.
Consulte la longitud del casquillo que figura en la tabla de dimensiones y seleccione el casquillo más largo posible, ya sea uno solo o una combinación de varios, que no exceda el espesor del miembro central.
Selección y fabricación de elementos centrales/detección de sus movimientos
Para obtener detalles sobre la selección y fabricación de una rueda dentada u otra pieza que se sujetará en limitador de par como elemento central, y sobre los métodos de detección de sobrecarga utilizando un elemento central, consulte aquí.
>> Sobre la producción y selección de elementos centrales y la detección de sobrecargas
Al utilizar limitador de par
・Al comprar limitador de par con un orificio piloto guía, deberá procesar el orificio del eje y la ranura para chaveta del buje, fabricar el miembro central y ajustar el par antes de fijarlo al eje.
- A medida que disminuye el coeficiente de fricción, también disminuye el par de deslizamiento, por lo que asegúrese de que la humedad, el aceite, etc., no se adhieran a la placa de fricción.
Si se realiza un apriete excesivo como contramedida, la carga sobre el disco de fricción a través del resorte aumentará y existe la posibilidad de que el disco de fricción se agriete.
- Si la velocidad de rotación es demasiado alta, el disco de fricción puede calentarse al patinar, lo que provoca la carbonización de su superficie y una disminución de su resistencia; por lo tanto, no lo utilice a velocidades superiores a la velocidad de rotación máxima.
・Al utilizarlo a velocidades extremadamente bajas de 5 r/min o menos, el par de deslizamiento puede disminuir. Consúltenos por separado si planea utilizarlo a velocidades extremadamente bajas.

