Engrasador automático para cadena transportadora tipo TCL

- El engrasador tipo TCL es un engrasador automático para cadenas transportadoras.
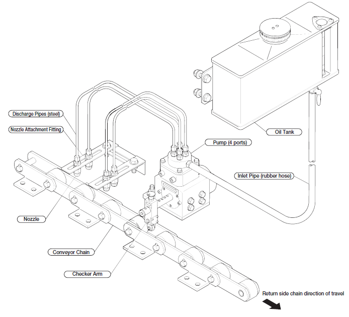
- El rodillo de la cadena empuja hacia arriba el brazo regulador de la bomba en el cuerpo principal del engrasador, activando el mecanismo de la bomba y descargando la cantidad adecuada de aceite lubricante por la boquilla.
- Por lo tanto, no requiere una fuente de energía como la electricidad, es fácil de instalar y proporciona un suministro de combustible preciso y estable.
Características
-
・No requiere fuente de alimentación
El mecanismo de bombeo dentro del cuerpo principal funciona mediante la cadena de transmisión, por lo que no se requiere ninguna fuente de energía como electricidad o aire, lo que facilita la instalación y el mantenimiento.
-
• Repostaje preciso
La lubricación se realiza en conjunción con el movimiento de la cadena, asegurando una lubricación precisa y estable.
-
・Compacto y de bajo precio
En comparación con los lubricadores de cadenas transportadoras existentes, es más ligero, más pequeño, más fácil de manejar y más económico.
Contenido del conjunto
Lubricador automático para cadena transportadora
Reduce el desgaste, la resistencia a la rodadura y el ruido de rodadura.
TCL4
TCL2
■ Establecer contenido
- 1. Bomba principal: 1 unidad
- 2. Depósito de aceite (5 L): 1
- 3. Manguera de goma (2 m): 1 unidad
- 4. Tubos de cobre (2 m): 2 tipos TCL2, 4 tipos TCL4
- 5. Boquillas: 2 tipo TCL2, 4 tipo TCL4
- 6. Soporte de montaje de boquilla: TCL2 tipo 1 juego, TCL4 tipo 2 juegos
[Ángulo de hierro: 1, Placa de montaje de boquilla: 2]
actuación
| tipos | TCL4 | TCL2 |
|---|---|---|
| Salida | 4 bocas | 2 bocas |
| Número posible de operaciones | máx. 3 veces/seg Consulte la lista de productos para conocer la relación entre el paso de cadena utilizable y la velocidad de la cadena. |
|
| Cantidad de descarga | Inyección fija de 0,05 cc por dosis. | |
| Detección de sincronización | Método de detección del brazo del tablero de ajedrez | |
| Funcionamiento/parada (ENCENDIDO/APAGADO) | Tras detener la cinta transportadora, cambie manualmente el brazo de control. | |
| tanque de aceite | 5L | |
| Temperatura de funcionamiento | -10℃~120℃ | |
Nota: La temperatura de funcionamiento es aquella a la que se puede utilizar la punta de la boquilla. La temperatura de funcionamiento del cuerpo principal es de -10 °C a 60 °C.
Catálogos y manuales de instrucciones
Ejemplo de visualización del número de modelo
| TCL4 | - | R | |
| | tamaño TCL4: 4 boquillas TCL2: 2 boquillas |
| dirección de desplazamiento de la cadena R: Dirección derecha vista desde el lado del brazo del damero L: Dirección izquierda vista desde el lado del brazo del damero. |
||
Lista de productos
※Haz clic para ver información detallada
| Salida | |||
|---|---|---|---|
| 4 bocas | 2 bocas | ||
| Dirección del viaje | Derecha (R) | TCL4-R | TCL2-R |
| Izquierda (L) | TCL4-L | TCL2-L | |
