Para pantallas de agua tipo WAC

- Cadena para máquinas automáticas de eliminación de polvo en tomas de agua de centrales térmicas, etc.
- Los pasadores, bujes y rodillos están fabricados en acero inoxidable serie 400 y todos están templados.
- Esto proporciona la excelente resistencia a la corrosión y a la abrasión necesaria para el movimiento alternativo entre el agua de mar y el aire.
- Además, se utiliza una resina especial como material de apoyo para el diámetro interior del rodillo, y agua de mar como lubricante (sin necesidad de grasa), lo que facilita el mantenimiento.
Catálogos y manuales de instrucciones
Lista de productos
※Haz clic para ver información detallada
carga máxima admisible es un valor calculado según nuestros estándares de diseño y corresponde a la resistencia calculada. Salvo que se indique lo contrario, se utiliza carga máxima admisible al seleccionar cadena transportadora de gran tamaño.
Este valor varía según el fabricante y no es un valor garantizado.
*Por favor, póngase en contacto con nosotros para conocer la resistencia a la tracción media.
| Tamaño | Tipo de rodillo |
Paso | Rodillo Diámetro exterior |
enlace interno Ancho interior |
|---|---|---|---|---|
| 610mm | Φmm | mm | ||
| WAC25610 | R | WAC25610 | 100 | 50 |
| WAC32610 | R | WAC32610 | 100 | 50 |
| WAC45610 | R | WAC45610 | 100 | 50 |
| WAC55610 | R | WAC55610 | 100 | 50 |
| WAC65610 | R | WAC65610 | 110 | 50 |
| WAC75610 | R | WAC75610 | 110 | 66.7 |
| WAC100610 | R | WAC100610 | 130 | 66.7 |
| WAC120610 | R | WAC120610 | 150 | 70 |
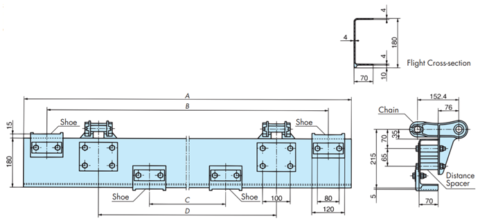
Piezas periféricas para raspador
■Vuelo tipo F
- gravedad específica: 1,9
- Masa: 2,4 kg/m³
- Material: PRFV
- Color de apariencia: Azul
[Ejemplo de visualización del número de modelo]
| AC-FL (dimensión A)-(dimensión B)-(dimensión C)-(dimensión D) |
- Notas: 1. Al solicitar plumas, proporcione un presupuesto incluyendo el número de modelo (dimensiones A, B, C, D en mm). Fije el enganche SF4 de la cadena, el bloque distanciador, las plumas y la placa de presión, así como las plumas y las zapatas, utilizando tornillos, tuercas, arandelas planas, arandelas elásticas, etc., de acero inoxidable serie 300.
(El vuelo no incluye zapatos ni bloques de distancia) - 2. Si la cantidad mínima de pedido es inferior a 100 m, póngase en contacto con nosotros.
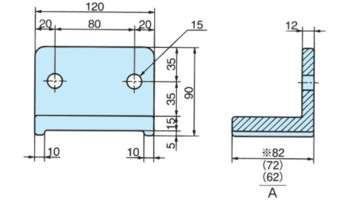
■Zapato
De doble ala
- gravedad específica: 1,14
- Peso: 260 g
(Para un ancho de 70 mm) - Material: resina
- Color de apariencia: Negro
[Ejemplo de visualización del número de modelo]
| AC | - | FL-SH | D | 82 |
| | zapato |
| De doble ala |
| Dimensiones de una pieza |
- *También disponible para anchos de vuelo de 60 y 50 mm. Las demás dimensiones son las mismas que las indicadas anteriormente.
Tipo de brida simple
- gravedad específica: 1,17
- Peso: 290 g
- Material: Poliuretano
- Color de apariencia: Negro
[Ejemplo de visualización del número de modelo]
| AC | - | FL-SH | S | 82 |
| | zapato |
| Tipo de brida simple |
| Dimensiones de la sección B |
- Nota: También podemos fabricar zapatos de plástico de otras dimensiones, así que póngase en contacto con nosotros para obtener más información.
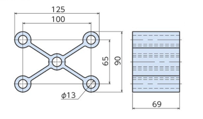
■ Bloque de distancia
- gravedad específica: 1,4
- Peso: 240 g
- Material: resina
- Color de apariencia: Negro
[Ejemplo de visualización del número de modelo]
| AC | - | FL-DIS |
| | Bloque de distancia |
- Nota: Las dimensiones indicadas son dimensiones nominales y pueden diferir de las dimensiones reales.
