ajuste del orificio Hecho a pedido

- Especificaciones de mecanizado estandarizadas para agujeros de ejes, chaveteros, agujeros roscados y tratamiento superficial.
El cliente no necesita realizar ningún trabajo adicional y puede utilizarlo de inmediato. - *Inteligente: Las especificaciones de procesamiento están codificadas.
- *Sencillo: Los clientes no necesitan crear planos de procesamiento al realizar pedidos, y los datos de los planos también están disponibles.
- *Rápido: Listo para usar en cuanto llegue.

Especificaciones de procesamiento
Procesamiento de agujeros de eje

| tolerancia del orificio del eje | Diámetro del orificio del eje | Cantidad de chaflán |
|---|---|---|
|
|
|
- Las dimensiones de procesamiento están en incrementos de 1 mm (no se incluyen las dimensiones en pulgadas).
- El chaflán estándar de Tsubaki es de 0,5 mm.
Mecanizado de chaveteros

| Tolerancia de la ranura de chaveta | Ancho de la ranura de la chaveta |
|---|---|
|
|
- Las dimensiones cumplen con la norma JIS.
- "W00" para sin chavetero
Golpeteo

| Conteo y ubicación de toques | Tamaño del grifo |
|---|---|
|
|
- El tamaño del macho de roscar corresponde al diámetro del orificio del eje.
- Ningún grifo es "D0M00"
Tratamiento de superficie
- Sin marcas: Ninguna
- K: Recubrimiento de níquel-fósforo sin electrodos
- *Si no hay ningún tratamiento superficial, el resto del texto estará en blanco.
- [Nota] Las piezas procesadas adicionales no se recubrirán.
Ejemplo de visualización del número de modelo
| PT30P5M15AF | -A | - | H | 020 | N | - | J | 06 | D3 | M06 | |
| | número de modelo del cuerpo de la polea |
| | | | | |
| | | |
| Diámetro del orificio del eje mm |
| | | | | |
| | | |
| Ancho de la ranura de la chaveta mm |
| | | |
| Tamaño del grifo |
|||
| tolerancia del orificio del eje |
Tolerancia de la ranura de chaveta |
Paquete de mecanizado de orificios de rosca |
|||||||||
| Material -A: Aleación de aluminio Ninguno: Acero al carbono para estructuras mecánicas |
chaflán del orificio del eje | ||||||||||
Precauciones
- Las ranuras y los machos de roscar cumplen con las normas JIS. Consulte con su cliente para verificar si son adecuados para sus condiciones de uso. También puede contactarnos para obtener más información.
Haga clic aquí para seleccionar el contenido de procesamiento y los dibujos de salida.
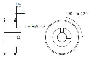
Especificaciones de procesamiento (posición de procesamiento del grifo)
Tipo AF
Tipo BF
- *Para el tipo AF, el ángulo de roscado en la segunda ubicación es un valor aproximado (debido al mecanizado en la raíz del diente de la polea).
- *Si la longitud de roscado es larga, se puede mecanizar un orificio avellanado.
- *Para las especificaciones roscadas, se coloca un tornillo de fijación en cada orificio roscado.
Especificaciones de los tornillos de fijación
- Casquillo hexagonal, de punta rebajada, fabricado en acero.
- Si el cuerpo está chapado, se instala un tornillo de fijación de acero inoxidable.
Productos hechos a medida
| tipos | Número de modelo | Tamaño |
|---|---|---|
| Polea PX | PT□□P□M□□□□-□□□□□-□□□D□M□□(-K) | P3M, P5M, P8M, P14M |
